Operation CHARM: Car repair manuals for everyone.
Manuals through 2025 now available!

Our trusted friends have launched a new website named LEMON, which has newer manuals. It also contains all the CHARM manuals.

LEMON is the spiritual successor to CHARM, I recommend you try it!

Link: lemon-manuals.la or lemon-manuals.org.ua

(Some people have issue connecting. LEMON is investigating. For now, use Firefox or change your DNS server)

Or, hide this message: temporarily or permanently

Transaxle Control Module (TCM)





TCM connector and terminal function





TCM terminal function

Connector [CHG-A]





Connector [CHG-K]






TCM Terminal input/ output signal
Connector [CHG-A]













Connector [CHG-K]






TCM terminal function

Connector [CHG-A]





Connector [CHG-K]






TCM Terminal input/ output signal
Connector [CHG-A]













Connector [CHG-K]






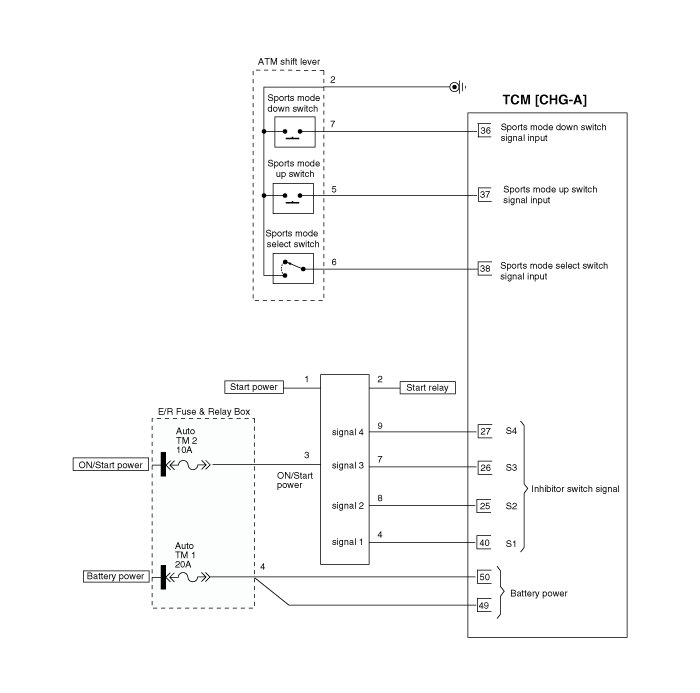
Circuit Diagram










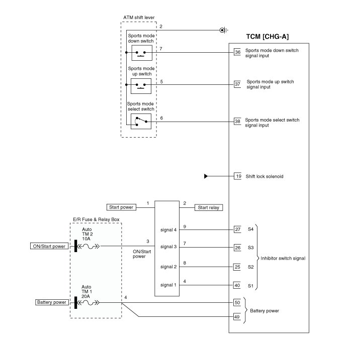
Circuit Diagram