Operation CHARM: Car repair manuals for everyone.
Manuals through 2025 now available!

Our trusted friends have launched a new website named LEMON, which has newer manuals. It also contains all the CHARM manuals.

LEMON is the spiritual successor to CHARM, I recommend you try it!

Link: lemon-manuals.la or lemon-manuals.org.ua

(Some people have issue connecting. LEMON is investigating. For now, use Firefox or change your DNS server)

Or, hide this message: temporarily or permanently

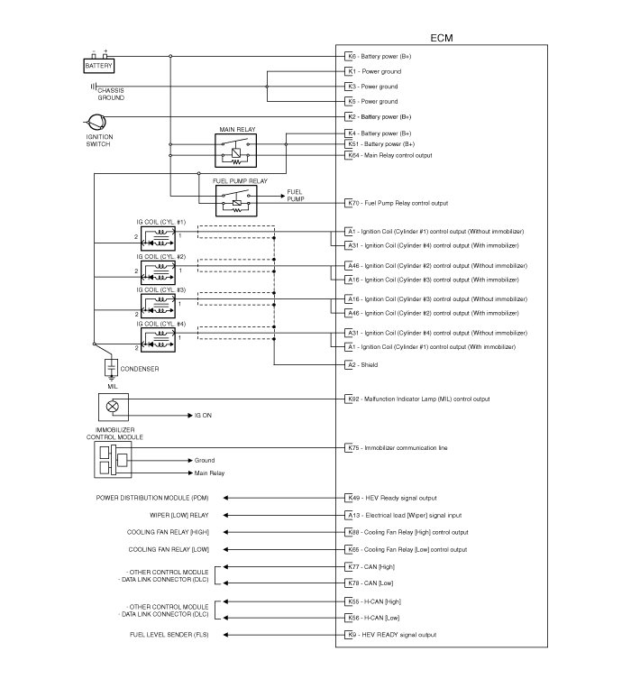
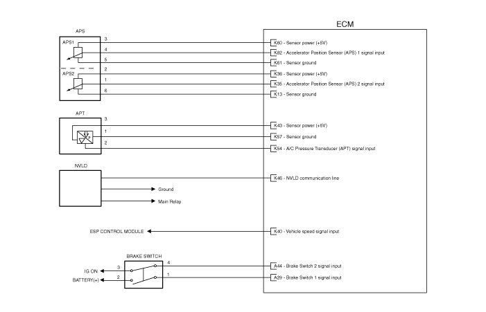
Engine Control Module





ECM Terminal And Input/Output signal




ECM Terminal Function
Connector [CHG-K]













Connector [CHG-A]









ECM Terminal Input/ Output signal

NOTE:
Engine related parameters will only have valid values when the engine is requested to run by the HPCU (HEV control module). When engine does not run values will be invalid.

Connector [CHG-K]

















Connector [CHG-A]










Circuit Diagram