Operation CHARM: Car repair manuals for everyone.
Manuals through 2025 now available!

Our trusted friends have launched a new website named LEMON, which has newer manuals. It also contains all the CHARM manuals.

LEMON is the spiritual successor to CHARM, I recommend you try it!

Link: lemon-manuals.la or lemon-manuals.org.ua

(Some people have issue connecting. LEMON is investigating. For now, use Firefox or change your DNS server)

Or, hide this message: temporarily or permanently

A/T Shift Lock System

Description
^ The mechanical key interlock mechanism also operates as a shift lock:
With the key switch turned to ON, the selector lever cannot be shifted from "P" (parking) to any other position unless the brake pedal is depressed.
With the key removed, the selector lever cannot be shifted from "P" to any other position.
The key cannot be removed unless the selector lever is placed in "P".
^ The shift lock and key interlock mechanisms are controlled by the ON-OFF operation of the shift lock solenoid and by the operation of the rotator and slider located inside the key cylinder.






Shift Lock System Electrical Parts Location






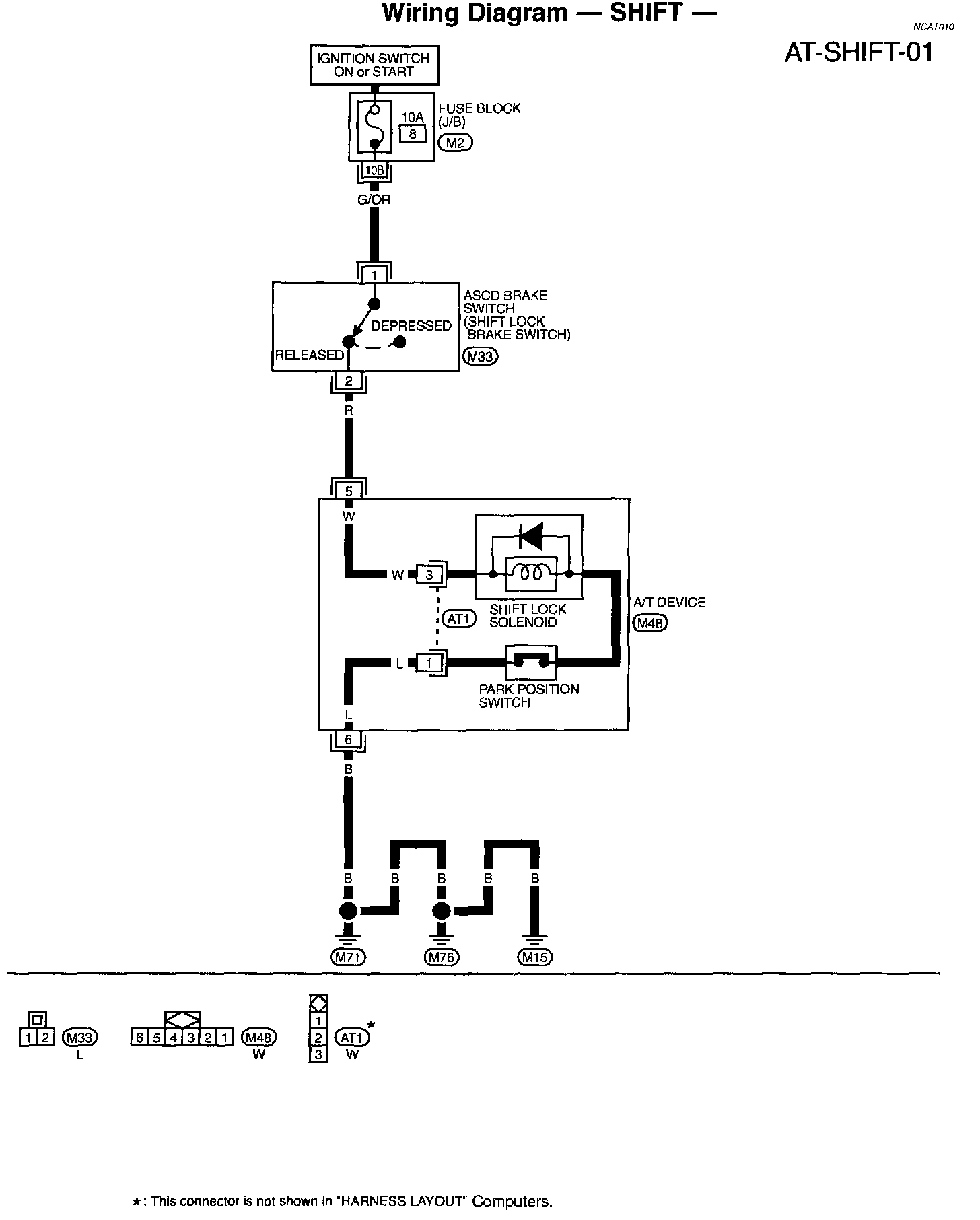
Wiring Diagram - SHIFT


Diagnostic Procedure



























SYMPTOM 1:
^ Selector lever cannot be moved from "P" position with key in ON position and brake pedal applied.
^ Selector lever can be moved from "P" position with key in ON position and brake pedal released.
^ Selector lever can be moved from "P" position when key is removed from key cylinder.
SYMPTOM 2:
^ Ignition key cannot be removed when selector lever is set to "P" position. It can be removed when selector lever is set to any position except "P".

Component Check
SHIFT LOCK SOLENOID





^ Check operation by applying battery voltage to A/T device harness terminal 5 and shift lock solenoid & park position switch harness terminal 1.

PARK POSITION SWITCH








^ Check continuity between A/T device harness terminal 6 and shift lock solenoid & park position switch harness terminal 3.

ASCD BRAKE SWITCH (SHIFT LOCK BRAKE SWITCH)








^ Check continuity between terminals 1 and 2.
Check ASCD brake switch (SHIFT LOCK brake switch) after adjusting brake pedal - refer to Brakes and Traction Control.