Operation CHARM: Car repair manuals for everyone.
Manuals through 2025 now available!

Our trusted friends have launched a new website named LEMON, which has newer manuals. It also contains all the CHARM manuals.

LEMON is the spiritual successor to CHARM, I recommend you try it!

Link: lemon-manuals.la or lemon-manuals.org.ua

(Some people have issue connecting. LEMON is investigating. For now, use Firefox or change your DNS server)

Or, hide this message: temporarily or permanently

ATF TEMP SEN/CIRC







DESCRIPTION
The A/T fluid temperature sensor detects the A/T fluid temperature and sends a signal to the TCM.




CONSULT REFERENCE VALUE IN DATA MONITOR MODE
Remarks: Specification data are reference values.




TCM TERMINALS AND REFERENCE VALUE
Remarks: Specification data are reference values.




ON BOARD DIAGNOSIS LOGIC

DIAGNOSTIC TROUBLE CODE (DTC) CONFIRMATION PROCEDURE

CAUTION: Always drive vehicle at a safe speed.

NOTE: If "DIAGNOSTIC TROUBLE CODE CONFIRMATION PROCEDURE" has been previously conducted, always turn ignition switch "OFF" and wait at least 5 seconds before conducting the next test.

After the repair, perform the following procedure to confirm the malfunction is eliminated.







With CONSULT
1. Turn ignition switch "ON" and select "DATA MONITOR" mode for "ENGINE" with CONSULT.
2. Start engine and maintain the following conditions for at least 10 minutes (Total). (It is not necessary to maintain continuously.)
CMPS.RPM (REF): 450 rpm or more
VHCL SPEED SE: 10 KPH (6 MPH) or more
THRTL POS SEN: More than 1.2 V
Selector lever: D position (OD "ON")

With GST
1. Start engine.
2. Drive vehicle under the following conditions:
Selector lever in "D" (OD "ON"), vehicle speed higher than 10 KPH (6 MPH), throttle opening greater than 1/8 of the full open position, engine speed higher than 450 rpm and driving for more than 10 minutes (Total).
3. Select "MODE 7" with GST.

Without Scan Tools
1. Start engine.
2. Drive vehicle under the following conditions:
Selector lever in "D" (OD "ON"), vehicle speed higher than 10 KPH (6 MPH), throttle opening greater than 1/8 of the full open position, engine speed higher than 450 rpm and driving for more than 10 minutes (Total).
3. Perform self-diagnosis for ECM.
Refer to ["Malfunction Indicator Lamp (MIL)", "ON BOARD DIAGNOSTIC SYSTEM DESCRIPTION"].







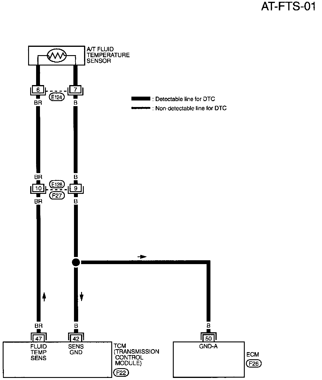
WIRING DIAGRAM

1 CHECK A/T FLUID TEMPERATURE SENSOR WITH TERMINAL CORD ASSEMBLY:




2 CHECK INPUT SIGNAL OF A/T FLUID TEMPERATURE SENSOR (With CONSULT):




3 CHECK INPUT SIGNAL OF A/T FLUID TEMPERATURE SENSOR (Without CONSULT):




4 CHECK DTC:




DIAGNOSTIC PROCEDURE

COMPONENT INSPECTION







- Check resistance between two terminals while changing temperature as shown at left.