Operation CHARM: Car repair manuals for everyone.
Manuals through 2025 now available!

Our trusted friends have launched a new website named LEMON, which has newer manuals. It also contains all the CHARM manuals.

LEMON is the spiritual successor to CHARM, I recommend you try it!

Link: lemon-manuals.la or lemon-manuals.org.ua

(Some people have issue connecting. LEMON is investigating. For now, use Firefox or change your DNS server)

Or, hide this message: temporarily or permanently

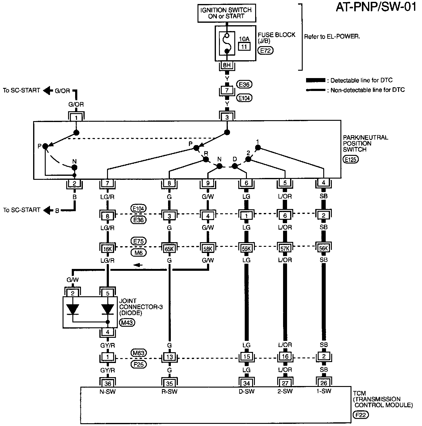
PNP SW/CIRC




DESCRIPTION
- The PNP switch assembly includes a transmission range switch.
- The transmission range switch detects the selector lever position and sends a signal to the TCM.




TCM TERMINALS AND REFERENCE VALUE
Remarks: Specification data are reference values.




ON BOARD DIAGNOSIS LOGIC

DIAGNOSTIC TROUBLE CODE (DTC) CONFIRMATION PROCEDURE

CAUTION: Always drive vehicle at a safe speed.

NOTE: If "DIAGNOSTIC TROUBLE CODE CONFIRMATION PROCEDURE" has been previously conducted, always turn ignition switch "OFF" and wait at least 5 seconds before conducting the next test.
After the repair, perform the following procedure to confirm the malfunction is eliminated.







With CONSULT
1. Turn ignition switch "ON".
2. Select "DATA MONITOR" mode for "ENGINE" with CONSULT.
3. Start engine and maintain the following conditions for at least 5 consecutive seconds.
VHCL SPEED SE: 10 KPH (6 MPH) or more
THRTL POS SEN: More than 1.3 V
Selector lever: D position (OD "ON"or "OFF")

With GST
1. Start engine.
2. Drive vehicle under the following conditions:
Selector lever in "D" position, overdrive control switch in "ON" or "OFF" position, vehicle speed higher than 10 KPH (6 MPH), throttle position sensor more than 1.3 V and driving for more than 5 seconds.
3. Select "MODE 7" with GST.

Without Scan Tools
1. Start engine.
2. Drive vehicle under the following conditions:
Selector lever in "D" position, overdrive control switch in "ON" or "OFF" position, vehicle speed higher than 10 KPH (6 MPH), throttle opening greater than 1/2 of the full throttle position and driving for more than 5 seconds.
3. Perform self-diagnosis for ECM.
Refer to ["Malfunction Indicator Lamp (MIL)", "ON BOARD DIAGNOSTIC SYSTEM DESCRIPTION"].







WIRING DIAGRAM

1 CHECK PNP SWITCH CIRCUIT (With CONSULT):




2 CHECK PNP SWITCH CIRCUIT (Without CONSULT):




3 CHECK DTC:




DIAGNOSTIC PROCEDURE

COMPONENT INSPECTION







1. Check continuity between terminals 1 and 3 and between terminals 2 and 4, 5, 6, 7, 8, 9 while moving manual shaft through each position.




2. If NG, check again with control cable disconnected from manual shaft of A/T assembly. Refer to step 1.
3. If OK on step 2, adjust control cable.
4. If NG on step 2, remove PNP switch from A/T and check continuity of PNP switch terminals. Refer to step 1.
5. If OK on step 4, adjust PNP switch.
6. If NG on step 4, replace PNP switch.