Operation CHARM: Car repair manuals for everyone.
Manuals through 2025 now available!

Our trusted friends have launched a new website named LEMON, which has newer manuals. It also contains all the CHARM manuals.

LEMON is the spiritual successor to CHARM, I recommend you try it!

Link: lemon-manuals.la or lemon-manuals.org.ua

(Some people have issue connecting. LEMON is investigating. For now, use Firefox or change your DNS server)

Or, hide this message: temporarily or permanently

TP SEN/CIRC A/T




DESCRIPTION
- Throttle position sensor
The throttle position sensor detects the throttle valve position and sends a signal to the TCM.
- Throttle position switch
Consists of a wide open throttle position switch and a closed throttle position switch.
The wide open throttle position switch sends a signal to the TCM when the throttle valve is open at least 1/2 of the full throttle position. The closed throttle position switch sends a signal to the TCM when the throttle valve is fully closed.




CONSULT REFERENCE VALUE IN DATA MONITOR MODE
Remarks: Specification data are reference values.




TCM TERMINALS AND REFERENCE VALUE
Remarks: Specification data are reference values.




ON BOARD DIAGNOSIS LOGIC

DIAGNOSTIC TROUBLE CODE (DTC) CONFIRMATION PROCEDURE

CAUTION: Always drive vehicle at a safe speed.

NOTE: If "DIAGNOSTIC TROUBLE CODE CONFIRMATION PROCEDURE" has been previously conducted, always turn ignition switch "OFF" and wait at least 5 seconds before conducting the next test.
After the repair, perform the following procedure to confirm the malfunction is eliminated.







With CONSULT
1. Turn ignition switch "ON" and select "DATA MONITOR" mode for "A/T" with CONSULT.




2. Check the following.
If the check result is NG, go to "DIAGNOSTIC PROCEDURE".
If the check result is OK, go to following step.







3. Turn ignition switch "ON" and select "DATA MONITOR" mode for "ENGINE" with CONSULT.
4. Start engine and maintain the following conditions for at least 3 consecutive seconds. Then release accelerator pedal completely.
VHCL SPEED SE: 10 KPH (6 MPH) or more
THRTL POS SEN: Approximately 3 V or less
Selector lever: D position (OD "ON")
If the check result is NG, go to "DIAGNOSTIC PROCEDURE".
If the check result is OK, go to following step.
5. Maintain the following conditions for at least 3 consecutive seconds. Then release accelerator pedal completely.
VHCL SPEED SE: 10 KPH (6 MPH) or more
Accelerator pedal: Wide open throttle
Selector lever: D position (OD "ON")

With GST
1. Start engine.
2. Drive vehicle under the following conditions:
Selector lever in "D" (OD "ON"), vehicle speed higher than 10 KPH (6 MPH), throttle opening greater than 1/2 of the full throttle position and driving for more than 3 seconds.
3. Select "MODE 7" with GST.

Without Scan Tools
1. Start engine.
2. Drive vehicle under the following conditions:
Selector lever in "D" (OD "ON"), vehicle speed higher than 10 KPH (6 MPH), throttle opening greater than 1/2 of the full throttle position and driving for more than 3 seconds.
3. Perform self-diagnosis for ECM.
Refer to ["Malfunction Indicator Lamp (MIL)", "ON BOARD DIAGNOSTIC SYSTEM DESCRIPTION"].







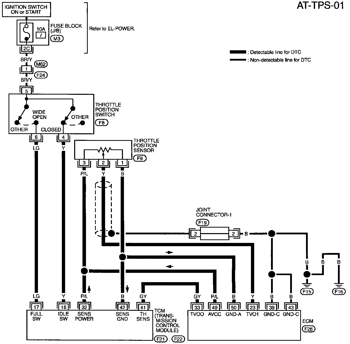
WIRING DIAGRAM

1 CHECK DTC WITH ECM:




2 CHECK INPUT SIGNAL (WITH CONSULT):




3 CHECK INPUT SIGNAL (WITHOUT CONSULT):




4 CHECK THROTTLE POSITION SWITCH CIRCUIT (WITH CONSULT):




5 CHECK THROTTLE POSITION SWITCH CIRCUIT (WITHOUT CONSULT):




6 CHECK DTC:




DIAGNOSTIC PROCEDURE

COMPONENT INSPECTION

Closed Throttle Position Switch (Idle position)







- Check continuity between terminals 1 and 2.
- To adjust closed throttle position switch, refer to ("Basic Inspection", "TROUBLE DIAGNOSIS - Basic Inspection").

Wide Open Throttle Position Switch







- Check continuity between terminals 2 and 3.