Operation CHARM: Car repair manuals for everyone.
Manuals through 2025 now available!

Our trusted friends have launched a new website named LEMON, which has newer manuals. It also contains all the CHARM manuals.

LEMON is the spiritual successor to CHARM, I recommend you try it!

Link: lemon-manuals.la or lemon-manuals.org.ua

(Some people have issue connecting. LEMON is investigating. For now, use Firefox or change your DNS server)

Or, hide this message: temporarily or permanently

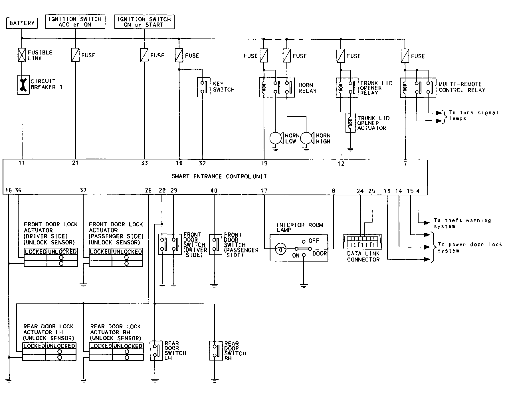
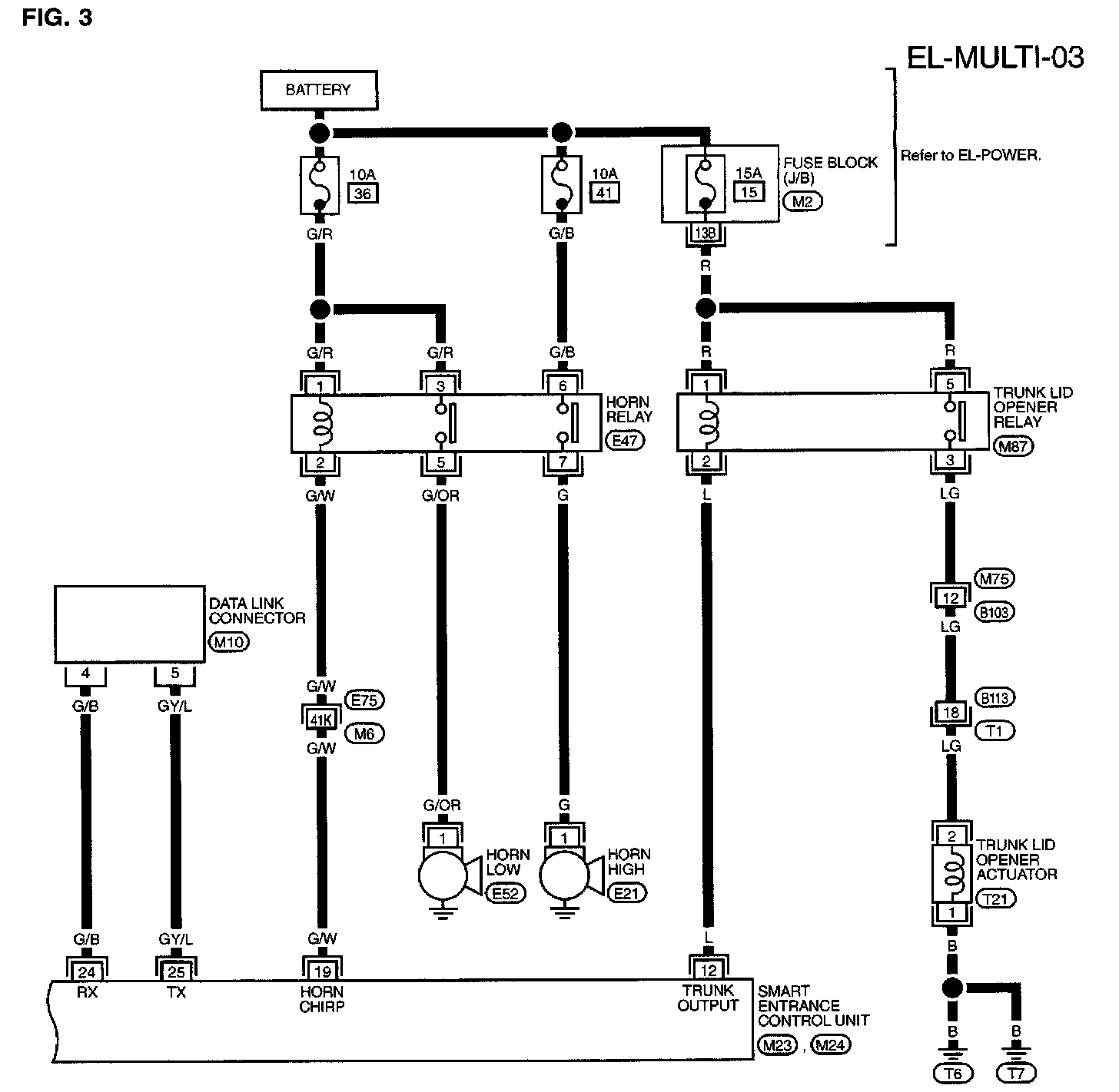
Multi-Remote Control System




Schematic

Circuit Diagram

EL-MULTI-01:




(Part 1 of 3)
Fuse Block (J/B)
Circuit Breaker-1
Key Switch
Smart Entrance Control Unit
Front Door Lock Actuator (Driver Side) (Unlock Sensor)
Front Door Lock Actuator (Passenger Side) (Unlock Sensor)
Rear Door Lock Actuator LH (Unlock Sensor)
Rear Door Lock Actuator RH (Unlock Sensor)

EL-MULTI-02:




(Part 2 of 3)
Fuse Block (J/B)
Multi-Remote Control Relay
Smart Entrance Control Unit
Front Door Switch (Driver Side)
Rear Door Switch LH
Rear Door Switch RH
Front Door Switch (Passenger Side)

EL-MULTI-03:




(Part 3 of 3)
Fuse Block (J/B)
Horn Relay
Trunk Lid Opener Relay
Data Link Connector
Horn Low
Horn High
Trunk Lid Opener Actuator
Smart Entrance Control Unit










Circuit Connectors

M6,E75 Connector Views:




M1,M2,M3,M4,M5,B1,E71,E72,E73 Connector Views:




E75, M1, M2, M3, E72 Super Multiple Junction and Fuse Block - Junction Box (J/B) Terminal Arrangement