Operation CHARM: Car repair manuals for everyone.
Manuals through 2025 now available!

Our trusted friends have launched a new website named LEMON, which has newer manuals. It also contains all the CHARM manuals.

LEMON is the spiritual successor to CHARM, I recommend you try it!

Link: lemon-manuals.la or lemon-manuals.org.ua

(Some people have issue connecting. LEMON is investigating. For now, use Firefox or change your DNS server)

Or, hide this message: temporarily or permanently

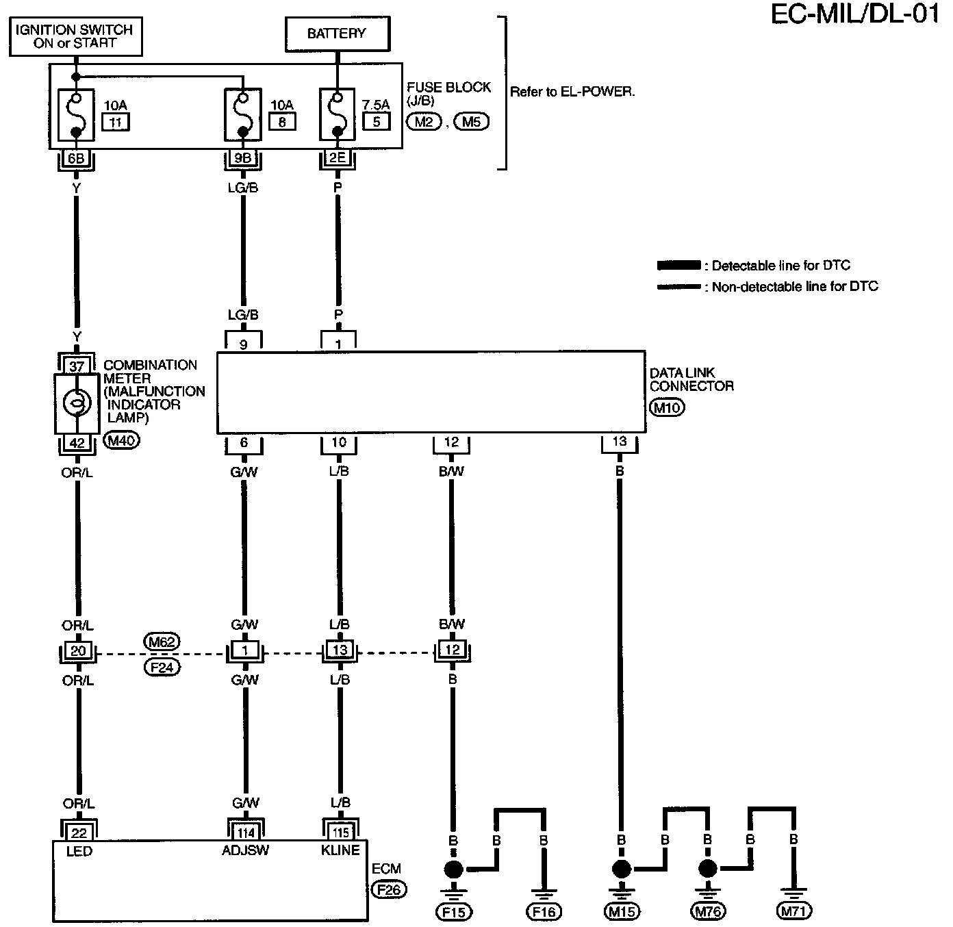
Data Link Connector: Testing and Inspection

EC-MIL/DL-01:




EC-MIL/DL-01 - Connector Views:




WIRING DIAGRAM

M1,M2,M3,M4,M5,B1,E71,E72,E73 Connector Views: