Operation CHARM: Car repair manuals for everyone.
Manuals through 2025 now available!

Our trusted friends have launched a new website named LEMON, which has newer manuals. It also contains all the CHARM manuals.

LEMON is the spiritual successor to CHARM, I recommend you try it!

Link: lemon-manuals.la or lemon-manuals.org.ua

(Some people have issue connecting. LEMON is investigating. For now, use Firefox or change your DNS server)

Or, hide this message: temporarily or permanently

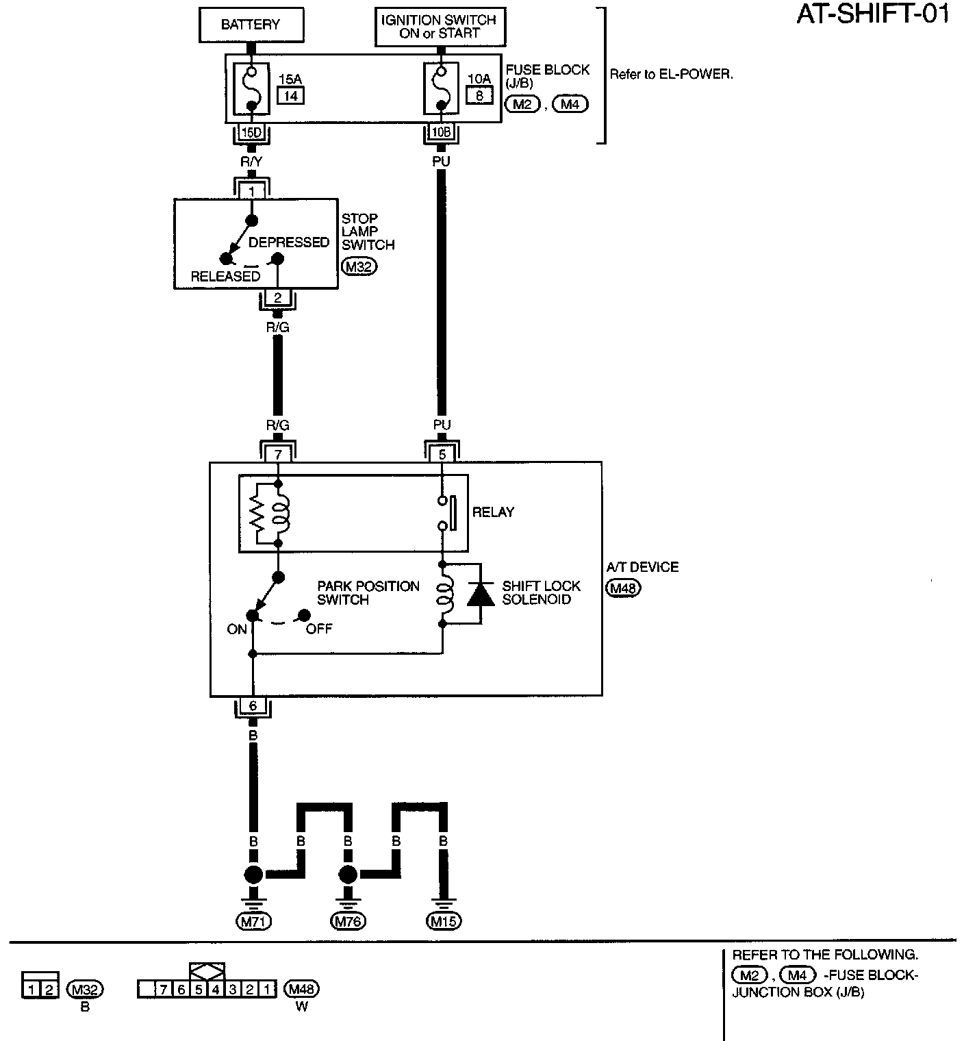
A/T Shift Lock System

Description
- The mechanical key interlock mechanism also operates as a shift lock:
With the key switch turned to ON, the selector lever cannot be shifted from "P" (parking) to any other position unless the brake pedal is depressed.
With the key removed, the selector lever cannot be shifted from "P" to any other position.
The key cannot be removed unless the selector lever is placed in "P".
- The shift lock and key interlock mechanisms are controlled by the ON-OFF operation of the shift lock solenoid and by the operation of the rotator and slider located inside the key cylinder.





Shift Lock System Electrical Parts Location





Wiring Diagram - SHIFT -

Diagnostic Procedure





Part 1 of 9





Part 2 of 9





Part 3 of 9





Part 4 of 9





Part 5 of 9





Part 6 of 9





Part 7 of 9





Part 8 of 9





Part 9 of 9

SYMPTOM 1:
- Selector lever cannot be moved from "P" position with key in ON position and brake pedal applied.
- Selector lever can be moved from "P" position with key in ON position and brake pedal released.
- Selector lever can be moved from "P" position when key is removed from key cylinder.

SYMPTOM 2: Ignition key cannot be removed when selector lever is set to "P" position. It can be removed when selector lever is set to any position except "P".

A/T DEVICE CHECK





1. Shift Lock Solenoid
- Check operation sound. When ignition switch is turned to "ON" position and selector lever is set in "P" position.








2. Park Position Switch
- Check resistance between A/T device harness terminal 6 and 7.

STOP LAMP SWITCH








- Check continuity between terminals 1 and 2.
Check stop lamp switch after adjusting brake pedal - refer to Brakes and Traction Control.