Operation CHARM: Car repair manuals for everyone.
Manuals through 2025 now available!

Our trusted friends have launched a new website named LEMON, which has newer manuals. It also contains all the CHARM manuals.

LEMON is the spiritual successor to CHARM, I recommend you try it!

Link: lemon-manuals.la or lemon-manuals.org.ua

(Some people have issue connecting. LEMON is investigating. For now, use Firefox or change your DNS server)

Or, hide this message: temporarily or permanently

System Specifications

ENGINE MECHANICAL





General Specifications





Miscellaneous Components





Compression Pressure


CYLINDER HEAD ASSEMBLY






Cylinder Head





Valve





VALVE SPRING





HYDRAULIC LASH ADJUSTER (HLA)





VALVE GUIDE





VALVE SHIM CLEARANCE ADJUSTMENT





VALVE SEAT





VALVE SEAT RESURFACE LIMIT





Camshaft and Camshaft Bearing



CYLINDER BLOCK ASSEMBLY





Cylinder Block





PISTON





PISTON RING





PISTON PIN





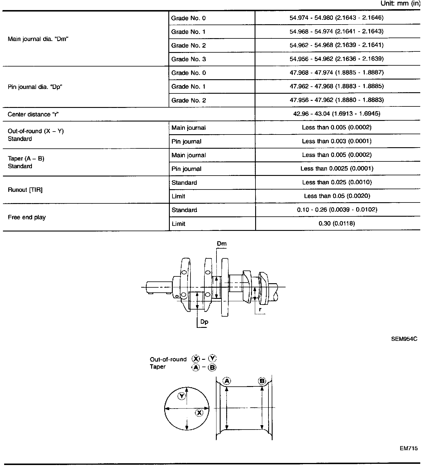
Crankshaft





Main Bearing





Standard (Main Bearing)





Undersize (Main Bearing)





Connecting Rod





Standard (Connecting Rod Bearing)





Undersize (Connecting Rod Bearing)





Bearing Clearance (Main and Rod)



ENGINE LUBRICATION SYSTEM





OIL PRESSURE CHECK





REGULATOR VALVE INSPECTION





OIL PUMP INSPECTION