Operation CHARM: Car repair manuals for everyone.
Manuals through 2025 now available!

Our trusted friends have launched a new website named LEMON, which has newer manuals. It also contains all the CHARM manuals.

LEMON is the spiritual successor to CHARM, I recommend you try it!

Link: lemon-manuals.la or lemon-manuals.org.ua

(Some people have issue connecting. LEMON is investigating. For now, use Firefox or change your DNS server)

Or, hide this message: temporarily or permanently

Transmission Control Systems: Description and Operation





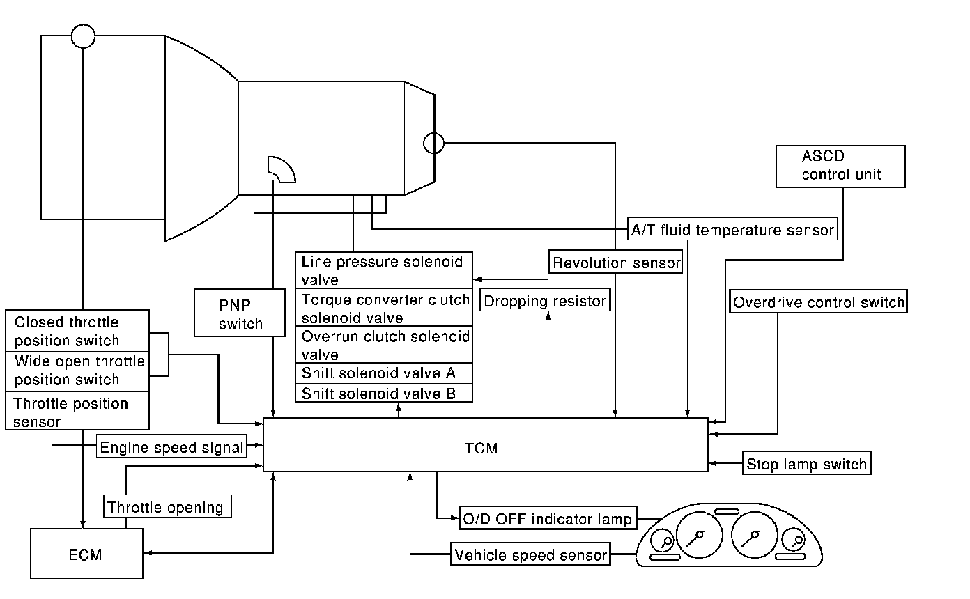
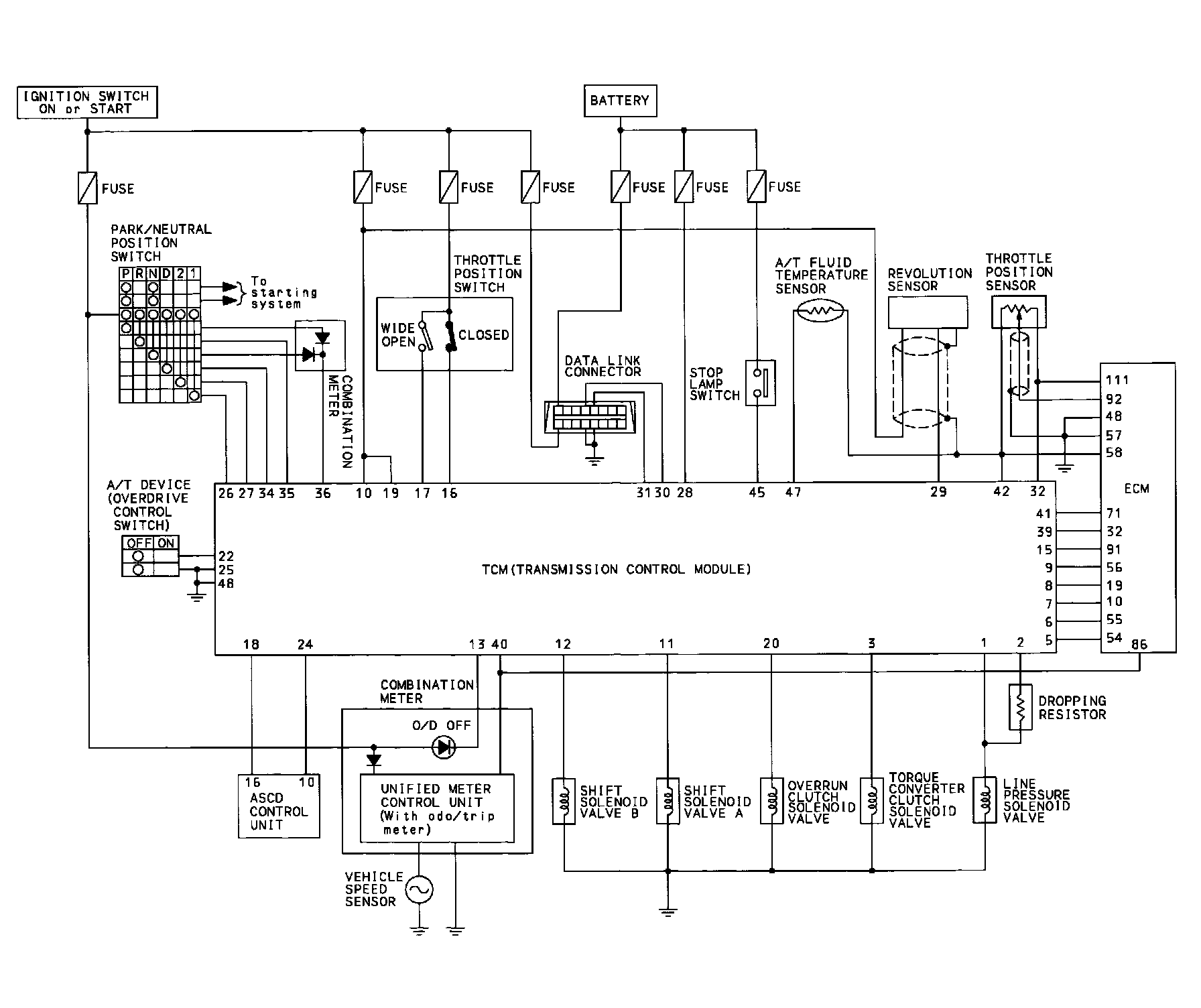
A/T Electrical Parts Location





Circuit Diagram





Cross-sectional View-RE4F03B





Cross-sectional View-RE4F03W





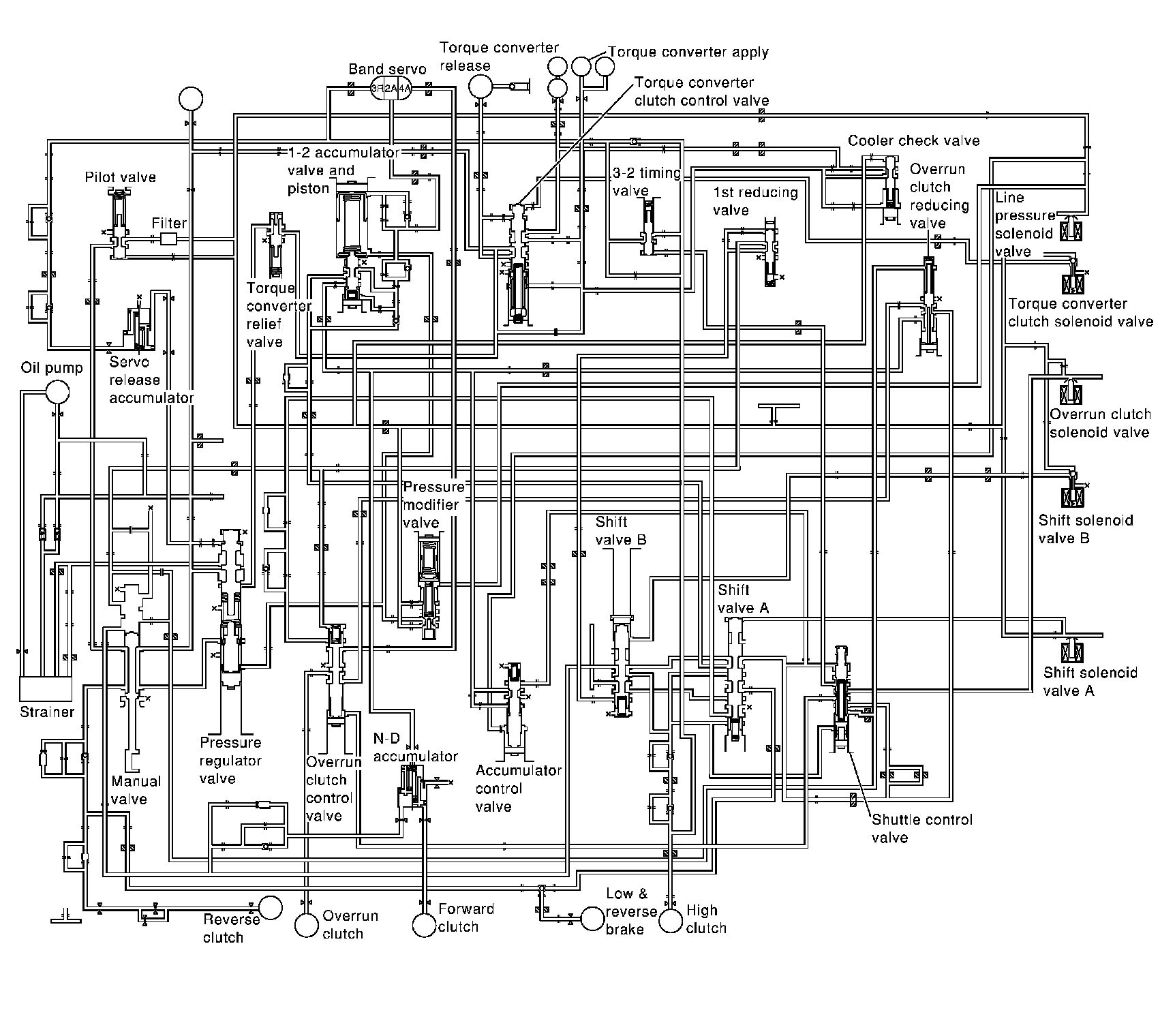
Hydraulic Control Circuit

Shift Mechanism





CONSTRUCTION





FUNCTION OF CLUTCH AND BRAKE





CLUTCH AND BAND CHART

POWER TRANSMISSION

"N" and "P" Positions

- "N " position
Power from the input shaft is not transmitted to the output shaft because the clutches do not operate.





- "P" position
Similar to the "N" position, the clutches do not operate. The parking pawl engages with the parking gear to mechanically hold the output shaft so that the power train is locked.








"11" Position








D1 and 21 Positions








"D2", "22" and "12" Positions








"D3" Position








"D4 " (OD) Position








"R" Position

Control System
OUTLINE





The automatic transaxle senses vehicle operating conditions through various switches and sensors. It always controls the optimum shift position and reduces shifting and lock-up shocks.





CONTROL SYSTEM

TCM FUNCTION
The function of the TCM is to:
- Receive input signals sent from various switches and sensors.
- Determine required line pressure, shifting point, lock-up operation, and engine brake operation.
- Send required output signals to the respective solenoids.





INPUT/OUTPUT SIGNAL OF TCM

Control Mechanism
LINE PRESSURE CONTROL
TCM has various line pressure control characteristics to match the driving conditions.
An ON-OFF duty signal is sent to the line pressure solenoid valve based on TCM characteristics.
Hydraulic pressure on the clutch and brake is electronically controlled through the line pressure solenoid valve to accommodate engine torque. This results in smooth shift operation.

Normal Control





The line pressure to throttle opening characteristics is set for suitable clutch operation.

Back-up Control (Engine brake)





If the selector lever is shifted to "2" position while driving in D4 (OD) or D3, great driving force is applied to the clutch inside the transmission. Clutch operating pressure (line pressure) must be increased to deal with this driving force.

During Shift Change





The line pressure is temporarily reduced corresponding to a change in engine torque when shifting gears (that is, when the shift solenoid valve is switched for clutch operation) to reduce shifting shock.

At Low Fluid Temperature
- Fluid viscosity and frictional characteristics of the clutch facing change with fluid temperature. Clutch engaging or band-contacting pressure is compensated for, according to fluid temperature, to stabilize shifting quality.





- The line pressure is reduced below 60�C (140�F) to prevent shifting shock due to low viscosity of automatic transmission fluid when temperature is low.





- Line pressure is increased to a maximum irrespective of the throttle opening when fluid temperature drops to -10°C (14°F). This pressure rise is adopted to prevent a delay in clutch and brake operation due to extreme drop of fluid viscosity at low temperature.

SHIFT CONTROL
The shift is regulated entirely by electronic control to accommodate vehicle speed and varying engine operations. This is accomplished by electrical signals transmitted by the revolution sensor and throttle position sensor. This results in improved acceleration performance and fuel economy.

Control of Shift Solenoid Valves A and B





The TCM activates shift solenoid valves A and B according to signals from the throttle position sensor and revolution sensor to select the optimum gear position on the basis of the shift schedule memorized in the TCM.
The shift solenoid valve performs simple ON-OFF operation. When set to "ON", the drain circuit closes and pilot pressure is applied to the shift valve.





Relation Between Shift Solenoid Valves A and B and Gear Positions

Control of Shift Valves A and B





Pilot pressure generated by the operation of shift solenoid valves A and B is applied to the end face of shift valves A and B.
The drawing above shows the operation of shift valve B. When the shift solenoid valve is "ON", pilot pressure applied to the end face of the shift valve overcomes spring force, moving the valve upward.

LOCK-UP CONTROL
The torque converter clutch piston in the torque converter is locked to eliminate torque converter slip to increase power transmission efficiency. The solenoid valve is controlled by an ON-OFF duty signal sent from the TCM. The signal is converted to an oil pressure signal, which controls the torque converter clutch piston.

Conditions for Lock-up Operation





When vehicle is driven in 4th gear position, vehicle speed and throttle opening are detected. If the detected values fall within the lock-up zone memorized in the TCM, lock-up is performed.

Torque Converter Clutch Solenoid Valve Control





The torque converter clutch solenoid valve is controlled by the TCM. The plunger closes the drain circuit during the "OFF" period, and opens the circuit during the "ON" period. If the percentage of OFF-time increases in one cycle, the pilot pressure drain time is reduced and pilot pressure remains high.
The torque converter clutch piston is designed to slip to adjust the ratio of ON-OFF, thereby reducing lock-up shock.





OFF-time INCREASING
Amount of drain DECREASING
Pilot pressure HIGH
Lock-up RELEASING





Torque Converter Clutch Control Valve Operation

Lock-up released
The OFF-duration of the torque converter clutch solenoid valve is long, and pilot pressure is high. The pilot pressure pushes the end face of the torque converter clutch control valve in combination with spring force to move the valve to the left. As a result, converter pressure is applied to chamber A (torque converter clutch piston release side). Accordingly, the torque converter clutch piston remains unlocked.
Lock-up applied
When the OFF-duration of the torque converter clutch solenoid valve is short, pilot pressure drains and becomes low. Accordingly, the control valve moves to the right by the pilot pressure of the other circuit and converter pressure. As a result, converter pressure is applied to chamber B. keeping the torque converter clutch piston applied.
Also, smooth lock-up is provided by transient application and release of the lock-up.

OVERRUN CLUTCH CONTROL (ENGINE BRAKE CONTROL)
Forward one-way clutch is used to reduce shifting shocks in downshifting operations. This clutch transmits engine torque to the wheels. However, drive force from the wheels is not transmitted to the engine because the one-way clutch rotates idle. This means the engine brake is not effective.
The overrun clutch operates when the engine brake is needed.








Overrun Clutch Operating Conditions

Overrun Clutch Solenoid Valve Control





The overrun clutch solenoid valve is operated by an ON-OFF signal transmitted by the TCM to provide overrun clutch control (engine brake control). When this solenoid valve is "ON", the pilot pressure drain port closes. When it is "OFF", the drain port opens. During the solenoid valve "ON" pilot pressure is applied to the end face of the overrun clutch control valve.

Overrun Clutch Control Valve Operation





When the solenoid valve is "ON", pilot pressure is applied to the overrun clutch control valve. This pushes up the overrun clutch control valve. The line pressure is then shut off so that the clutch does not engage.
When the solenoid valve is "OFF", pilot pressure is not generated. At this point, the overrun clutch control valve moves downward by spring force. As a result, overrun clutch operation pressure is provided by the overrun clutch reducing valve. This causes the overrun clutch to engage.
In the 1 position, the overrun clutch control valve remains pushed down so that the overrun clutch is engaged at all times.

Control Valve








FUNCTION OF CONTROL VALVES