Operation CHARM: Car repair manuals for everyone.
Manuals through 2025 now available!

Our trusted friends have launched a new website named LEMON, which has newer manuals. It also contains all the CHARM manuals.

LEMON is the spiritual successor to CHARM, I recommend you try it!

Link: lemon-manuals.la or lemon-manuals.org.ua

(Some people have issue connecting. LEMON is investigating. For now, use Firefox or change your DNS server)

Or, hide this message: temporarily or permanently

Control Assembly: Locations

AUTOMATIC AIR CONDITIONER - Control Operation:



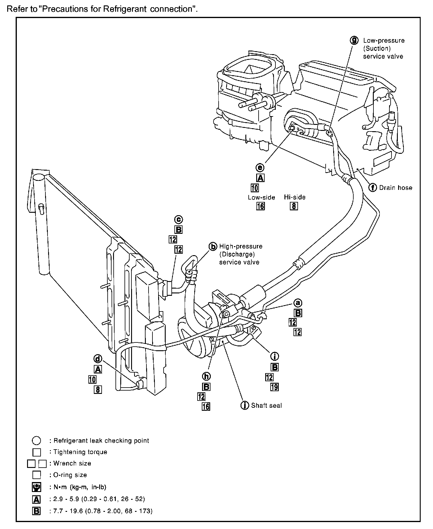
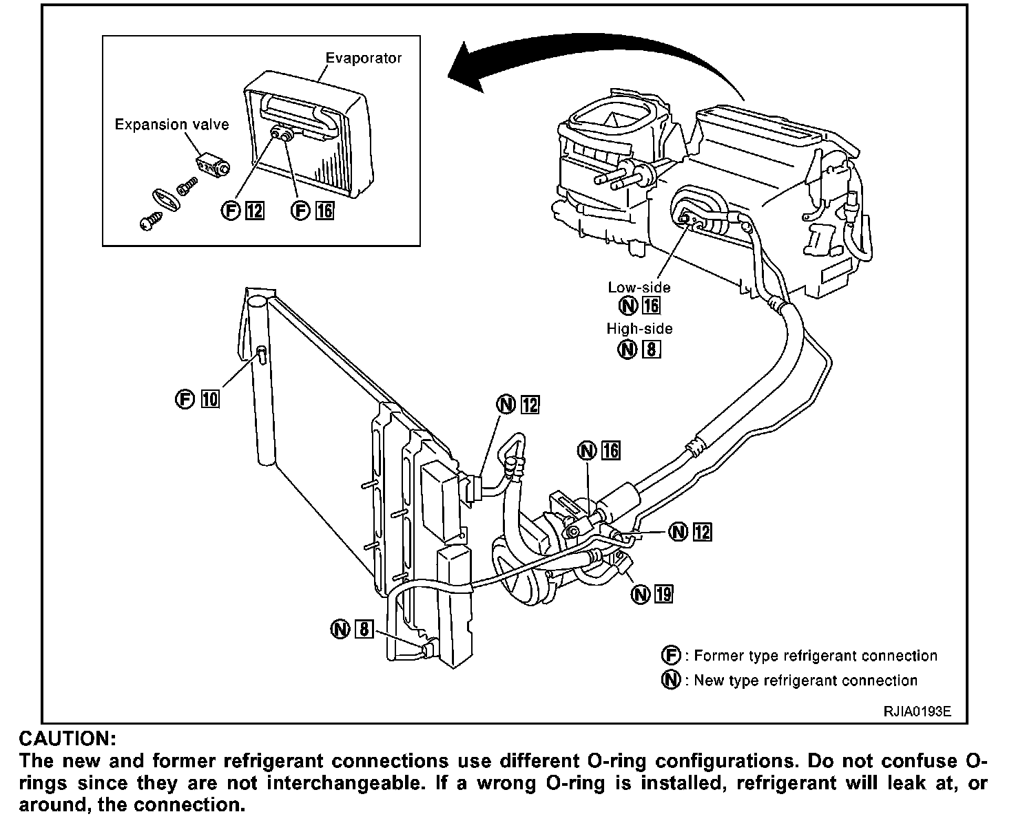
O-ring And Refrigerant Connection:



Pressure Hose/Pipe HVAC:



AUTOMATIC AIR CONDITIONER - Component Layout:



Engine Compartment:



Passenger Compartment:



Blower Unit:



Heater & Cooling Unit Assembly:



Ventilator Duct, Defroster Nozzle And Defroster Ducts: