Operation CHARM: Car repair manuals for everyone.
Manuals through 2025 now available!

Our trusted friends have launched a new website named LEMON, which has newer manuals. It also contains all the CHARM manuals.

LEMON is the spiritual successor to CHARM, I recommend you try it!

Link: lemon-manuals.la or lemon-manuals.org.ua

(Some people have issue connecting. LEMON is investigating. For now, use Firefox or change your DNS server)

Or, hide this message: temporarily or permanently

Engine Compartment - A/C System Parts Replacement

NOTE:
Verify that A/C System Lubricant Return Operation was completed as shown.

1. Remove all four engine compartment covers.

CAUTION:
It is essential that all lubricating oil recovered during A/C system evacuation is accurately measured. Make sure that your recovery machine is completely drained of all previously recovered oil before starting Evacuation step 2, below.

2. Evacuate the A/C System (see the 2002 Q45 ESM, ATC [Automatic Air Conditioner] Section/Refrigerant Lines/page ATC-130 for detailed information).

NOTE:
Drain and save the amount of oil recovered during this evacuation procedure for later measurement in step 21.

3. Allow engine to cool first, then drain engine coolant.

WARNINGS:
^ To avoid being scalded, never change the coolant when the engine is hot.

^ Wrap a thick cloth around the radiator cap and carefully remove the cap. First, turn the cap a quarter of a turn to release buildup pressure. Then turn the cap all the way.





4. Remove the radiator water suction pipe and hose (see Figure 19).





5. Remove the air cleaner assembly, air duct, and air inlet pipe (see Figure 20).

6. Remove the two radiator mounting brackets.

7. Remove the alternator/water pump/ A/C compressor belt (see the 2002 Q45 ESM, EM [Engine Mechanical] Section/Drive Belts/page EM-12 for detailed information). This belt will not be reused.





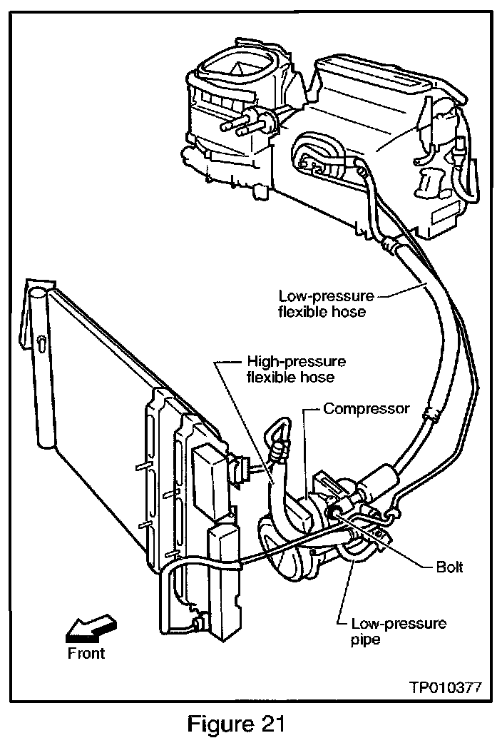
8. Remove the high-pressure flexible hose between the compressor and the condenser (see Figure 21).

9. Remove the bolt which connects the low-pressure flexible hose to the low-pressure pipe (see Figure 21).

10. Remove the low-pressure pipe from the compressor (see Figure 21). The low-pressure pipe will not be reused.

11. Disconnect the compressor harnesses.

12. Remove the four compressor attachment bolts.

13. Remove the compressor from the vehicle by lifting out pulley-side first (see the 2002 Q45 ESM, A/C [Automatic Air Conditioner] Section/Precautions/Precautions For Servicing Compressor/page ATC-8 for important information). The compressor will not be reused, but should be set aside for completion of steps 19 through 24 ).

14. In order to make room to complete the rest of the procedure, remove the following:

^ strut tower bar

^ rearward (black plastic) resonator from the throttle body





^ heater core coolant hoses (see Figure 22)

^ the bolt that attaches the low-pressure flexible hose to the expansion valve on the bulkhead (see Figure 22)

15. Remove the low-pressure flexible hose (see Figure 21). This hose will not be reused.

16. Install the replacement low-pressure flexible hose (found in the A/C Service Kit).

17. Reinstall the heater core coolant hoses.

18. Reinstall the rearward (black plastic) resonator.

NOTE:
For reference, this vehicle uses Type S-R134a PAG Lube (Nissan P/N KLH00-PAGS1P).





19. Drain the oil from the original (old) compressor (removed in step 13) through the compressor drain plug (see Figure 23) into a graduated (measuring) cylinder with cc measurement capabilities and a capacity of at least 200 cc (1 cc = 1 ml)

20. Drain the amount of oil recovered during the A/C System Evacuation (step 2) into the same graduated cylinder used in step 19, above.

21. Measure and record the quantity of oil drained from the old compressor and recovered from the A/C System Evacuation.

22. Drain all of the oil from the replacement compressor through the compressor drain plug (see Figure 23 for drain plug location) into a clean graduated cylinder with capacity of at least 200 cc. The replacement compressor can be found in the A/C Service Kit.

23. Measure out a quantity of new compressor oil equal to the amount of total oil removed from the old compressor plus the amount recovered from the A/C System Evacuation, minus 50 cc. Basically, you will be putting 50 cc less oil back into the new compressor.





NOTE:
The EXAMPLE CALCULATION shows how to adjust the compressor oil quantity to the correct amount.

24. Pour the measured quantity of new compressor oil from step 23 (above) into the replacement compressor's drain hole and reseal the replacement compressor drain plug completely.

25. Install the replacement compressor.

26. Replace the four compressor attachment bolts and torque to 57-65 N.m (5.8 - 6.8 kg-m, 42-48 ft-lbs).

27. Reconnect the compressor harnesses.

28. Install the replacement low-pressure pipe (found in the A/C Service Kit) onto the replacement compressor.

29. Reinstall the high-pressure flexible hose between the compressor and the condenser.

30. Install the replacement alternator/water pump / A/C compressor belt (found in the A/C Service Kit).

31. Reinstall the radiator water suction pipe and hose.

32. Reinstall the air cleaner assembly, air duct, and air inlet pipe.

33. Reinstall the two radiator mounting brackets.

34. Reinstall the strut tower bar.

35. Refill the engine coolant (see the 2002 Q45 ESM, CO [Engine Cooling System] Section / Refilling Engine Coolant/page CO-10 for detailed information).

36. Evacuate and recharge the A/C system to 0.60 kg/1.32 lbs.





37. Replace the A/C information label with the new label provided in the A/C Service Kit (which shows increased refrigerant amount of 0.60 kg (1.32 lbs). See Figure 24.

38. Reinstall all four engine compartment covers.

39. Reconnect the negative battery cable.

40. Reprogram the radio pre-sets.

41. Proceed to ECM Part Number Identification And Update.