Operation CHARM: Car repair manuals for everyone.
Manuals through 2025 now available!

Our trusted friends have launched a new website named LEMON, which has newer manuals. It also contains all the CHARM manuals.

LEMON is the spiritual successor to CHARM, I recommend you try it!

Link: lemon-manuals.la or lemon-manuals.org.ua

(Some people have issue connecting. LEMON is investigating. For now, use Firefox or change your DNS server)

Or, hide this message: temporarily or permanently

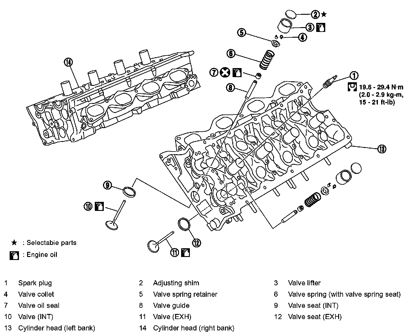
Valve Guide - Diameter


CYLINDER HEAD ASSEMBLY:





Valve guide hole diameter (for service parts)
Intake and exhaust: 10.175 - 10.196 mm (0.4006 - 0.4014 inch)






Press valve guide from camshaft side to dimensions as in illustration.






Using valve guide reamer, apply reamer finish to valve guide.

STANDARD
Intake and exhaust: 6.000 - 6.018 mm (0.2362 - 0.2369 inch)