Operation CHARM: Car repair manuals for everyone.
Manuals through 2025 now available!

Our trusted friends have launched a new website named LEMON, which has newer manuals. It also contains all the CHARM manuals.

LEMON is the spiritual successor to CHARM, I recommend you try it!

Link: lemon-manuals.la or lemon-manuals.org.ua

(Some people have issue connecting. LEMON is investigating. For now, use Firefox or change your DNS server)

Or, hide this message: temporarily or permanently

BL-I/KEY

BL-I/KEY-01:




BL-I/KEY-02:




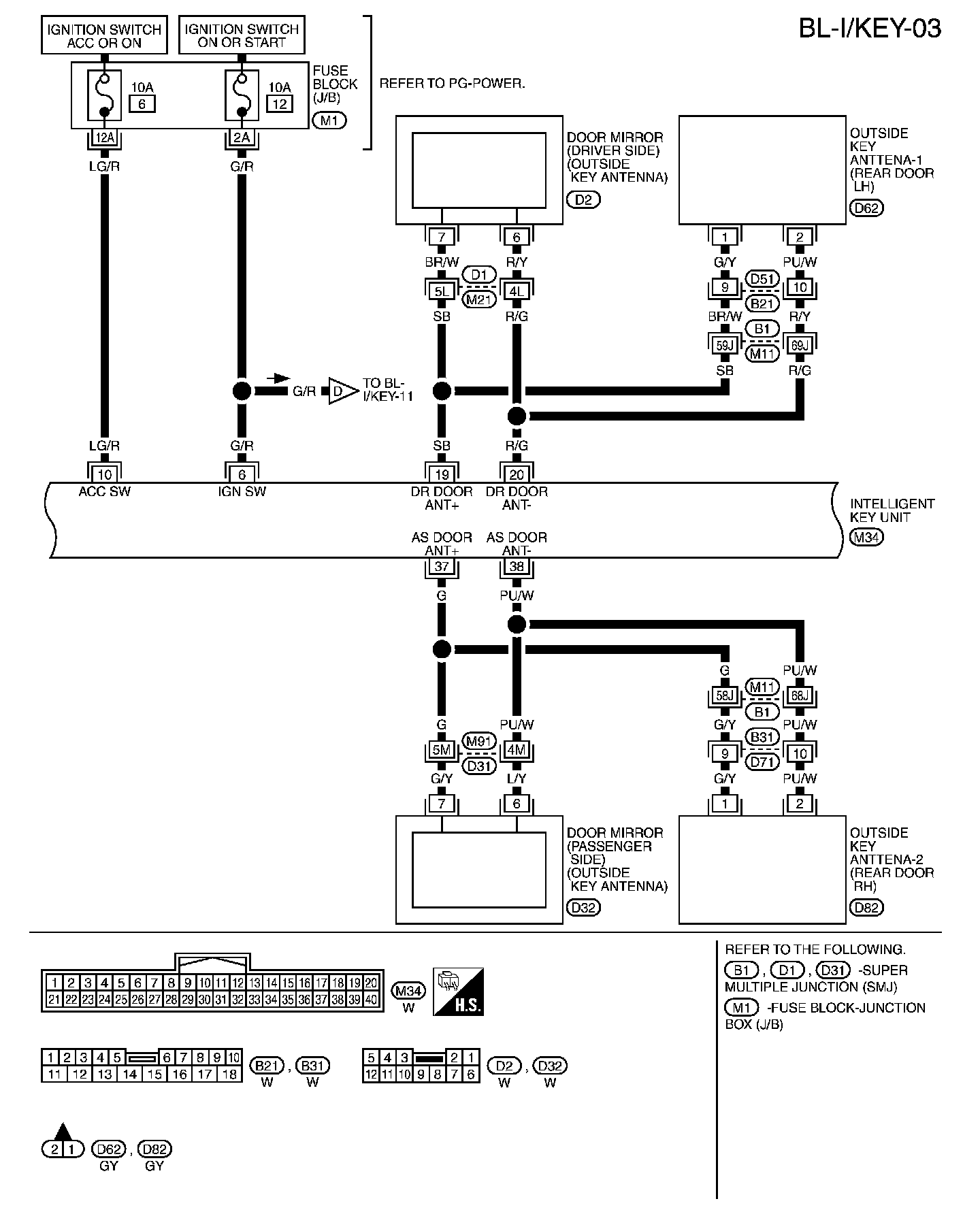
BL-I/KEY-03:




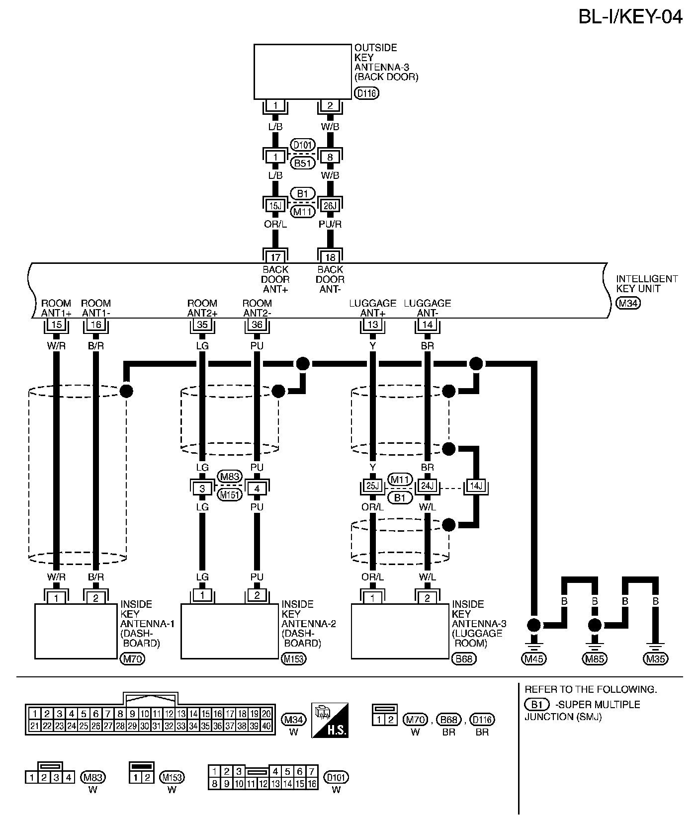
BL-I/KEY-04:




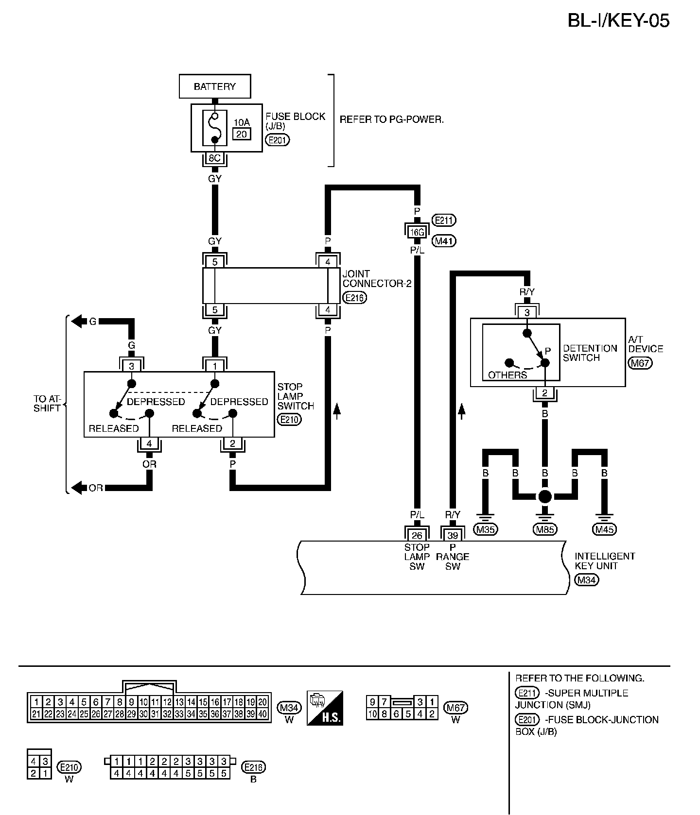
BL-I/KEY-05:




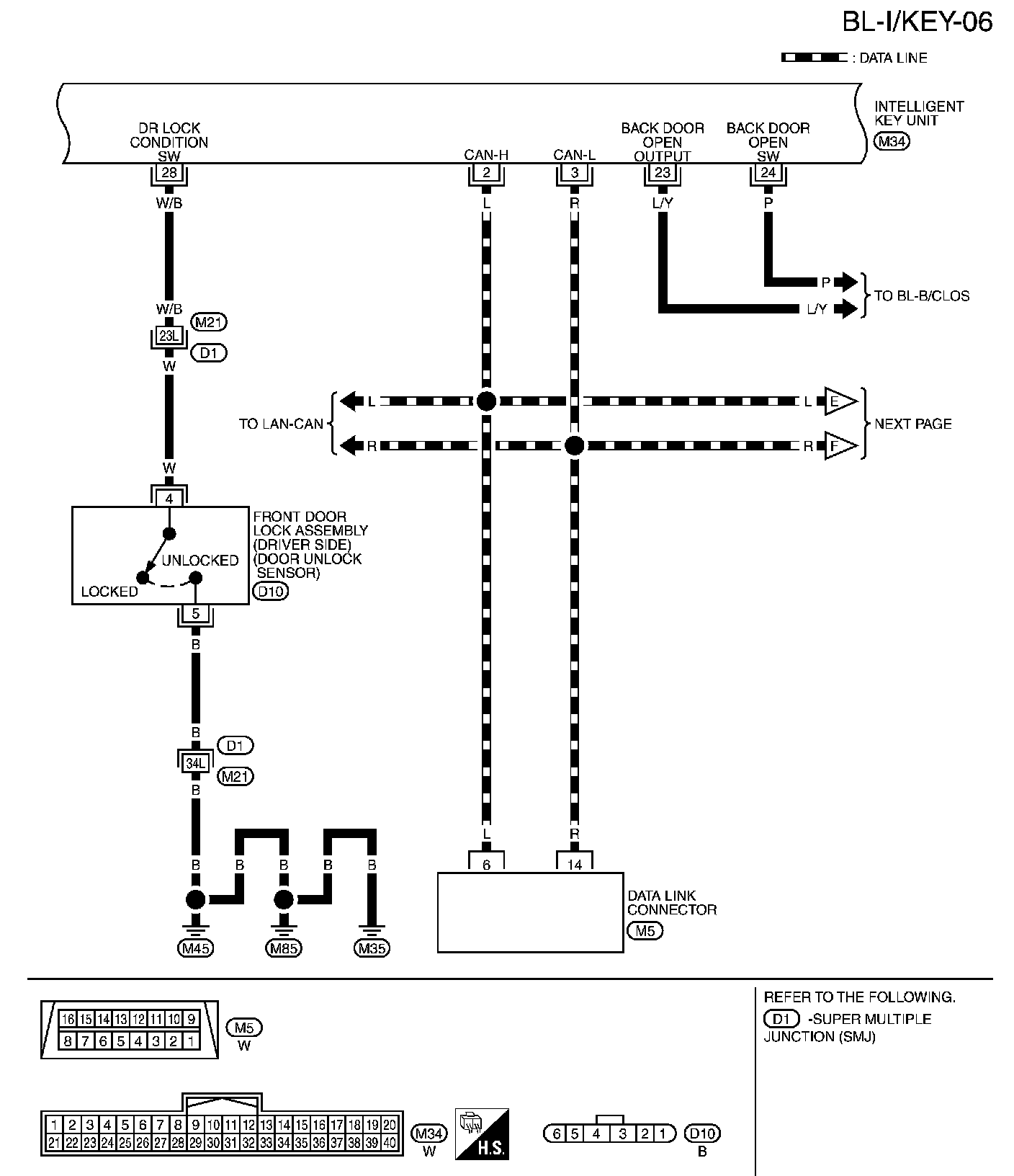
BL-I/KEY-06:




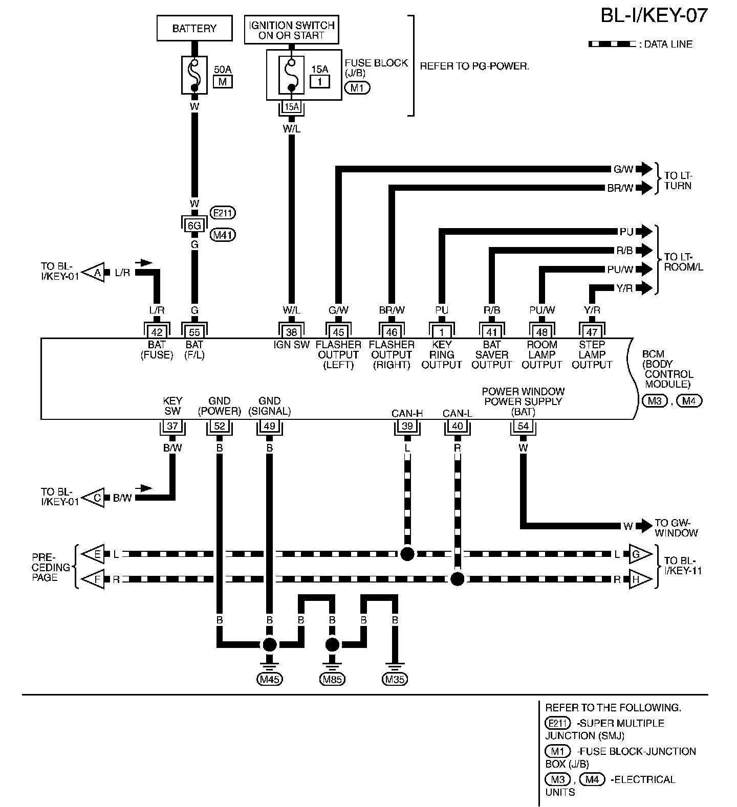
BL-I/KEY-07:




BL-I/KEY-08:




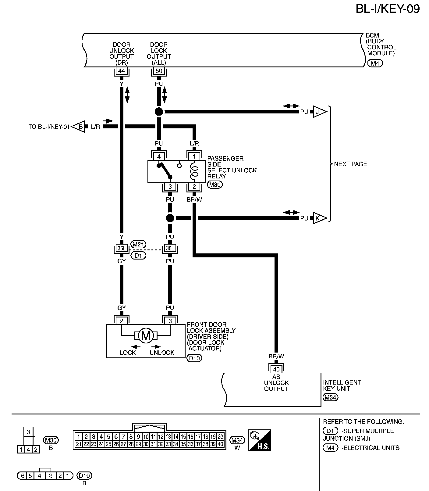
BL-I/KEY-09:




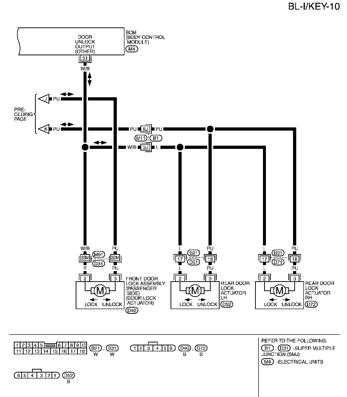
BL-I/KEY-10:




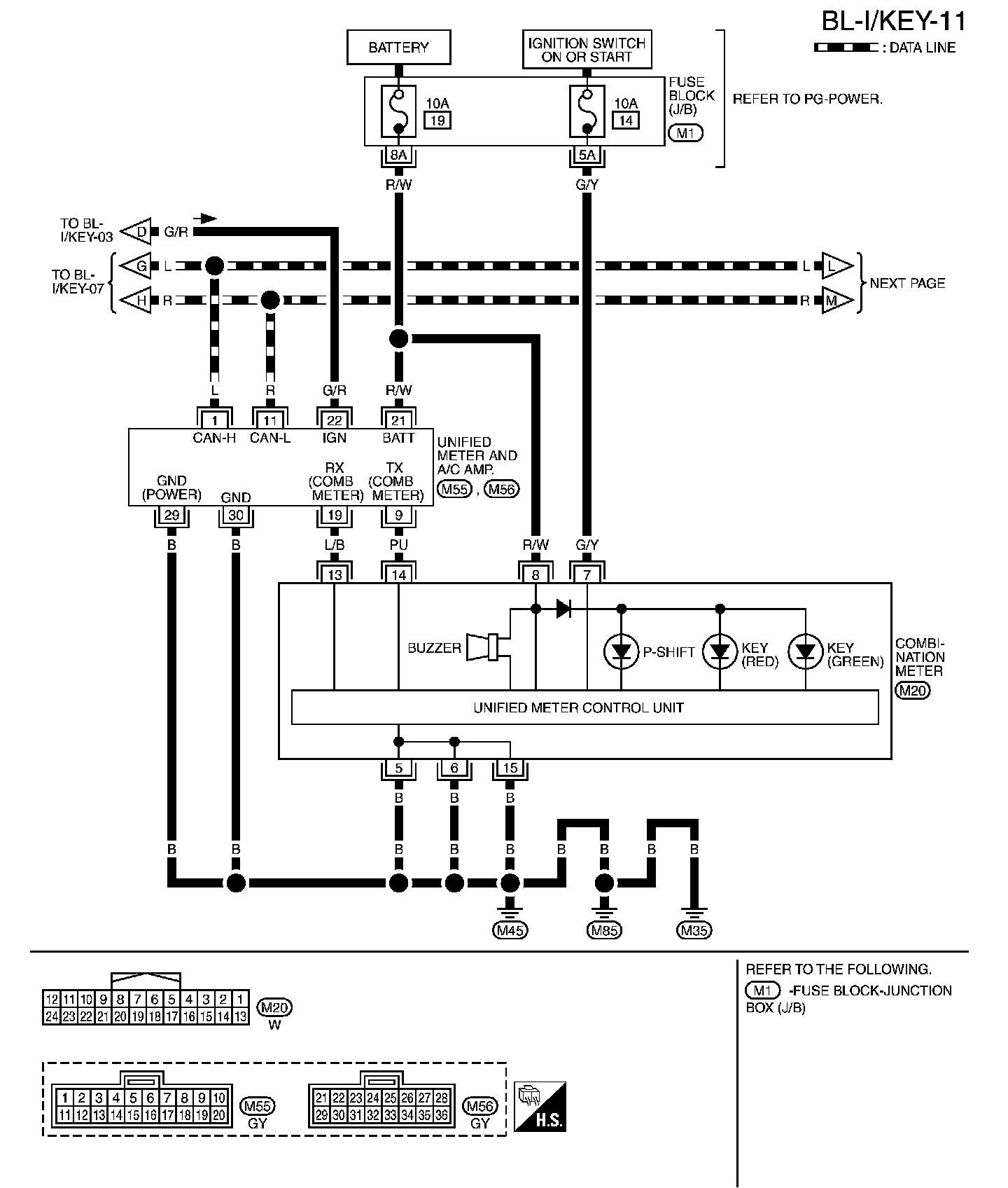
BL-I/KEY-11:




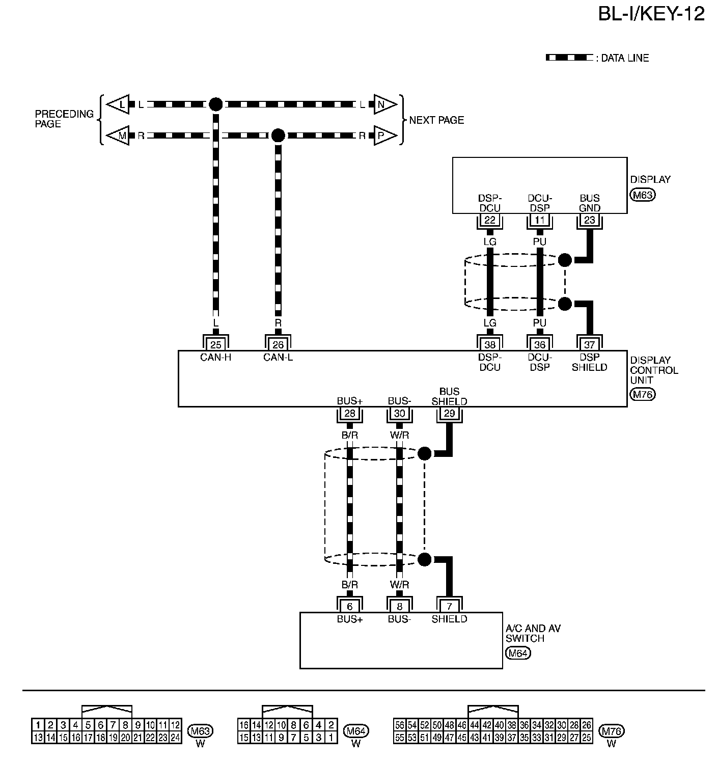
BL-I/KEY-12:




BL-I/KEY-13:







Diagrams: Other diagrams referred to by name within these diagrams can be found at Diagrams by Diagram Name. Diagrams By Diagram Name