Operation CHARM: Car repair manuals for everyone.
Manuals through 2025 now available!

Our trusted friends have launched a new website named LEMON, which has newer manuals. It also contains all the CHARM manuals.

LEMON is the spiritual successor to CHARM, I recommend you try it!

Link: lemon-manuals.la or lemon-manuals.org.ua

(Some people have issue connecting. LEMON is investigating. For now, use Firefox or change your DNS server)

Or, hide this message: temporarily or permanently

Air Flow Meter/Sensor: Service and Repair

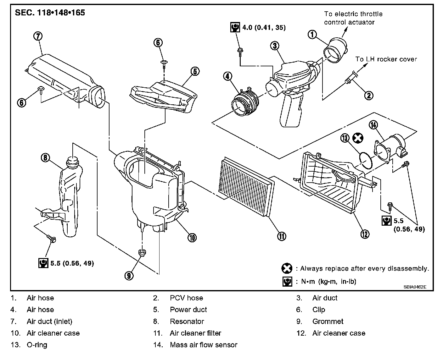
AIR CLEANER AND AIR DUCT





Components

Removal and Installation
REMOVAL
1. Remove engine cover with power tool.
^ This work is unnecessary when parts located forward of mass air flow sensor are removed/installed.
2. Remove air duct (inlet) and power duct.
3. Disconnect mass air flow sensor harness connector.
4. Disconnect PCV hose.
5. Remove air cleaner case/mass air flow sensor and air duct disconnecting their joints.
^ Add marks as necessary for easier installation.
6. Remove mass air flow sensor from air cleaner case.

CAUTION: Handle mass air flow sensor with the following cares.
^ Do not shock it.
^ Do not disassemble it.
^ Do not touch its sensor.

7. Remove resonator in fender, lifting left fender protector.

INSPECTION AFTER REMOVAL
Inspect air hoses for cracks or tear.
If anything found replace air hose.

INSTALLATION
Note the following, and install in the reverse order of removal.
^ Align marks. Attach each joint. Screw clamps firmly.
^ To position air cleaner case.