Operation CHARM: Car repair manuals for everyone.
Manuals through 2025 now available!

Our trusted friends have launched a new website named LEMON, which has newer manuals. It also contains all the CHARM manuals.

LEMON is the spiritual successor to CHARM, I recommend you try it!

Link: lemon-manuals.la or lemon-manuals.org.ua

(Some people have issue connecting. LEMON is investigating. For now, use Firefox or change your DNS server)

Or, hide this message: temporarily or permanently

CONSULT-II Checking System

CONSULT-II CHECKING SYSTEM

Description
- CONSULT-II is a hand-held type tester. When it is connected with a diagnostic connector equipped on the vehicle side, it will communicate with the control unit equipped in the vehicle and then enable various kinds of diagnostic tests.
- Refer to "CONSULT-II Software Operation Manual" for more information.




Function and System Application

NOTE: This item is indicated, but it is what it does not use.

Nickel Metal Hydride Battery Replacement
CONSULT-II contains a nickel metal hydride battery. When replacing the battery obey the following:

WARNING:
Replace the nickel metal hydride battery with Genuine CONSULT-II battery only. Use of another battery may present a risk of fire or explosion. The battery may present a fire or chemical burn hazard if mistreated. Do not recharge, disassemble or dispose of in fire.
Keep the battery out of reach of children and discard used battery conforming to the local regulations.





Checking Equipment

NOTE:
- The CONSULT-II must be used in conjunction with a program card. CONSULT-II does not require loading (Initialization) procedure.
- Be sure the CONSULT-II is turned off before installing or removing a program card.

CAUTION:
- If CONSULT-II is used with no connection of CONSULT-II CONVERTER, malfunctions might be detected in self-diagnosis depending on control unit which carry out CAN communication.
- If CONVERTER is not connected with CONSULT-II, vehicle occur the "FAIL SAFE MODE" which is "LIGHT UP the HEAD LIGHT" and/or "COOLING FAN ROTATING" when CONSULT-II is started.
- Previous CONSULT-II "I" and "Y" DLC-I and DLC-II cables should NOT be used anymore because their DDL connector pins can be damaged during cable swapping.

CONSULT-II Start Procedure

NOTE: Turning ignition switch off when performing CAN diagnosis could cause CAN memory to be erased.




1. Connect CONSULT-II and CONSULT-II CONVERTER to the data link connector.
2. If necessary, turn on the ignition switch.




3. Touch "START (NISSAN BASED VHCL)" or "System Shortcut" (eg: ENGINE) on the screen.

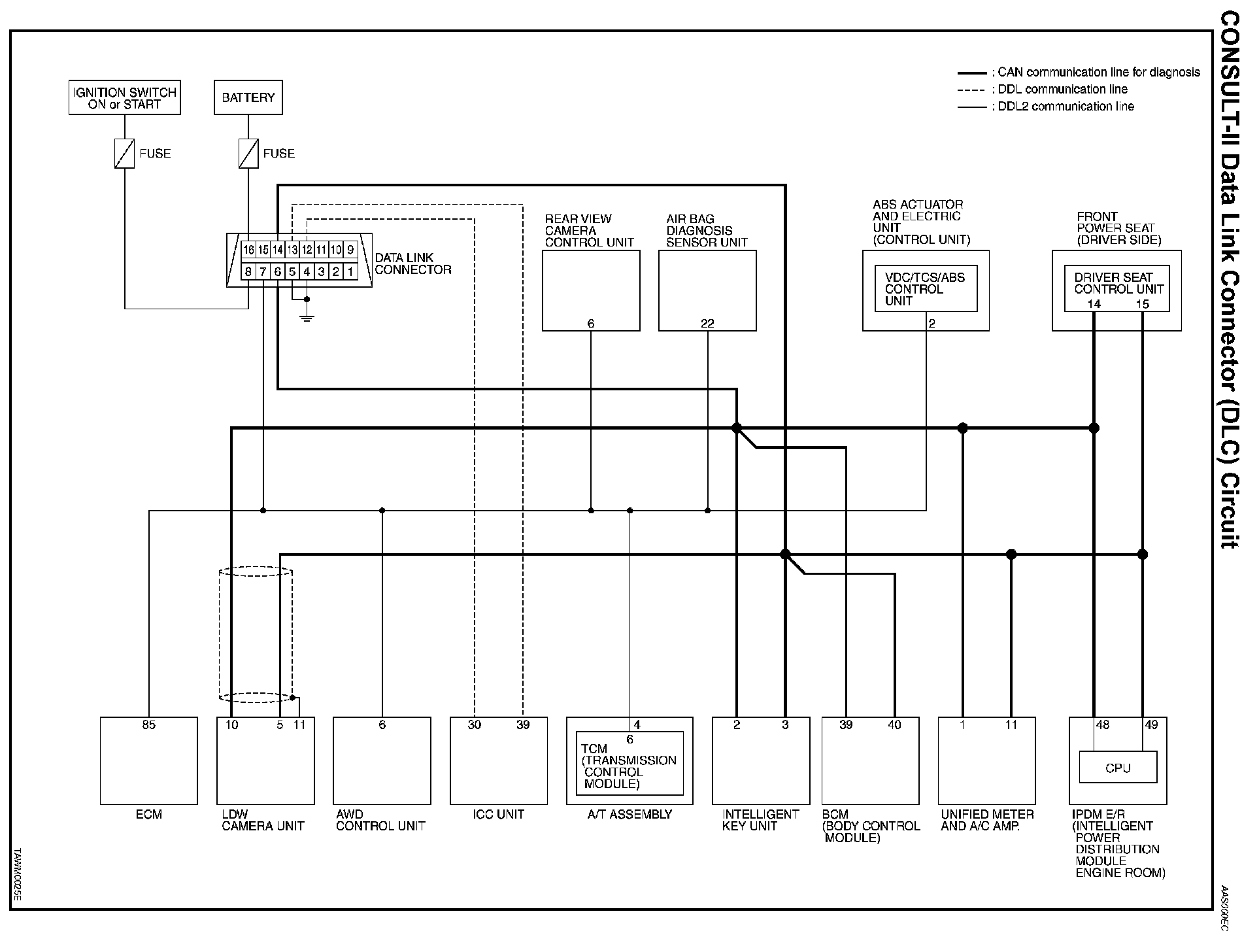
CONSULT-II Data Link Connector (DLC) Circuit:




CONSULT-II Data Link Connector (DLC) Circuit




INSPECTION PROCEDURE

NOTE: The DDL1 and DDL2 circuits from DLC pins 12, 13, 14 and 15 may be connected to more than one system. A short in a DDL circuit connected to a control unit in one system may affect CONSULT-II access to other systems.