How to Read Wiring Diagrams
How to Read Wiring DiagramsCONNECTOR SYMBOLS
Most of connector symbols in wiring diagrams are shown from the terminal side.
- Connector symbols shown from the terminal side are enclosed by a single line and followed by the direction mark.
- Connector symbols shown from the harness side are enclosed by a double line and followed by the direction mark.
- Certain systems and components, especially those related to OBD, may use a new style slide-locking type harness connector. For description and how to disconnect, refer to "Description", "HARNESS CONNECTOR".
- Male and female terminals
Connector guides for male terminals are shown in black and female terminals in white in wiring diagrams.
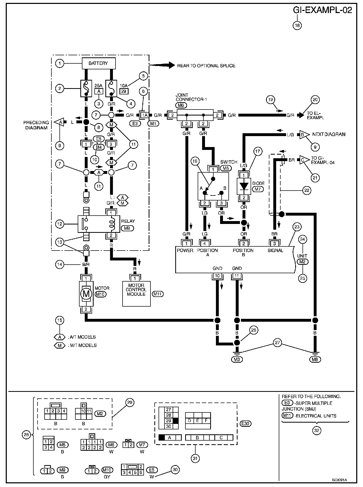
GI-EXAMPL-02:
SAMPLE/WIRING DIAGRAM - EXAMPL -
- For detail, refer to following "DESCRIPTION".
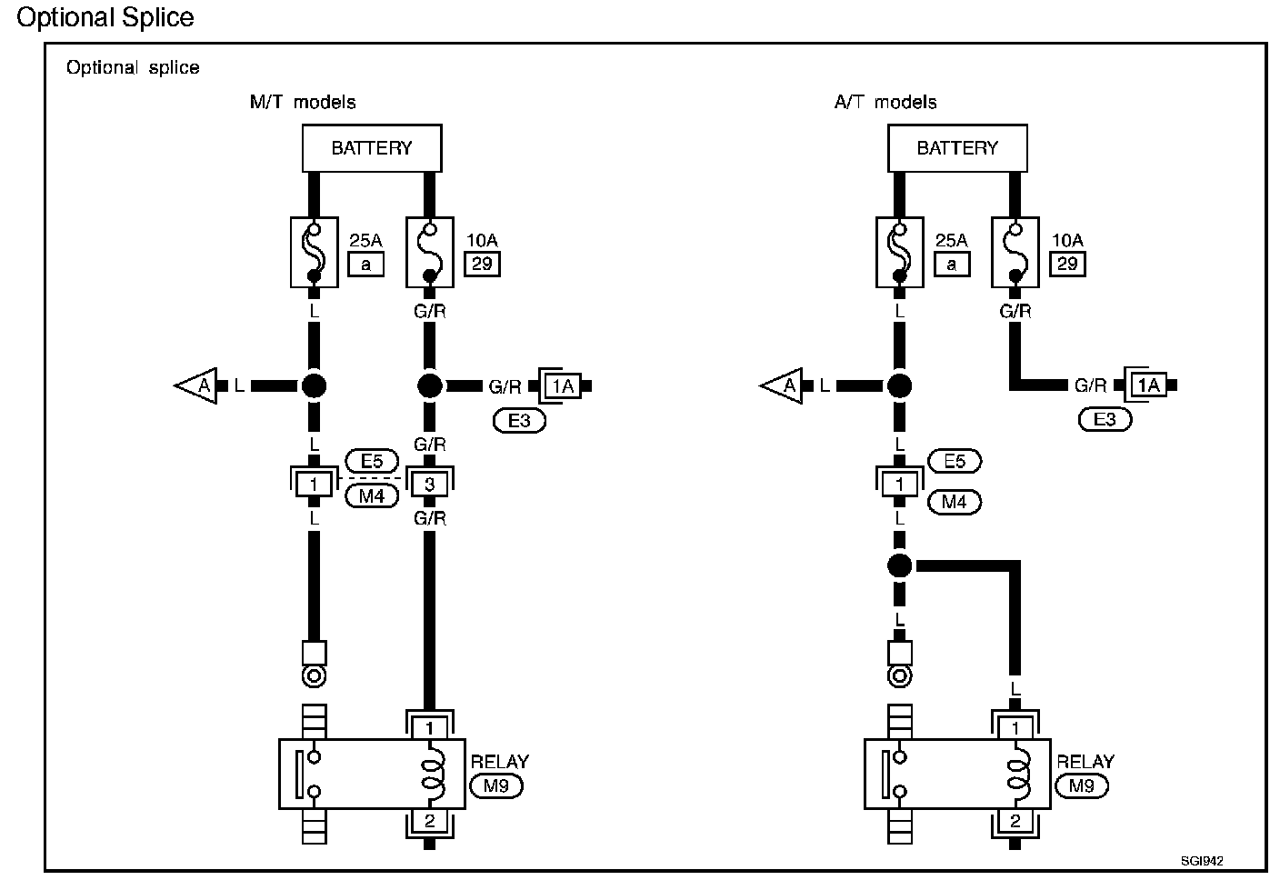
OPTIONAL SPLICE
Part 1:
Part 2:
DESCRIPTION
Harness Indication
- Letter designations next to test meter probe indicate harness (connector) wire color.
- Connector numbers in a single circle M33 indicate harness connectors.
Component Indication
Connector numbers in a double circle F211 indicate component connectors.
Switch Positions
Switches are shown in wiring diagrams as if the vehicle is in the "normal" condition. A vehicle is in the "normal" condition when:
- ignition switch is "OFF",
- doors, hood and trunk lid/back door are closed,
- pedals are not depressed, and
- parking brake is released.
Detectable Lines and Non-Detectable Lines
In some wiring diagrams, two kinds of lines, representing wires, with different weight are used.
- A line with regular weight (wider line) represents a "detectable line for DTC (Diagnostic Trouble Code)". A "detectable line for DTC" is a circuit in which ECM can detect its malfunctions with the on board diagnostic system.
- A line with less weight (thinner line) represents a "non-detectable line for DTC". A "non-detectable line for DTC" is a circuit in which ECM cannot detect its malfunctions with the on board diagnostic system.
Multiple Switch
The continuity of multiple switch is described in two ways as shown below.
- The switch chart is used in schematic diagrams.
- The switch diagram is used in wiring diagrams.
Reference Area
The Reference Area of the wiring diagram contains references to additional electrical reference. If connector numbers and titles are shown in the Reference Area of the wiring diagram, these connector symbols are not shown in the Connector Area.
Abbreviations