Operation CHARM: Car repair manuals for everyone.
Manuals through 2025 now available!

Our trusted friends have launched a new website named LEMON, which has newer manuals. It also contains all the CHARM manuals.

LEMON is the spiritual successor to CHARM, I recommend you try it!

Link: lemon-manuals.la or lemon-manuals.org.ua

(Some people have issue connecting. LEMON is investigating. For now, use Firefox or change your DNS server)

Or, hide this message: temporarily or permanently

Body Control Module: Description and Operation

BCM (BODY CONTROL MODULE)

System Description
BCM (Body Control Module) controls the operation of various electrical units installed on the vehicle.

BCM FUNCTION
BCM has combination switch reading function for reading the operation of combination switches (light, wiper, washer and turn signal) in addition to a function for controlling the operation of various electrical components.

Also it has an interface function allowing it to receive signals from the unified meter and A/C amp., and send signals to ECM using CAN communication.

COMBINATION SWITCH READING FUNCTION

Description
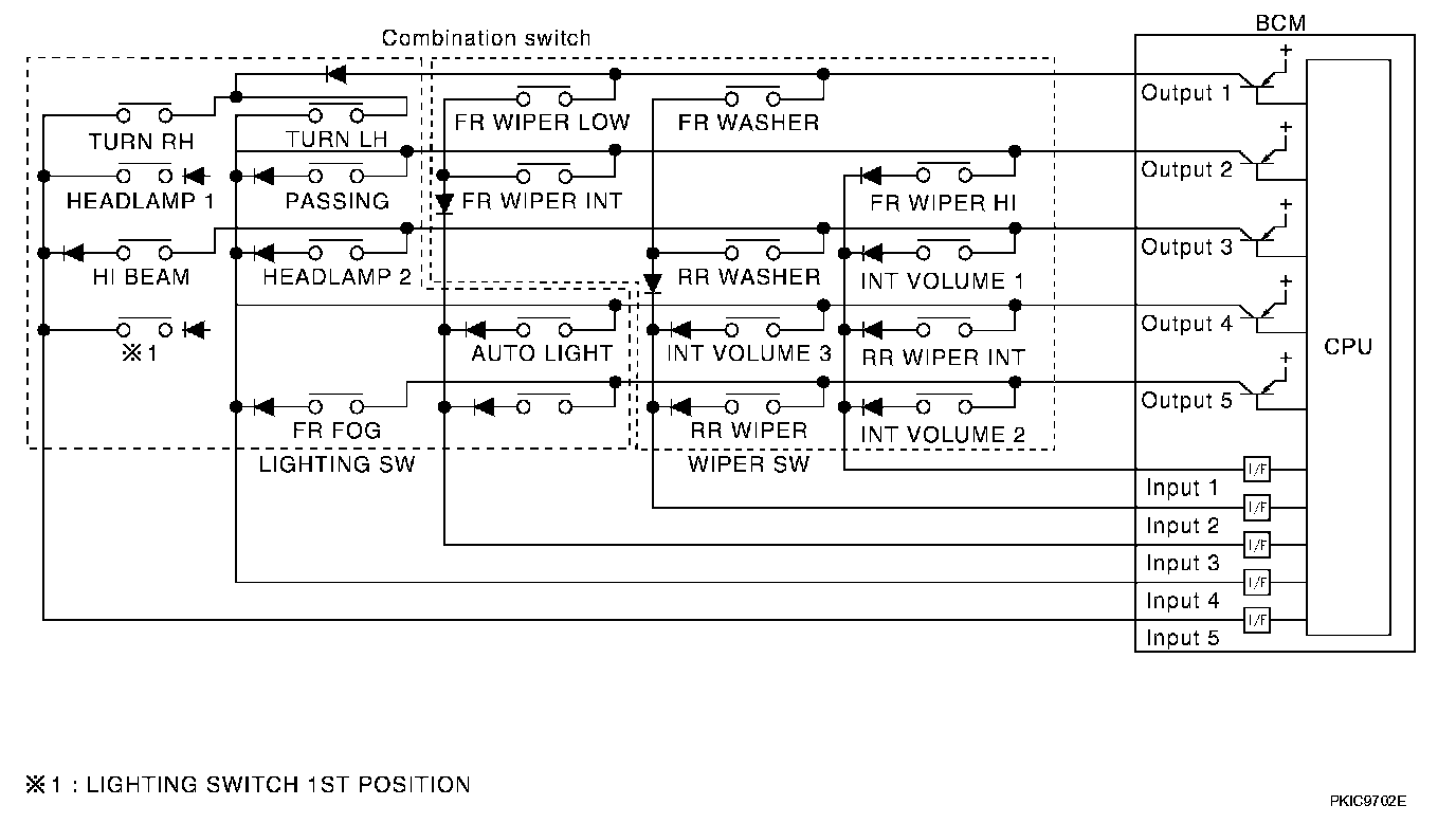
- BCM reads combination switch (lighting switch, wiper switch) status, and controls various electrical component according to the result.
- BCM reads information of a maximum of 20 switches by combining five output terminals (OUTPUT 1-5) and five input terminals (INPUT 1-5).




Operation Description
- BCM activates transistors of output terminals (OUTPUT 1-5) periodically, and allows current to flow in turn.
- If any (1 or more) switches are turned ON, circuit of output terminals (OUTPUT 1-5) and input terminals (INPUT 1-5) becomes active.
- At this time, transistors of output terminals (OUTPUT 1-5) are activated to allow current to flow. When voltage of input terminals (INPUT 1-5) corresponding to that switch changes, interface in BCM detects voltage change, and BCM determines that switch is ON.




Operation Table Of BCM and Combination Switches
BCM reads operation status of combination switch using combinations shown in table.

NOTE: Headlamp system has a dual switch.




Sample Operation: (When Lighting Switch 1ST Position Turned ON)
- When lighting switch 1ST position is turned ON, contact in combination switch turns ON. At this time if OUTPUT 4 transistor is activated, BCM detects that voltage changes in INPUT 5.
- When OUTPUT 4 transistor is ON, BCM detects that voltage changes in INPUT 5, and judges that lighting switch 1ST position is ON. Then BCM sends tail lamp and clearance lamp request signal to IPDM E/R using CAN communication.
- When OUTPUT 4 transistor is activated again, BCM detects that voltage changes in INPUT 5, and recognizes that lighting switch 1ST position is continuously ON.

NOTE: Each OUTPUT terminal transistor is activated at 10 ms intervals. Therefore after switch is turned ON, electrical loads are activated with time delay. But this time delay is so short that it cannot be detected by human senses.

Operation Mode
Combination switch reading function has operation modes shown below.

1. Normal status
When BCM is not in sleep status, OUTPUT terminals (1-5) send out ON signal every 10 ms.




2. Sleep status
When BCM is in sleep status, transistors of OUTPUT 1 and 5 stop the output, and BCM enters low power mode. Mean while OUTPUT 2, 3, and 4 send out ON signal every 60 ms, and accept input from lighting switch system.

CAN COMMUNICATION CONTROL
CAN communication allows a high rate of information transmission through the two communication lines (CAN L line, CAN H line) connecting the various control units in the system. Each control unit transmits/receives data but selectively reads required data only. For details of signals that are transmitted/received by BCM via CAN communication, refer to LAN-32, "CAN Communication Unit". Description and Operation

BCM STATUS CONTROL
BCM changes its status depending on the operation status in order to save power consumption.
1. CAN communication status
- With ignition switch ON, CAN communicates with other control units normally.
- Control by BCM is being operated properly.
- When ignition switch is OFF, switching to sleep mode is possible.
- Even when ignition switch is OFF, if CAN communication with IPDM E/R and combination meter is active, CAN communication status is active.

2. Sleep transient status
- This status shuts down CAN communication when ignition switch is turned OFF.
- It transmits sleep request signal to IPDM E/R and combination meter.
- Two seconds after CAN communication of all control units stops, sleep transient status is switched to CAN communication inactive status.

3. CAN communication inactive status
- With ignition switch OFF, CAN communication is not active.
- With ignition switch OFF, control performed only by BCM is active.
- Three seconds after CAN communication of all control units stops, CAN communication inactive status is switched to sleep status.

4. Sleep status
- BCM is activated with low power mode.
- CAN communication is not active.
- When CAN communication operation is detected, it switches to CAN communication status.
- When a state of the following switches changes, it switches to CAN communication state.
- Key switch
- Hazard switch
- Door lock/unlock switch
- Front door switch (driver side, passenger side)
- Rear door switch (LH, RH)
- Back door opener switch
- Combination switch (passing, lighting switch 1ST position, front fog lamp)
- Key fob (lock/unlock signal)
- Key cylinder switch

- When control performed only by BCM is required by switch, it shifts to CAN communication inactive mode.
- Status of combination switch reading function is changed.




SYSTEMS CONTROLLED BY BCM DIRECTLY




SYSTEMS CONTROLLED BY BCM AND IPDM E/R




SYSTEMS CONTROLLED BY BCM AND COMBINATION METER




SYSTEMS CONTROLLED BY BCM AND INTELLIGENT KEY UNIT

Part 1:




Part 2:




MAJOR COMPONENTS AND CONTROL SYSTEM

CAN Communication Unit
Refer to LAN-32, "CAN Communication Unit". Description and Operation