Operation CHARM: Car repair manuals for everyone.
Manuals through 2025 now available!

Our trusted friends have launched a new website named LEMON, which has newer manuals. It also contains all the CHARM manuals.

LEMON is the spiritual successor to CHARM, I recommend you try it!

Link: lemon-manuals.la or lemon-manuals.org.ua

(Some people have issue connecting. LEMON is investigating. For now, use Firefox or change your DNS server)

Or, hide this message: temporarily or permanently

BL-ENG/ST

BL-ENG/ST-01:




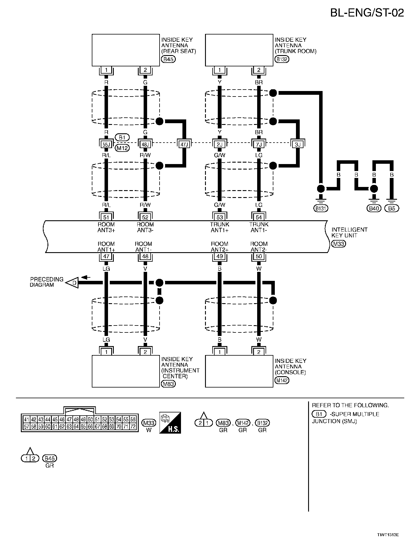
BL-ENG/ST-02:




BL-ENG/ST-03:




BL-ENG/ST-04:




BL-ENG/ST-06:




BL-ENG/ST-06:




BL-ENG/ST-07:




BL-ENG/ST-08:




BL-ENG/ST-09:






Diagrams: Other diagrams referred to by name within these diagrams can be found at Diagrams by Diagram Name. Diagrams By Diagram Name