Operation CHARM: Car repair manuals for everyone.
Manuals through 2025 now available!

Our trusted friends have launched a new website named LEMON, which has newer manuals. It also contains all the CHARM manuals.

LEMON is the spiritual successor to CHARM, I recommend you try it!

Link: lemon-manuals.la or lemon-manuals.org.ua

(Some people have issue connecting. LEMON is investigating. For now, use Firefox or change your DNS server)

Or, hide this message: temporarily or permanently

Compressor HVAC: Service and Repair




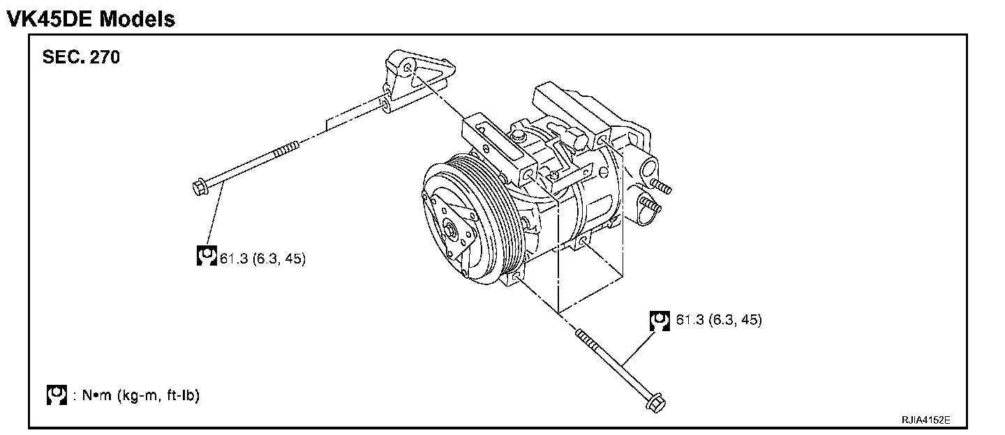
VK45DE Models

1. Use a refrigerant collecting equipment (for HFC-134a) to discharge the refrigerant.
2. Remove air cleaner and air duct.
3. Remove engine undercover, using power tools.

4. Remove mounting nut between low-pressure flexible hose and low-pressure pipe. Refer to "Removal and Installation of Low-pressure Flexible Hose and Pipe" .




5. Remove mounting nuts from low-pressure pipe and high-pressure flexible hose.

CAUTION: Cap or wrap the joint of the pipe with suitable material such as vinyl tape to avoid the entry of air.

6. Remove A/C compressor belt.




7. Disconnect compressor (magnet clutch and ECV) connectors.
8. Remove mounting bolts from compressor, using power tools.
9. Remove compressor downward of the vehicle.

INSTALLATION
Installation is basically the reverse order of removal.

CAUTION:
- Replace O-ring of low-pressure flexible hose, low-pressure pipe 1 (VK45DE) and high-pressure flexible hose with a new one, and then apply compressor oil to it when installing it.
- When recharging refrigerant, check for leaks.

Bolts mounting the idler pulley bracket (VQ35DE)

Tightening torque : 28.0 N.m (2.9 kg-m, 21 ft-lb)




CHECK DISC TO PULLEY CLEARANCE
Check clearance around entire periphery of clutch disc.

Disc to pulley clearance: 0.3 - 0.6 mm (0.012 - 0.024 in)

If specified clearance is not obtained, replace compressor.