Operation CHARM: Car repair manuals for everyone.
Manuals through 2025 now available!

Our trusted friends have launched a new website named LEMON, which has newer manuals. It also contains all the CHARM manuals.

LEMON is the spiritual successor to CHARM, I recommend you try it!

Link: lemon-manuals.la or lemon-manuals.org.ua

(Some people have issue connecting. LEMON is investigating. For now, use Firefox or change your DNS server)

Or, hide this message: temporarily or permanently

Intelligent Key System/Engine Start Function

INTELLIGENT KEY SYSTEM/ENGINE START FUNCTION

Wiring Diagram - INTELLIGENT KEY SYSTEM/ENGINE START FUNCTION -


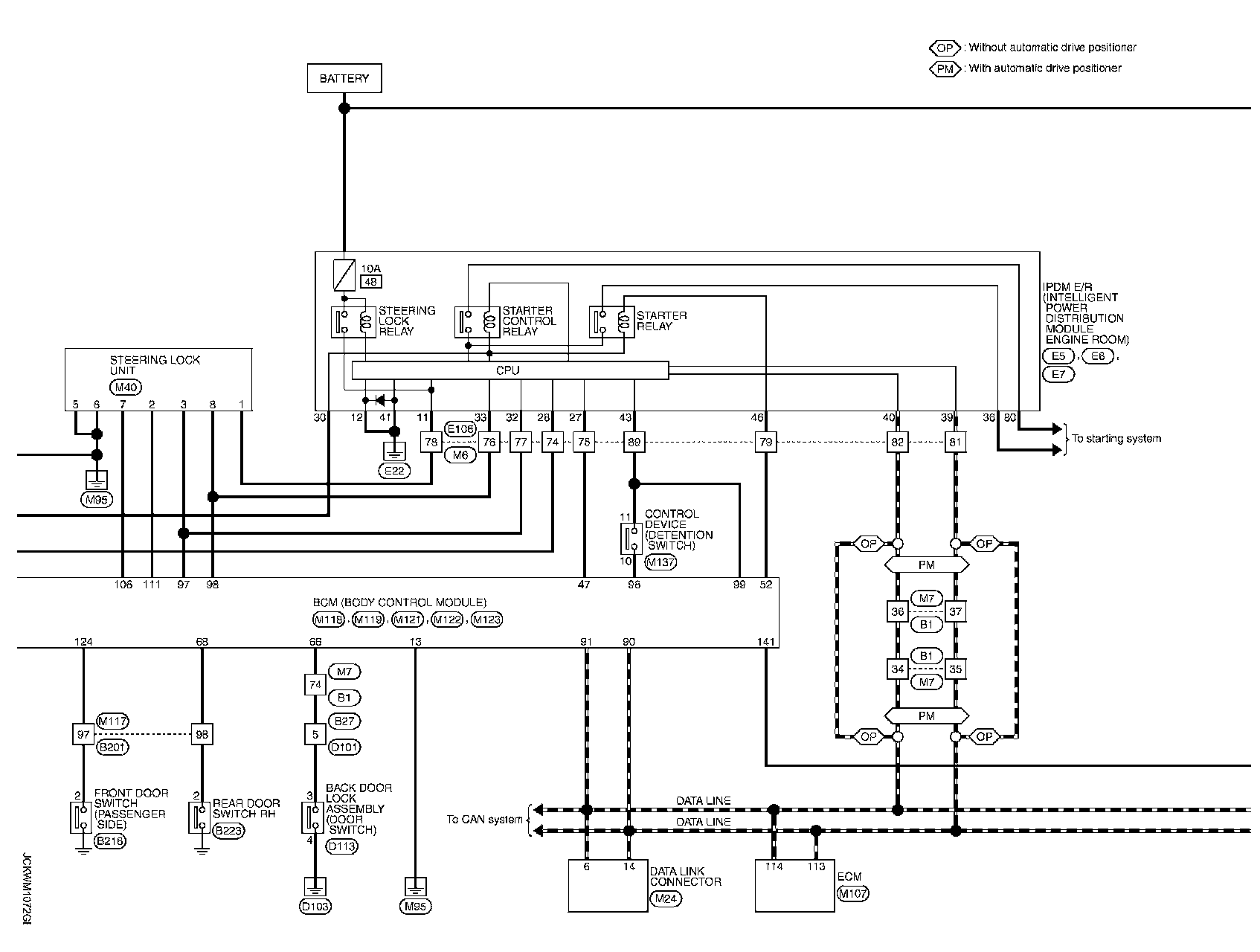
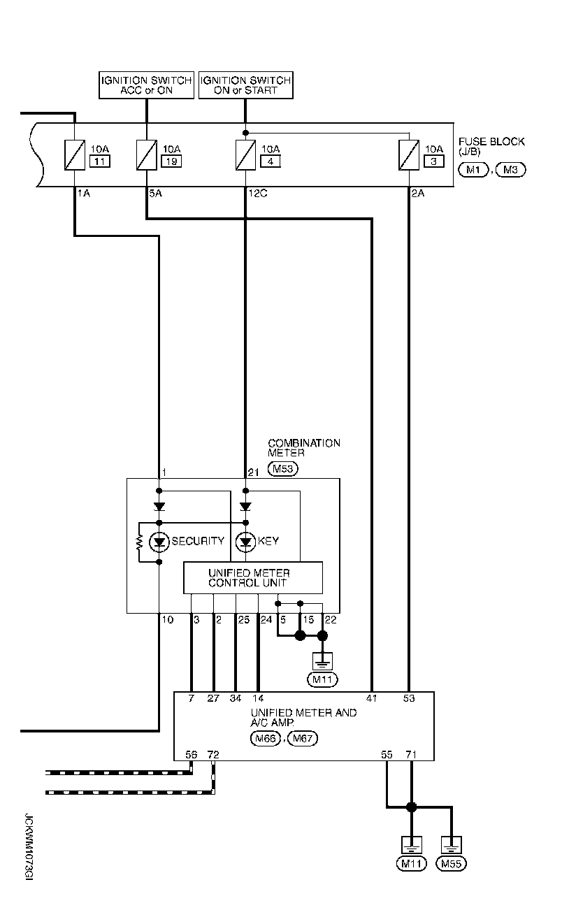
Wiring Diagram - Intelligent Key System/Engine Start Function - Part 1:




Wiring Diagram - Intelligent Key System/Engine Start Function - Part 2:




Wiring Diagram - Intelligent Key System/Engine Start Function - Part 3:




Wiring Diagram - Intelligent Key System/Engine Start Function - Part 4:




Wiring Diagram - Intelligent Key System/Engine Start Function - Part 5:




Wiring Diagram - Intelligent Key System/Engine Start Function - Part 6:




Wiring Diagram - Intelligent Key System/Engine Start Function - Part 7:




Wiring Diagram - Intelligent Key System/Engine Start Function - Part 8:




Wiring Diagram - Intelligent Key System/Engine Start Function - Part 9: