Operation CHARM: Car repair manuals for everyone.
Manuals through 2025 now available!

Our trusted friends have launched a new website named LEMON, which has newer manuals. It also contains all the CHARM manuals.

LEMON is the spiritual successor to CHARM, I recommend you try it!

Link: lemon-manuals.la or lemon-manuals.org.ua

(Some people have issue connecting. LEMON is investigating. For now, use Firefox or change your DNS server)

Or, hide this message: temporarily or permanently

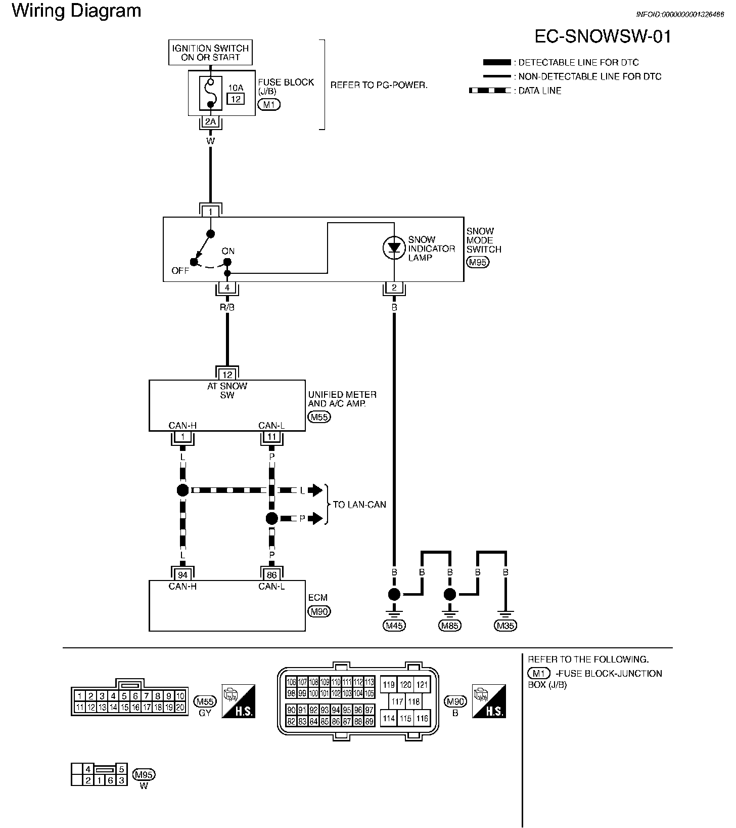
Snow Mode Switch

SNOW MODE SWITCH

Description
The snow mode switch signal is sent to the "unified meter and A/C amp." from the snow mode switch. The "unified meter and A/C amp." then sends the signal to the ECM by CAN communication line.

The snow mode is used for driving or starting the vehicle on snowy roads or slippery areas. If the snow mode is activated, the vehicle speed will not be accelerated immediately than your original pedal in due to avoid the vehicle slip. In other words, ECM controls the rapid engine torque change by controlling the electric throttle control actuator operating speed.

CONSULT-III Reference Value in Data Monitor Mode






Wiring Diagram

EC-SNOWSW-01:






Diagrams: Other diagrams referred to by name within these diagrams can be found at Diagrams By Diagram Name. Diagrams By Diagram Name

Diagnosis Procedure

Step 1:




Step 1 (Continued)-6:




Step 6 (Continued)-10:






Component Inspection

SNOW MODE SWITCH




1. Check continuity between snow mode switch terminals 1 and 4 under the following conditions.
If NG, replace snow mode switch.
If OK, go to following step.




2. Check continuity between snow mode switch terminals 2 and 4 under the following conditions.
If NG, replace snow mode switch.