Operation CHARM: Car repair manuals for everyone.
Manuals through 2025 now available!

Our trusted friends have launched a new website named LEMON, which has newer manuals. It also contains all the CHARM manuals.

LEMON is the spiritual successor to CHARM, I recommend you try it!

Link: lemon-manuals.la or lemon-manuals.org.ua

(Some people have issue connecting. LEMON is investigating. For now, use Firefox or change your DNS server)

Or, hide this message: temporarily or permanently

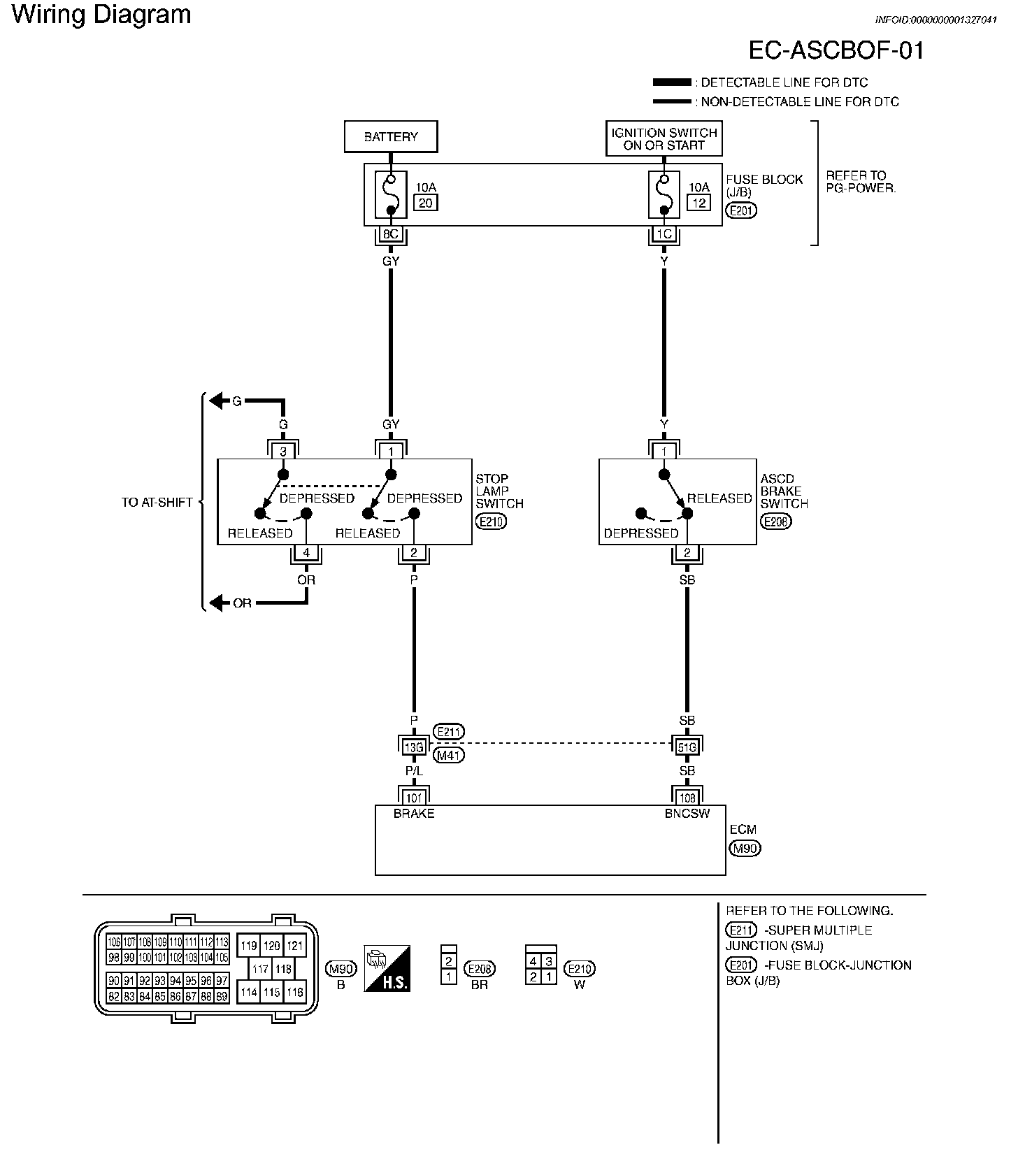
ASCD Brake Switch

ASCD BRAKE SWITCH

Component Description




When the brake pedal is depressed, ASCD brake switch is turned OFF and stop lamp switch is turned ON. ECM detects the state of the brake pedal by this input of two kinds (ON/OFF signal).
Refer to EC-615 for the ASCD function. Automatic Speed Control Device (ASCD)

CONSULT-III Reference Value in Data Monitor Mode






Wiring Diagram

EC-ASCBOF-01:









Diagrams: Other diagrams referred to by name within these diagrams can be found at Diagrams By Diagram Name. Diagrams By Diagram Name

Diagnosis Procedure

Step 1-2:




Step 2 (Continued)-7:






Component Inspection

ASCD BRAKE SWITCH
1. Turn ignition switch OFF.
2. Disconnect ASCD brake switch harness connector.




3. Check harness continuity between ASCD brake switch terminals 1 and 2 under the following conditions.
4. If NG, adjust ASCD brake switch installation, refer to BR-5, Adjustments and perform step 3 again.