Operation CHARM: Car repair manuals for everyone.
Manuals through 2025 now available!

Our trusted friends have launched a new website named LEMON, which has newer manuals. It also contains all the CHARM manuals.

LEMON is the spiritual successor to CHARM, I recommend you try it!

Link: lemon-manuals.la or lemon-manuals.org.ua

(Some people have issue connecting. LEMON is investigating. For now, use Firefox or change your DNS server)

Or, hide this message: temporarily or permanently

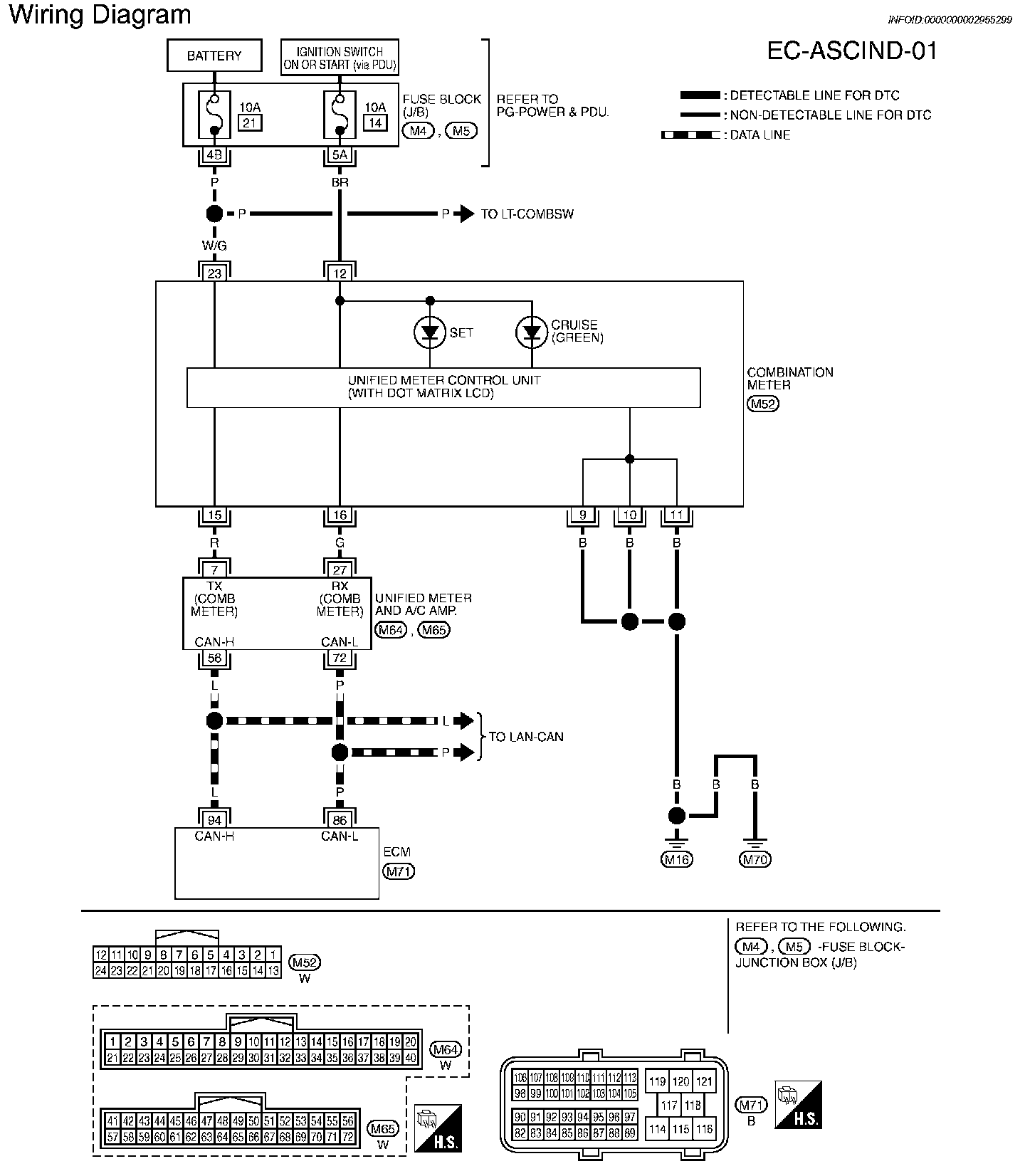
ASCD Indicator

ASCD INDICATOR

Component Description
ASCD indicator lamp illuminates to indicate ASCD operation status. Lamp has two indicators, CRUISE and SET, and is integrated in combination meter.

CRUISE lamp illuminates when MAIN switch on ASCD steering switch is turned ON to indicated that ASCD system is ready for operation.

SET lamp illuminates when following conditions are met.
- CRUISE lamp is illuminated.
- SET/COAST switch on ASCD steering switch is turned ON while vehicle speed is within the range of ASCD setting.

SET lamp remains lit during ASCD control.
Refer to EC-651, "System Description" for the ASCD function. Automatic Speed Control Device (ASCD)

CONSULT-III Reference Value in Data Monitor Mode






Wiring Diagram

EC-ASCIND-01:






Diagrams: Other diagrams referred to by name within these diagrams can be found at Diagrams By Diagram Name. Diagrams By Diagram Name

Diagnosis Procedure

Step 1:




Step 1 (Continued)-4: