Operation CHARM: Car repair manuals for everyone.
Manuals through 2025 now available!

Our trusted friends have launched a new website named LEMON, which has newer manuals. It also contains all the CHARM manuals.

LEMON is the spiritual successor to CHARM, I recommend you try it!

Link: lemon-manuals.la or lemon-manuals.org.ua

(Some people have issue connecting. LEMON is investigating. For now, use Firefox or change your DNS server)

Or, hide this message: temporarily or permanently

Transmission Pan

Transmission Pan

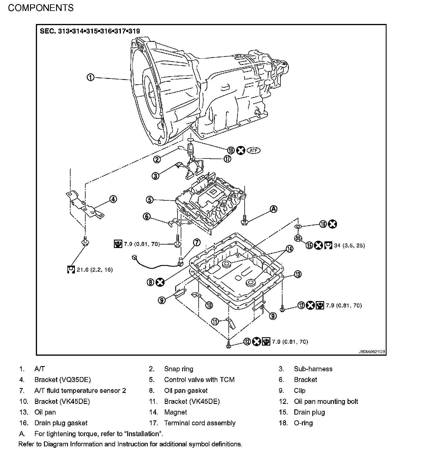
AT-210 COMPONENTS:








Tighten oil pan mounting bolts to the specified torque in numerical order shown in the figure after temporarily tightening them. Tighten oil pan mounting bolts to the specified torque. Refer to "COMPONENTS".