Operation CHARM: Car repair manuals for everyone.
Manuals through 2025 now available!

Our trusted friends have launched a new website named LEMON, which has newer manuals. It also contains all the CHARM manuals.

LEMON is the spiritual successor to CHARM, I recommend you try it!

Link: lemon-manuals.la or lemon-manuals.org.ua

(Some people have issue connecting. LEMON is investigating. For now, use Firefox or change your DNS server)

Or, hide this message: temporarily or permanently

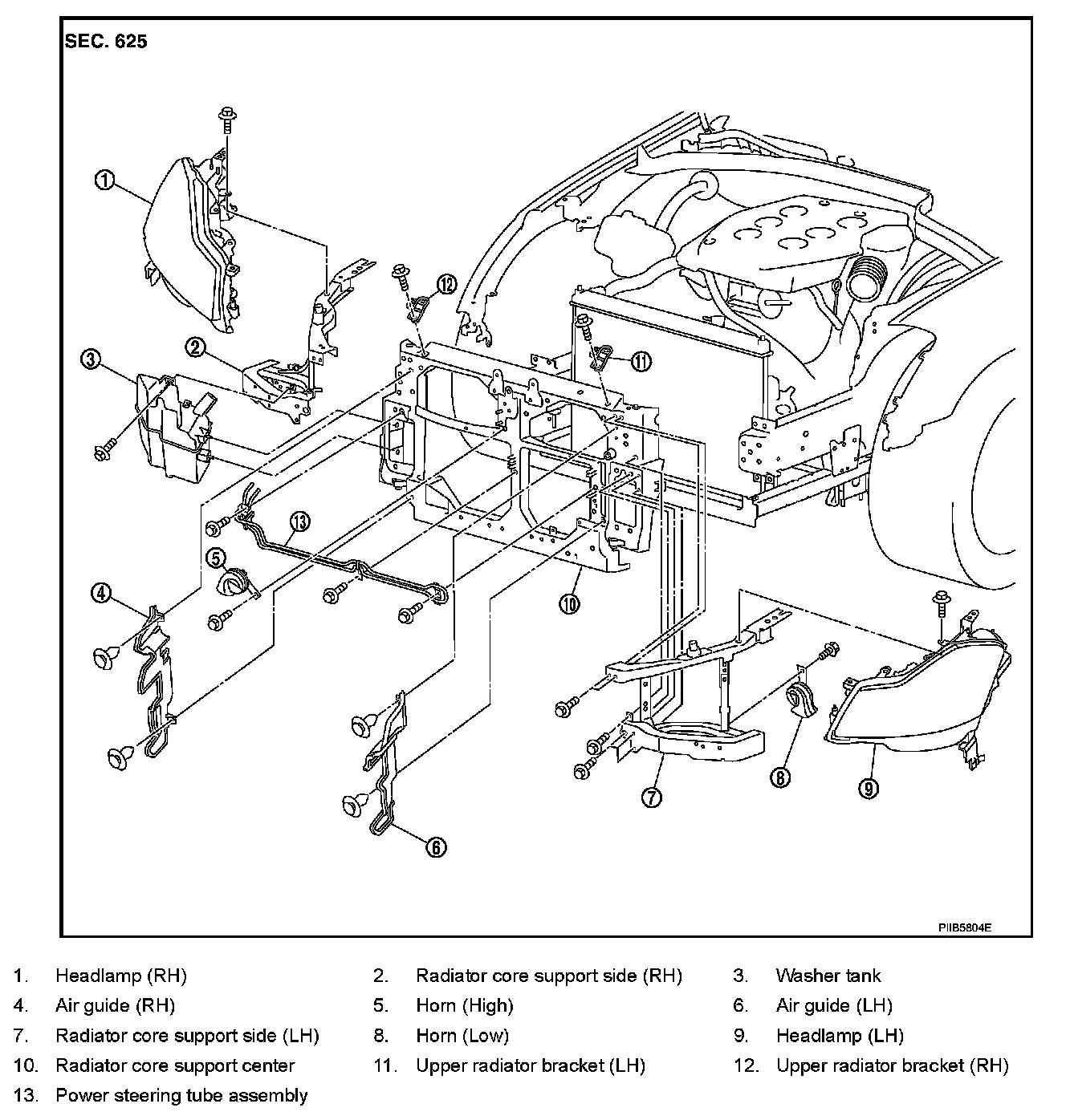
Radiator Support: Service and Repair





RADIATOR CORE SUPPORT





Removal and Installation







REMOVAL
1. Remove air duct. Refer to Removal and Installation (VQ35HR models) or Removal and Installation (VK45DE models).
2. Remove front bumper and bumper reinforcement. Refer to Standard Type (STANDARD TYPE) or Sports Type (SPORTS TYPE).
3. Remove headlamp (LH/RH). Refer to Removal and Installation (FOR USA)
4. Remove hood lock assembly, then remove hood lock cable. Refer to Service and Repair.
5. Remove washer tank. Refer to Service and Repair.
6. Remove ambient sensor. Refer to Service and Repair.
7. Remove crash zone sensor. Refer to Crash Zone Sensor.
8. Remove air guide (LH/RH).
9. Remove power steering tube assembly. Refer to Service and Repair.
10. Remove horn (High/Low). Refer to Service and Repair.
11. Remove mounting harness clip on radiator core support assembly, the harness is separate.
12. Remove ICC sensor integrated unit. Refer to ICC Sensor Integrated Unit.
13. Remove upper radiator bracket (LH/RH) with power tool.





14. Remove radiator core support side with power tool.
15. Remove radiator core support side (LH/RH) with power tool.





16. Remove radiator core support center.

CAUTION:
Put a wooden block under the radiator assembly to prevent the radiator assembly from falling.






INSTALLATION
Install in the reverse order of removal.