Operation CHARM: Car repair manuals for everyone.
Manuals through 2025 now available!

Our trusted friends have launched a new website named LEMON, which has newer manuals. It also contains all the CHARM manuals.

LEMON is the spiritual successor to CHARM, I recommend you try it!

Link: lemon-manuals.la or lemon-manuals.org.ua

(Some people have issue connecting. LEMON is investigating. For now, use Firefox or change your DNS server)

Or, hide this message: temporarily or permanently

System Specifications





CYLINDER BLOCK






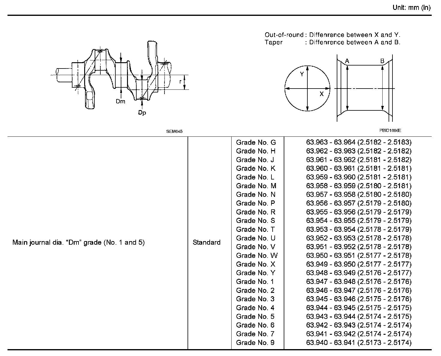
CRANKSHAFT











MAIN BEARING






Undersize






Main Bearing Oil Clearance






Main Bearing Cap Bolts





Bolts 1 to 10 39.2 Nm (4.0 kg-m, 29 ft-lb)
Sub bolts 11 to 20 29.4 Nm (3.0 kg-m, 22 ft-lb)
Bolts 1 to 10 Tighten 40°
Sub bolts 11 to 20 Tighten 30°
Side bolts 21 to 30 49 Nm (5.0 kg-m, 36 ft-lb)


Connecting Rod Bearing






Undersize






Connecting Rod Bearing Oil Clearance






Connecting rod bolts
Step 1 19.6 Nm (1.5 kg-m, 11 ft-lb)
Step 2 90° clockwise


Crankshaft pulley bolt torque
Step 1 93.1 Nm (9.5 kg-m, 69 ft-lb)
Step 2 additional 90° (angle tightening)