Operation CHARM: Car repair manuals for everyone.
Manuals through 2025 now available!

Our trusted friends have launched a new website named LEMON, which has newer manuals. It also contains all the CHARM manuals.

LEMON is the spiritual successor to CHARM, I recommend you try it!

Link: lemon-manuals.la or lemon-manuals.org.ua

(Some people have issue connecting. LEMON is investigating. For now, use Firefox or change your DNS server)

Or, hide this message: temporarily or permanently

Combination Switch Reading Function





BCM (BODY CONTROL MODULE)


Combination Switch Reading Function


OUTLINE
- BCM reads combination switch (lighting switch, wiper switch) status, and controls various electrical component according to the result.
- BCM reads information of a maximum of 20 switches by combining five output terminals (OUTPUT 1-5) and five input terminals (INPUT 1-5).

OPERATION DESCRIPTION
- BCM activates transistors of output terminals (OUTPUT 1-5) periodically, and allows current to flow in turn.
- If any (1 or more) switches are turned ON, circuit of output terminals (OUTPUT 1-5) and input terminals
(INPUT 1-5) becomes active.
- At this time, transistors of output terminals (OUTPUT 1-5) are activated to allow current to flow. When voltage of input terminals (INPUT 1-5) corresponding to that switch changes, interface in BCM detects voltage change, and BCM determines that switch is ON.






OPERATION TABLE OF BCM AND COMBINATION SWITCHES
BCM reads operation status of combination switch using combinations shown in table below.






NOTE:
Headlamp system has a dual switch.

SAMPLE OPERATION
- When lighting switch 1ST position is turned ON, contact in combination switch turns ON. At this time if OUTPUT 4 transistor is activated, BCM detects that voltage changes in INPUT 5.
- When OUTPUT 4 transistor is ON, BCM detects that voltage changes in INPUT 5, and judges that lighting switch 1ST position is ON. Then BCM sends tail lamp and clearance lamp request signal to IPDM E/R using
CAN communication.
- When OUTPUT 4 transistor is activated again, BCM detects that voltage changes in INPUT 5, and recognizes that lighting switch 1ST position is continuously ON.






NOTE:
Each OUTPUT terminal transistor is activated at 10 ms intervals. Therefore after switch is turned ON, electrical loads are activated with time delay. But this time delay is so short that it cannot be detected by human senses.

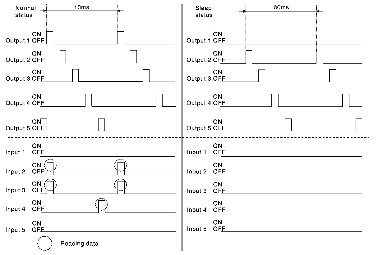
OPERATION MODE
Combination switch reading function has operation modes shown below.
1. Normal status
- When BCM is not in sleep status, OUTPUT terminals (1-5) send out ON signal every 10 ms.
2. Sleep status
- When BCM is in sleep status, transistors of OUTPUT 1 stop the output, and BCM enters low power mode. Mean while OUTPUT 2-5 send out ON signal every 60 ms, and accept only input from lighting switch (except turn signal switch) system.






WIPER DIAL POSITION SETTING
Front wiper intermittent operation delay interval is determined from a combination of 3 switches (intermittent operation dial position 1, 2, and 3) and vehicle speed signal.
After each intermittent operation delay interval, BCM sends front wiper request signal to IPDM E/R.





Example: For wiper dial position 1
Using combination switch reading function, BCM detects ON/OFF status of intermittent operation dial positions 1, 2, and 3.
When combination switch status is as listed below, BCM determines that it is wiper dial position 1.
- Intermittent operation dial position 1: ON (Continuity exists between combination switch output 3 and input
1. )
- Intermittent operation dial position 2: ON (Continuity exists between combination switch output 5 and input
1. )
- Intermittent operation dial position 3: ON (Continuity exists between combination switch output 4 and input
2. )
BCM determines front wiper intermittent operation delay interval from wiper dial position and vehicle speed, and sends wiper request signal (INT) to IPDM E/R.