Operation CHARM: Car repair manuals for everyone.
Manuals through 2025 now available!

Our trusted friends have launched a new website named LEMON, which has newer manuals. It also contains all the CHARM manuals.

LEMON is the spiritual successor to CHARM, I recommend you try it!

Link: lemon-manuals.la or lemon-manuals.org.ua

(Some people have issue connecting. LEMON is investigating. For now, use Firefox or change your DNS server)

Or, hide this message: temporarily or permanently

Shift Mechanism





A/T CONTROL SYSTEM


Shift Mechanism

The automatic transmission uses compact triple planetary gear systems to improve power-transmission efficiency, simplify construction and reduce weight.
It also employs an optimum shift control and super wide gear ratios. They improve starting performance and acceleration during medium and high-speed operation.

CONSTRUCTION











FUNCTION OF CLUTCH AND BRAKE






CLUTCH AND BAND CHART











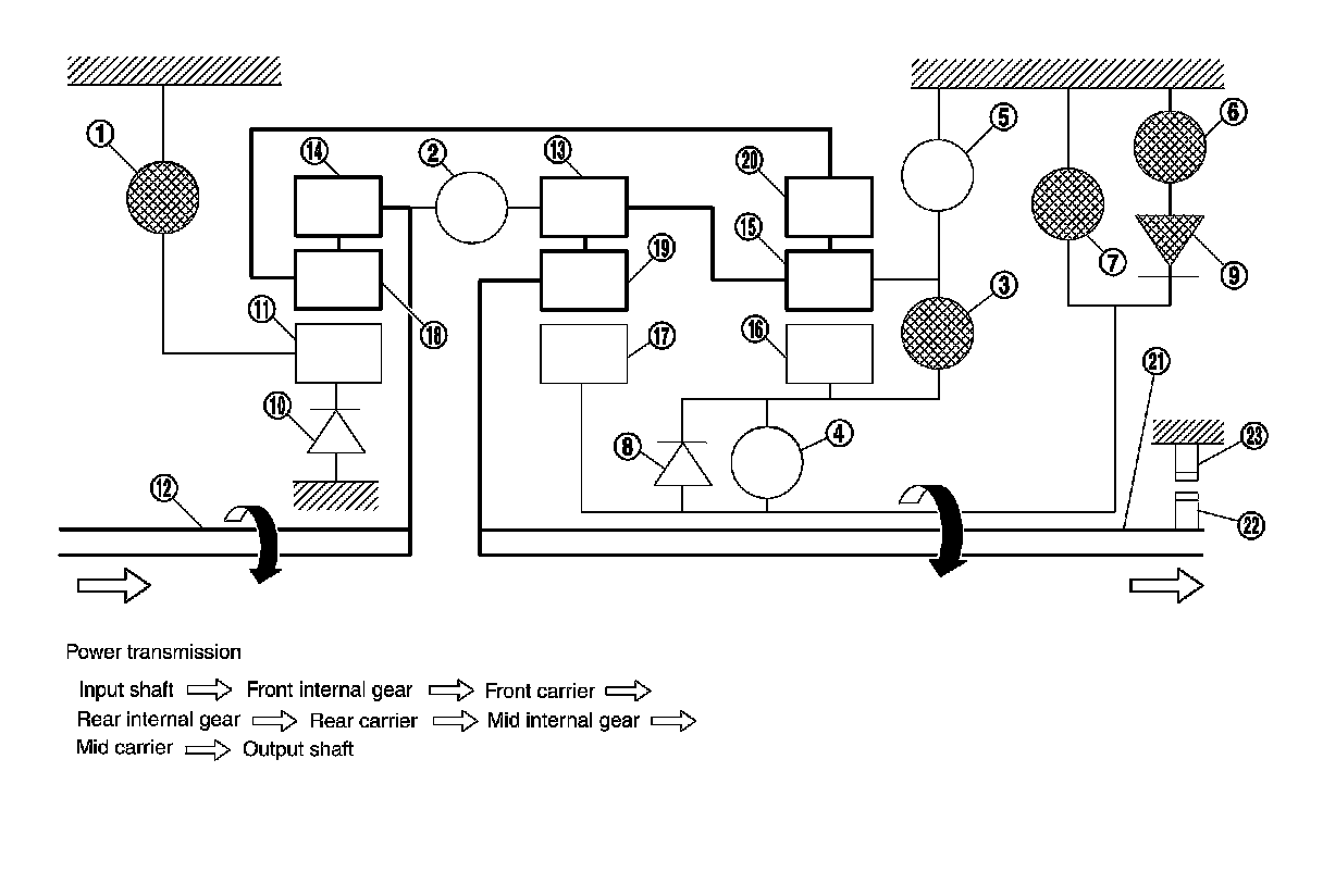
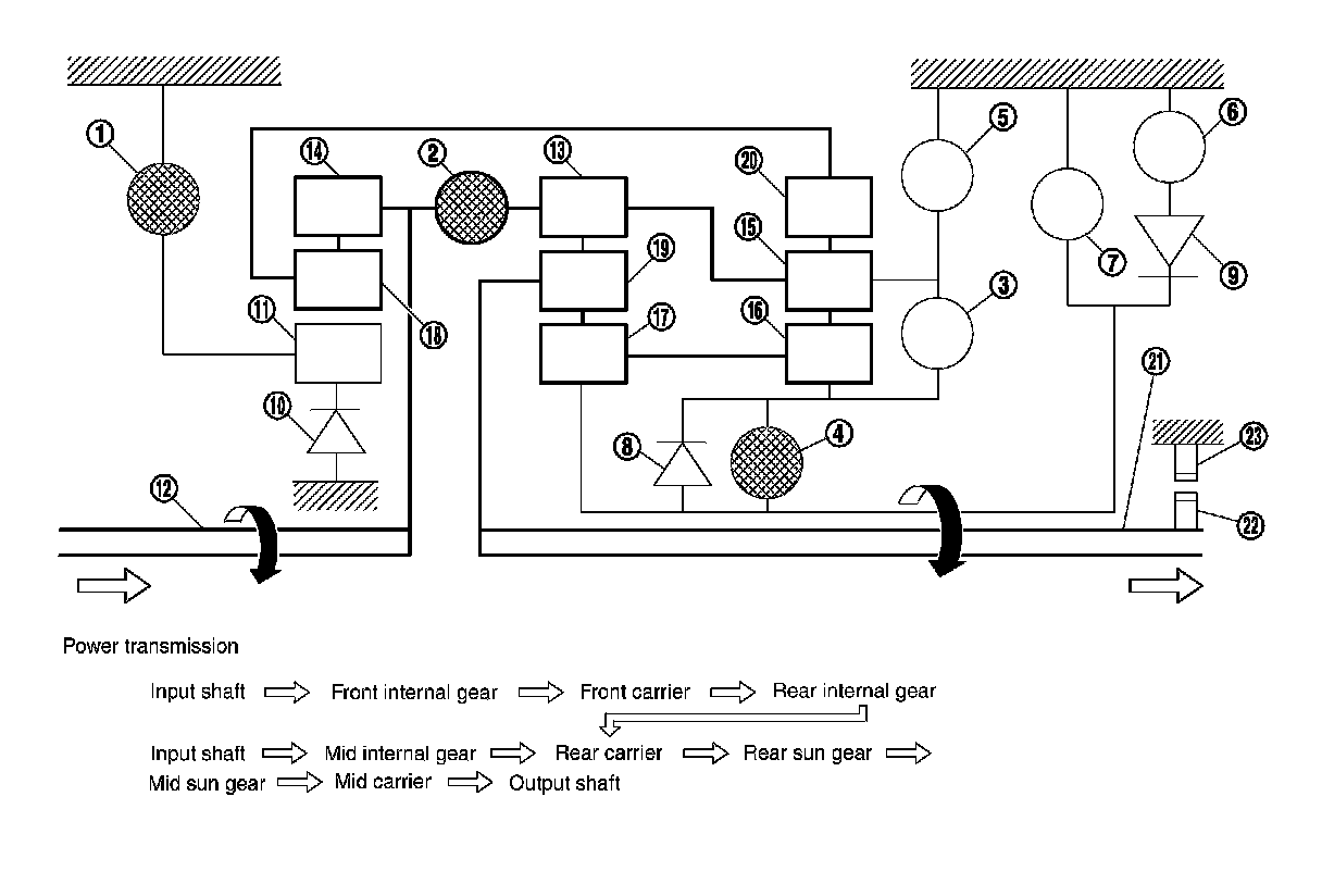
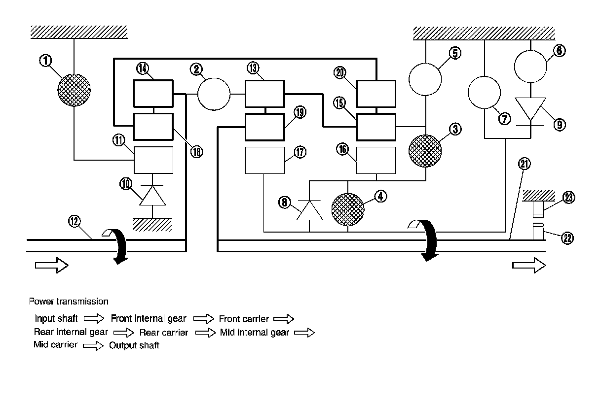
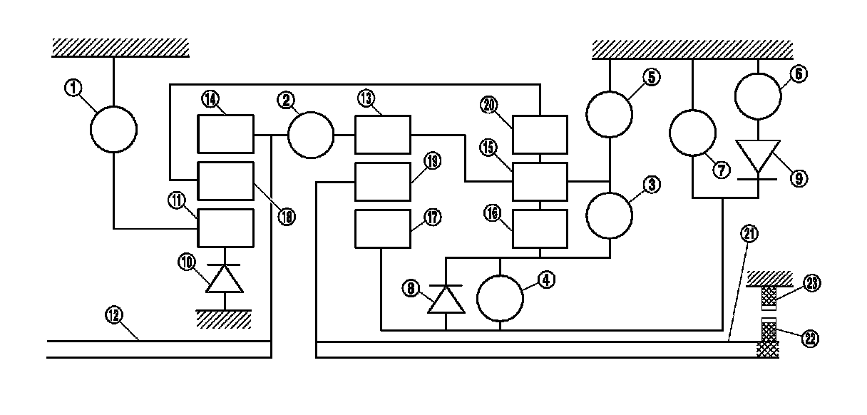
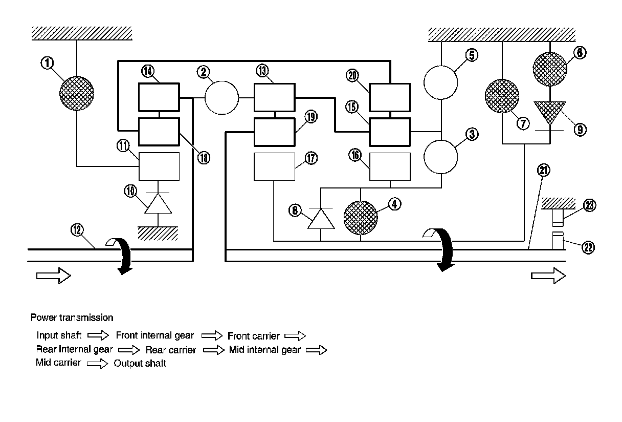
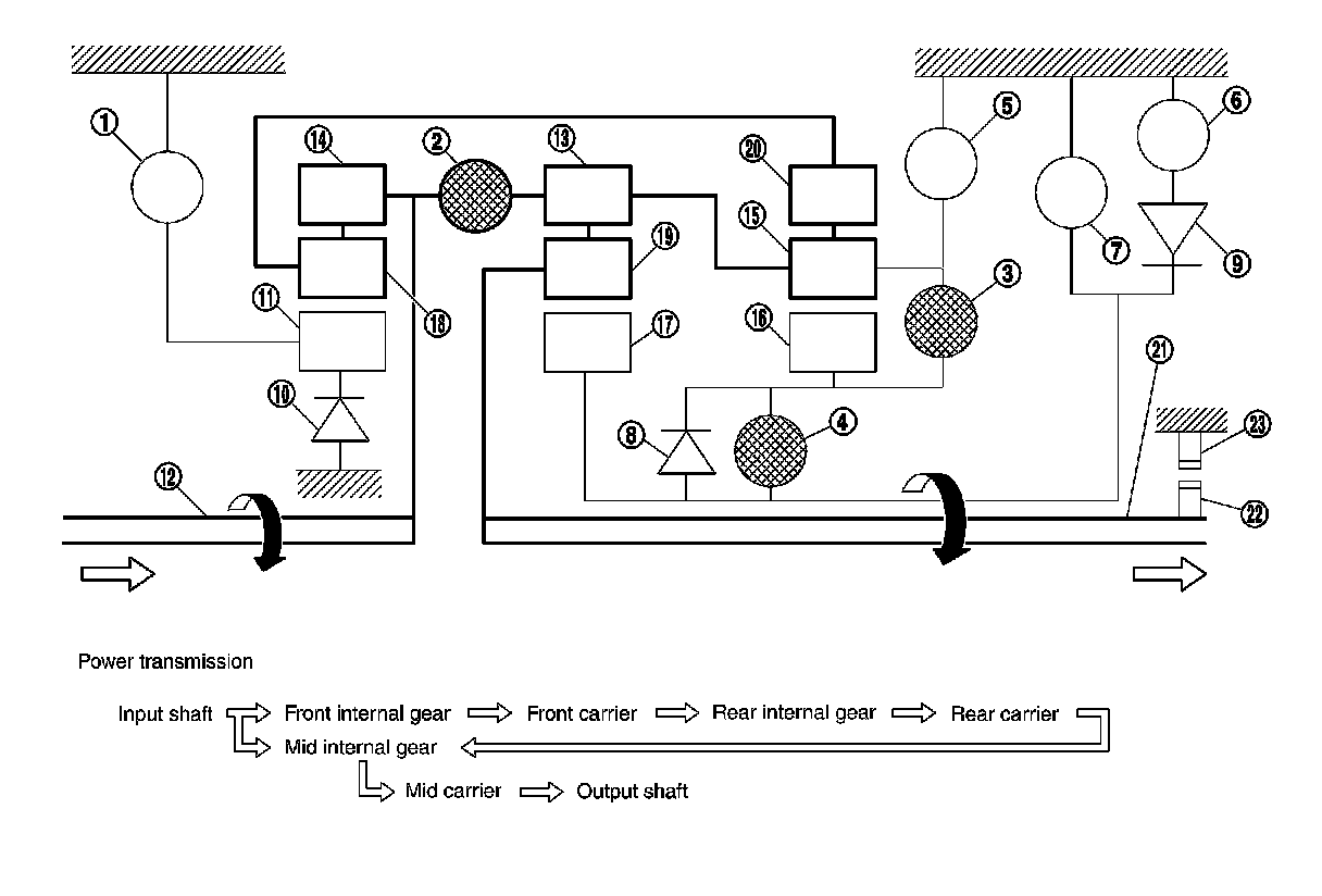
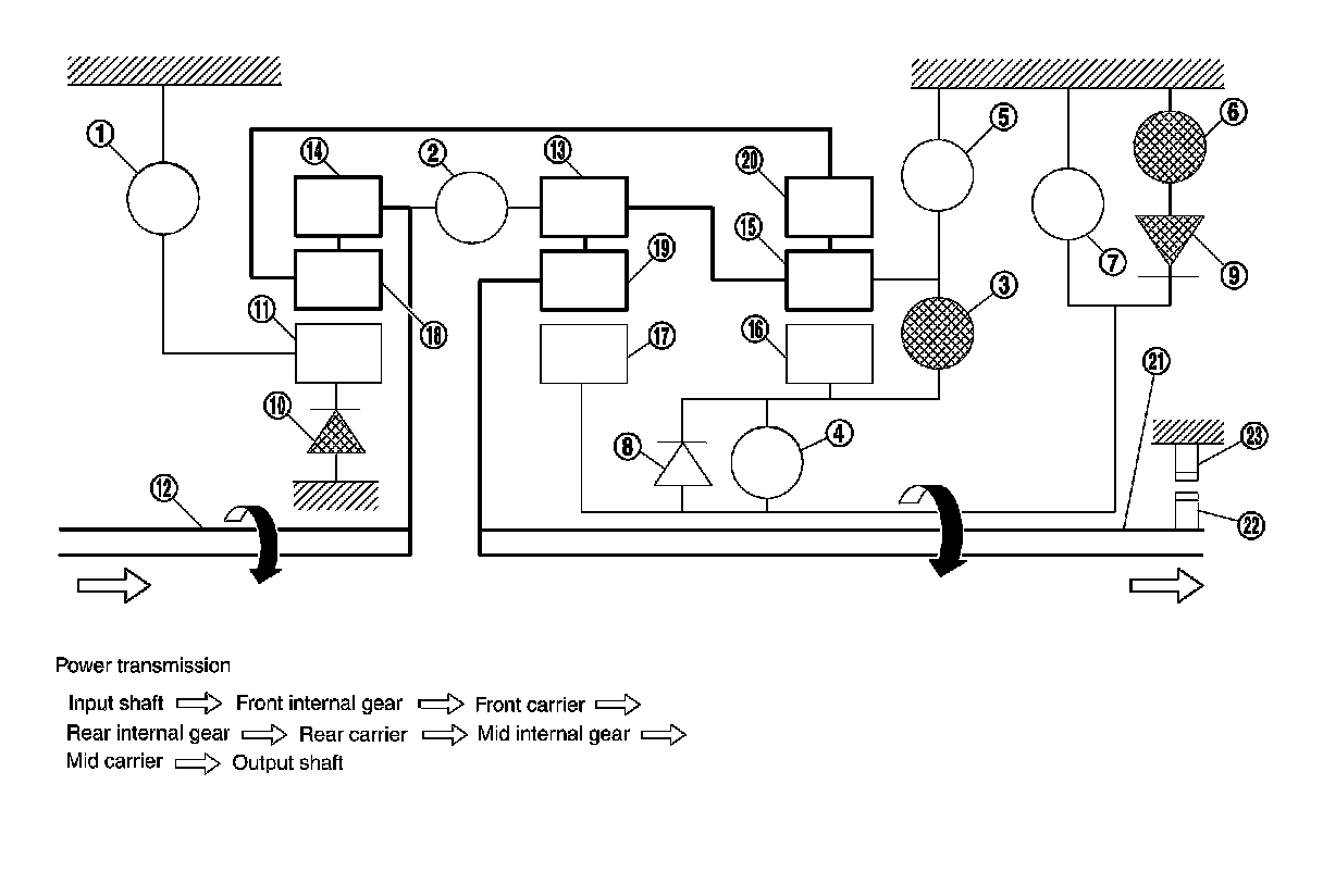
POWER TRANSMISSION

"N" Position
Since both the forward brake and the reverse brake are released, torque from the input shaft drive is not transmitted to the output shaft.

"P" Position
- The same as for the "N" position, both the forward brake and the reverse brake are released, so torque from the input shaft drive is not transmitted to the output shaft.
- The parking pawl linked with the select lever meshes with the parking gear and fastens the output shaft mechanically.











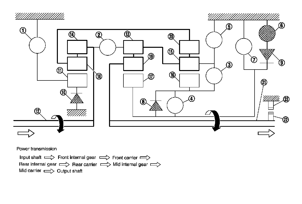
"D", "4", "3", "2" Positions 1GR
- The forward brake and the forward one-way clutch regulate reverse rotation of the mid sun gear.
- The 1st one-way clutch regulates reverse rotation of the rear sun gear.
- The 3rd one-way clutch regulates reverse rotation of the front sun gear.
- During deceleration, the mid sun gear turns forward, so the forward one-way clutch idles and the engine brake is not activated.











"1" Position 1GR
- The front brake fastens the front sun gear.
- The forward brake and the forward one-way clutch regulate reverse rotation of the mid sun gear.
- High and low reverse clutch connects the rear sun gear and the mid sun gear.
- The low coast brake fastens the mid sun gear.
- During deceleration, the low coast brake regulates forward rotation of the mid sun gear and the engine brake functions.











"D", "4", "3" Positions 2GR
- The forward brake and the forward one-way clutch regulate reverse rotation of the mid sun gear.
- The 3rd one-way clutch regulates reverse rotation of the front sun gear.
- The direct clutch is coupled and the rear carrier and rear sun gear are connected.
- During deceleration, the mid sun gear turns forward, so the forward one-way clutch idles and engine brake is not activated.











"2", "1" Positions 2GR
- The front brake fastens the front sun gear.
- The forward brake and the forward one-way clutch regulate reverse rotation of the mid sun gear.
- The direct clutch is coupled, and the rear carrier and rear sun gear are connected.
- The low coast brake fastens the mid sun gear.
- During deceleration, the low coast brake regulates forward rotation of the mid sun gear and the engine brake functions.











"D", "4", "3" Positions 3GR
- The front brake fastens the front sun gear.
- The direct clutch is coupled, and the rear carrier and rear sun gear are connected.
- The high and low reverse clutch is coupled and the mid sun gear and rear sun gear are connected.











"D", "4" Positions 4GR
- The direct clutch is coupled, and the rear carrier and rear sun gear are connected.
- The high and low reverse clutch is coupled and the mid sun gear and rear sun gear are connected.
- The input clutch is coupled and the front internal gear and mid internal gear are connected.
- The drive power is conveyed to the front internal gear, mid internal gear, and rear carrier and the three planetary gears rotate forward as one unit.











"D" Position 5GR
- The front brake fastens the front sun gear.
- The input clutch is coupled and the front internal gear and mid internal gear are connected.
- The high and low reverse clutch is coupled and the mid sun gear and rear sun gear are connected.











"R" Position
- The front brake fastens the front sun gear.
- The high and low reverse clutch is coupled, and the mid sun gear and rear sun gear are connected.
- The reverse brake fastens the rear carrier.