Operation CHARM: Car repair manuals for everyone.
Manuals through 2025 now available!

Our trusted friends have launched a new website named LEMON, which has newer manuals. It also contains all the CHARM manuals.

LEMON is the spiritual successor to CHARM, I recommend you try it!

Link: lemon-manuals.la or lemon-manuals.org.ua

(Some people have issue connecting. LEMON is investigating. For now, use Firefox or change your DNS server)

Or, hide this message: temporarily or permanently

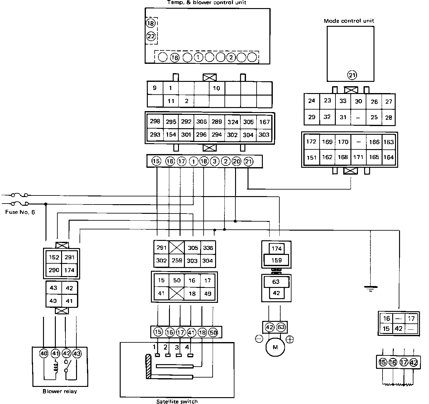
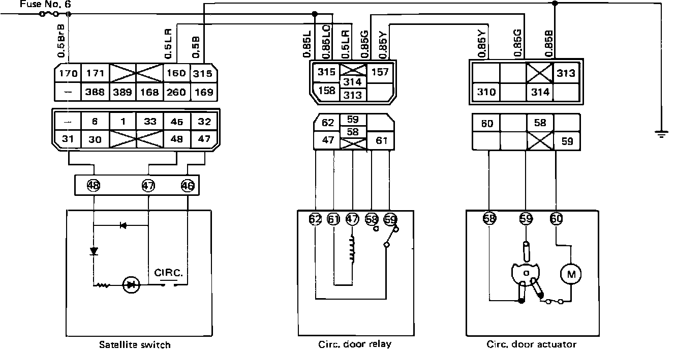
Heating and Air Conditioning: Diagrams

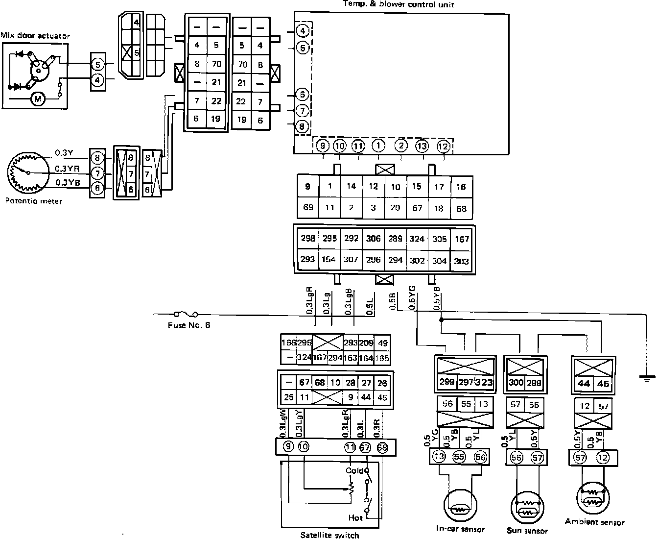
Temperature Control Circuit (Auto A/C):



Temperature Control Circuit (Manual A/C):



Blower Motor Control Circuit (Auto A/C):



Blower Motor Control Circuit (Manual A/C):



Air Source Select Circuit:



A/C Switch Circuit (Non-turbo):



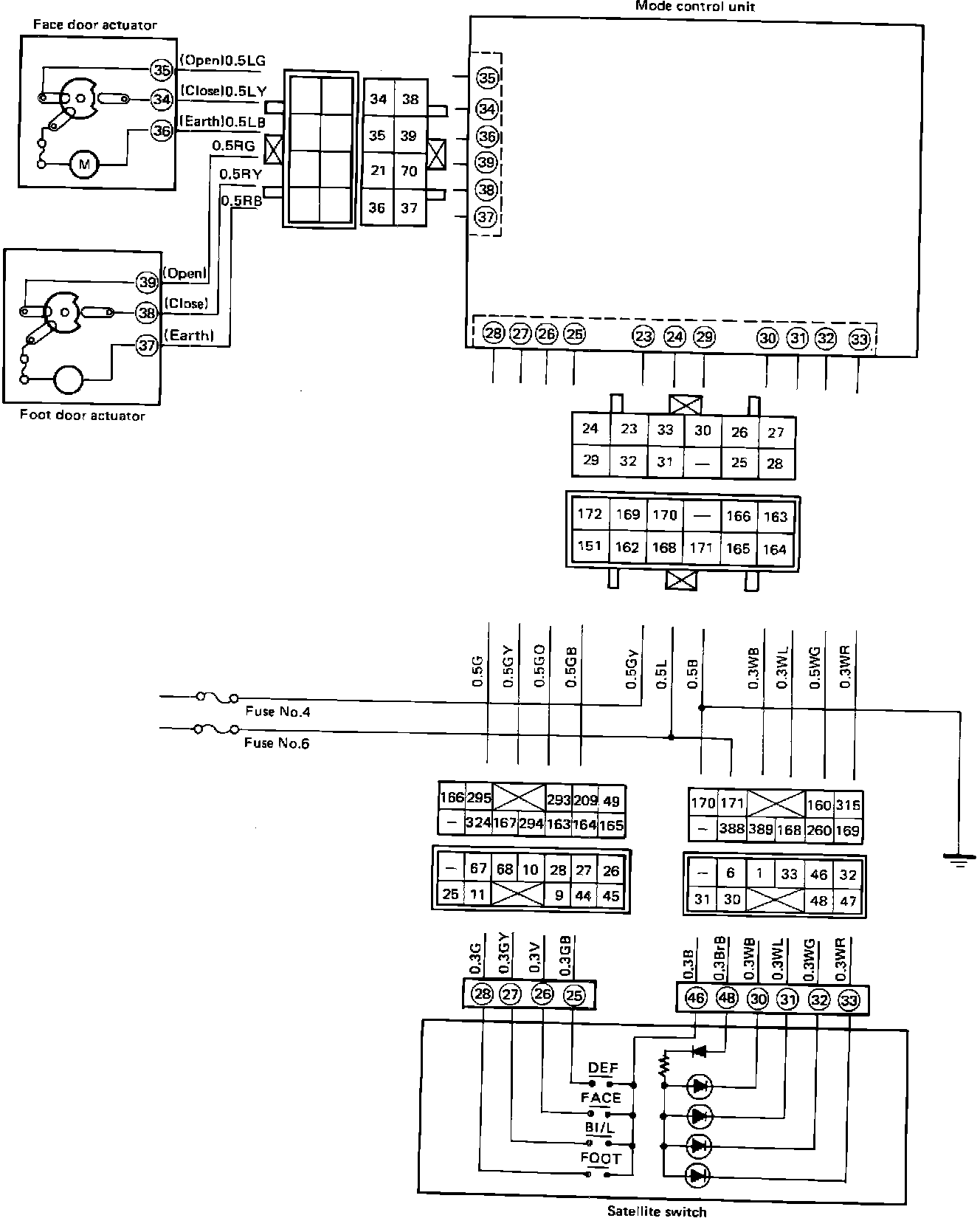
Mode Control Circuit:



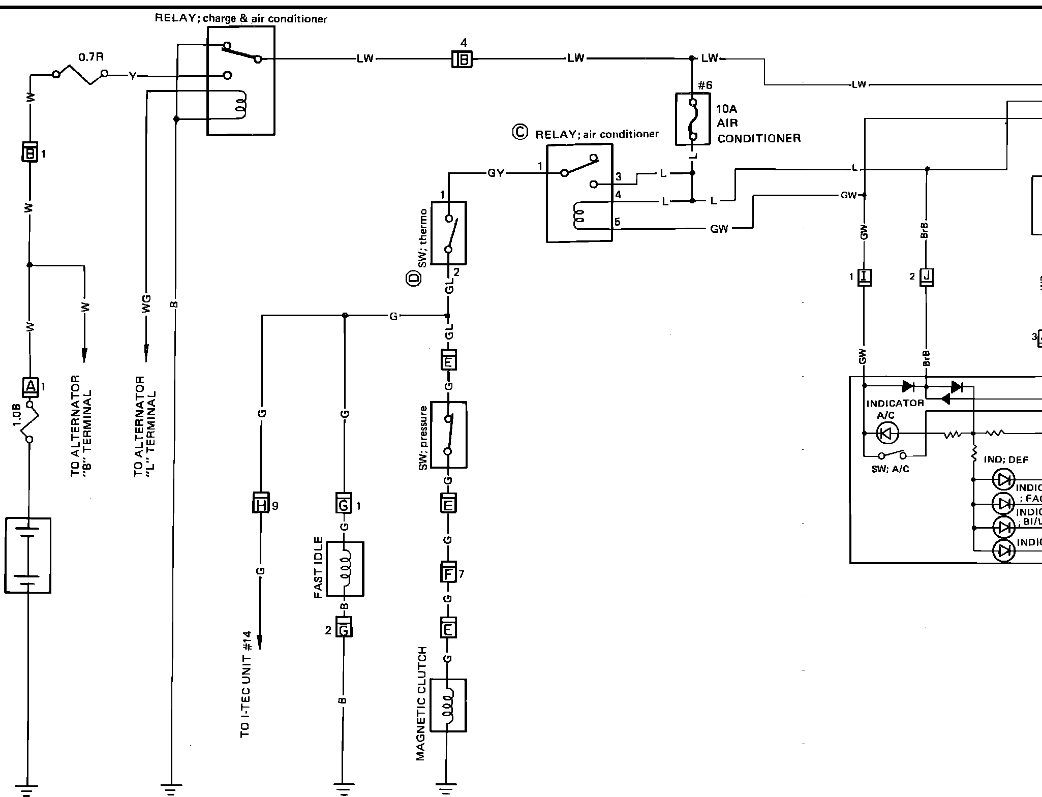
�B-)mq-)Air Conditioner Wiring Circuit. Auto A/C:



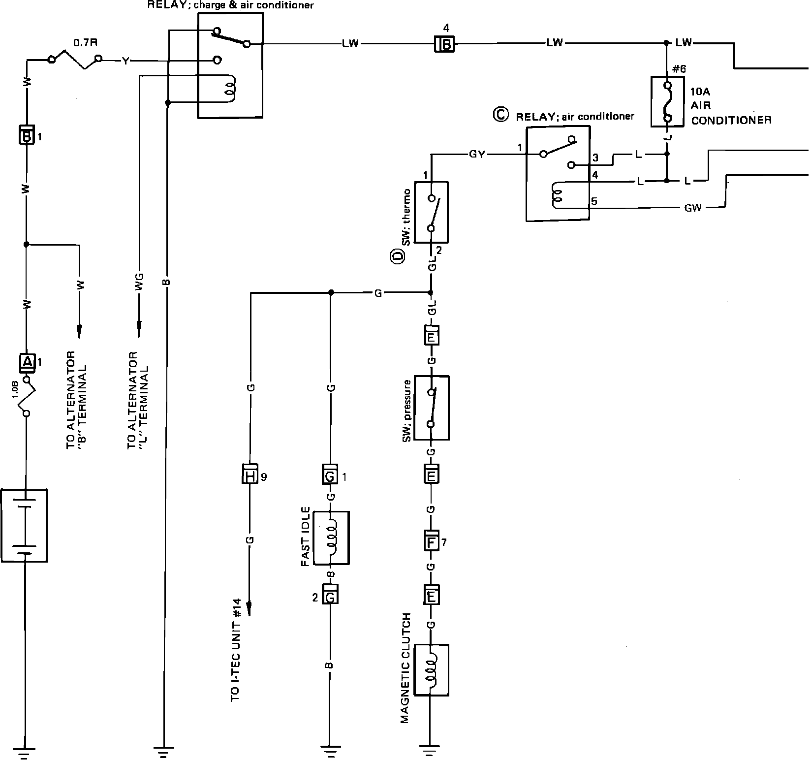
��-)c�-)��-)Air Conditioner Wiring Circuit. Man. A/C: