Operation CHARM: Car repair manuals for everyone.
Manuals through 2025 now available!

Our trusted friends have launched a new website named LEMON, which has newer manuals. It also contains all the CHARM manuals.

LEMON is the spiritual successor to CHARM, I recommend you try it!

Link: lemon-manuals.la or lemon-manuals.org.ua

(Some people have issue connecting. LEMON is investigating. For now, use Firefox or change your DNS server)

Or, hide this message: temporarily or permanently

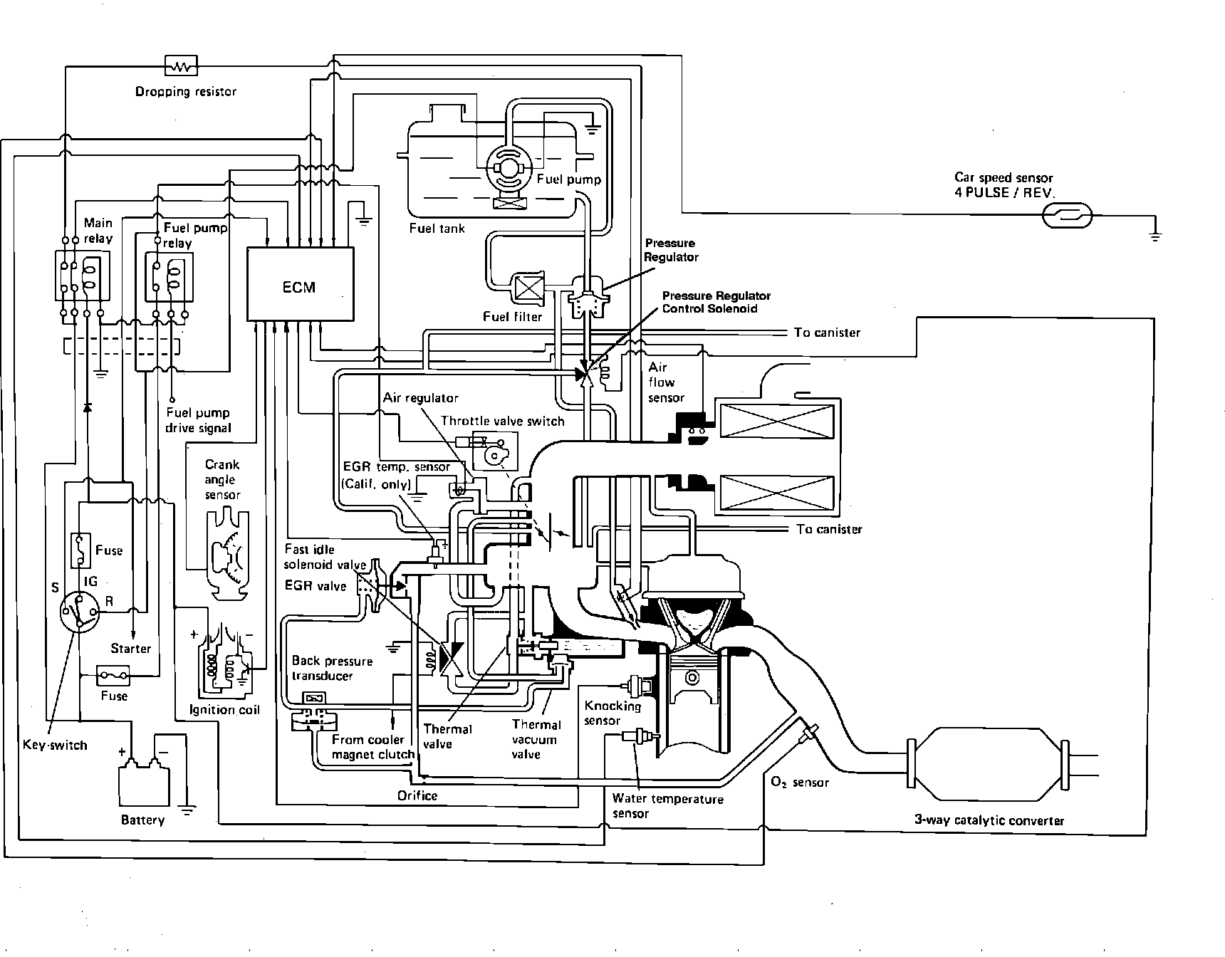
General System Description

Closed Loop System Diagram:







The Closed Loop Emission Control System is a computerized fuel, ignition and emission control system designed to maintain fuel economy, good driveability and reduced vehicle emissions. An Electronic Control Module (ECM) monitors data from various sensors and controls functions such as air/fuel ratio, emission control devices and on-board diagnostics.

The ECM is a computer that judges air/fuel ratio as rich or lean according to oxygen sensor output voltage. Based on oxygen sensor and other input data, the ECM generates a controlling signal to the fuel injectors that regulates "ON" time. Because fuel pressure remains constant, the ECM controls air/fuel ratio adjustments by varying injector "ON" time.

When operating in "Open Loop," the ECM defaults to preprogrammed values for air/fuel ratio control. The system is in "Open Loop" before the oxygen sensor has warmed up to operating temperature. When operating in "Closed Loop," the ECM continually adjusts air/fuel ratio according to oxygen sensor input and operating information received from various other sensors.

To give an extra margin of safety in the event of system failure, the output of the ECM will automatically switch to fail-safe mode if a fault is detected in any of these components and/or systems:

Oxygen sensor
Coolant temperature sensor
Throttle valve switch system
Air flow sensor system

If a malfunction develops in the micro computer within the control unit, the back-up control system will maintain the minimum necessary ECM functions to permit vehicle operation.

This system incorporates self-diagnostic capability that is monitored via a dash mounted "Check Engine" light. When the system detects a fault in a monitored component and/or circuit, the light will come on and stay on (while the engine is running), alerting the driver to seek service. With intermittent problems, the light may come on and then go out, but a trouble code will be stored in ECM memory if correct parameters are met. The technician can then extract trouble codes from the ECM that will aid in the performance of efficient troubleshooting and repair.

Components can be grouped as ECM input and output devices. Input devices control or produce voltage signals monitored by the ECM. Output devices are components controlled by the ECM.

INPUT DEVICES

Air flow sensor (codes 61 & 62)
Crank angle sensor (code 41)
Oxygen sensor (codes 13, 44 & 45)
Coolant temperature sensor (codes 14 & 15)
Inhibitor switch
Throttle valve switch system (codes 21, 43 & 65)
EGR temperature sensor (codes 32 & 34)
Battery voltage
Ignition switch
Starter switch (code 22)
Knock sensor (code 66)
A/C switch
Vehicle speed sensor (code 63)

OUTPUT DEVICES

Fuel injectors (codes 33 & 64)
Ignition coil/power transistor (codes 23, 35 & 54)
"Check Engine" light
Air regulator
Fast idle solenoid
AIR relay
Pressure regulator VSV (codes 25 & 53)
Purge control VSV (codes 26 & 27)
EGR control VSV (codes 34, 72 & 73)
ECM (codes 51 & 52)