Operation CHARM: Car repair manuals for everyone.
Manuals through 2025 now available!

Our trusted friends have launched a new website named LEMON, which has newer manuals. It also contains all the CHARM manuals.

LEMON is the spiritual successor to CHARM, I recommend you try it!

Link: lemon-manuals.la or lemon-manuals.org.ua

(Some people have issue connecting. LEMON is investigating. For now, use Firefox or change your DNS server)

Or, hide this message: temporarily or permanently

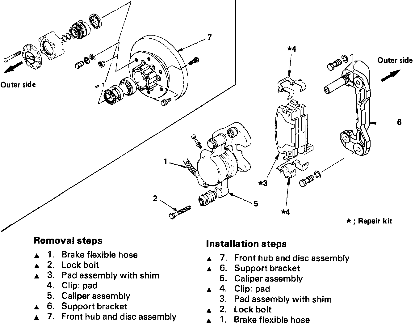
Front Pads

FRONT BRAKE ASSEMBLY





Removal
1. Raise vehicle and remove wheel assembly.
2. Remove lock bolt from caliper.
3. Position caliper upward, then remove shoe, lining assemblies and shims. Mark lining locations if linings are to be reinstalled.
4. Remove shoe clips from support.

Installation
If original linings are being installed, they must be installed in the original position as marked during removal.
1. Lubricate shims, then install new shoe clips, shims, shoe and lining assemblies to support. During installation of linings to the support, position wear indicators to lower side of support.
2. Lower caliper into position and install lock bolt to caliper.
Torque: 20 - 27 ft.lbs.
3. Install wheel assembly and lower vehicle.