Operation CHARM
: Car repair manuals for everyone.
Home
>>
Isuzu
>>
1996
>>
Hombre L4-2.2L CPC
>>
Repair and Diagnosis
>>
Diagrams
>>
Electrical Diagrams
>>
Powertrain Management
>>
Computers and Control Systems
>>
Engine Control Module
Manuals through 2025 now available!
Our trusted friends have launched a new website named LEMON, which has newer manuals. It also contains all the CHARM manuals.
LEMON is the spiritual successor to CHARM, I recommend you try it!
Link:
lemon-manuals.la
or
lemon-manuals.org.ua
(Some people have issue connecting. LEMON is investigating. For now, use Firefox or change your DNS server)
Or, hide this message:
temporarily
or
permanently
Engine Control Module
Powertrain Control Module Wiring Diagrams
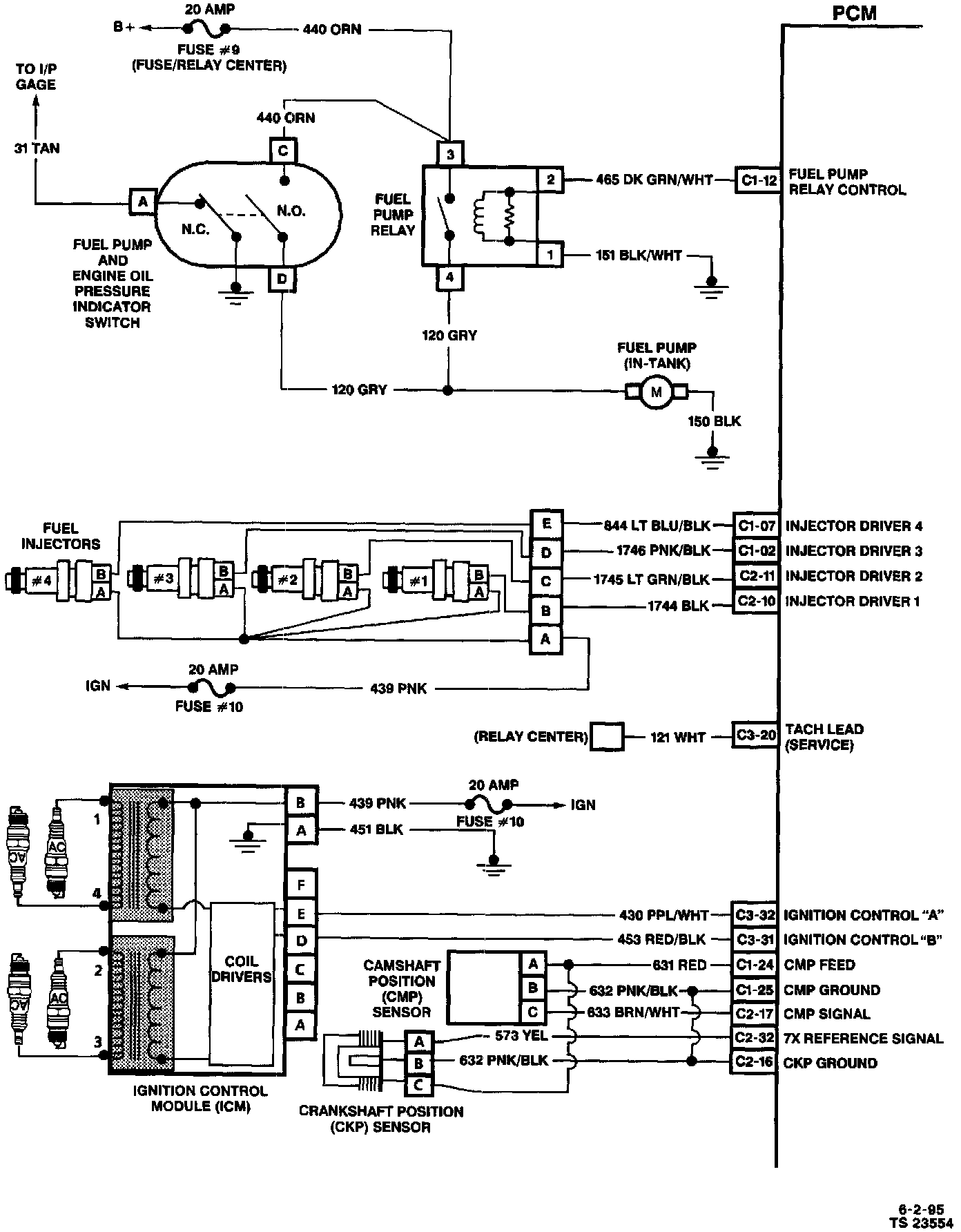
PCM Circuits (1 Of 5):
Part 1 of 5
PCM Circuits (2 Of 5):
Part 2 of 5
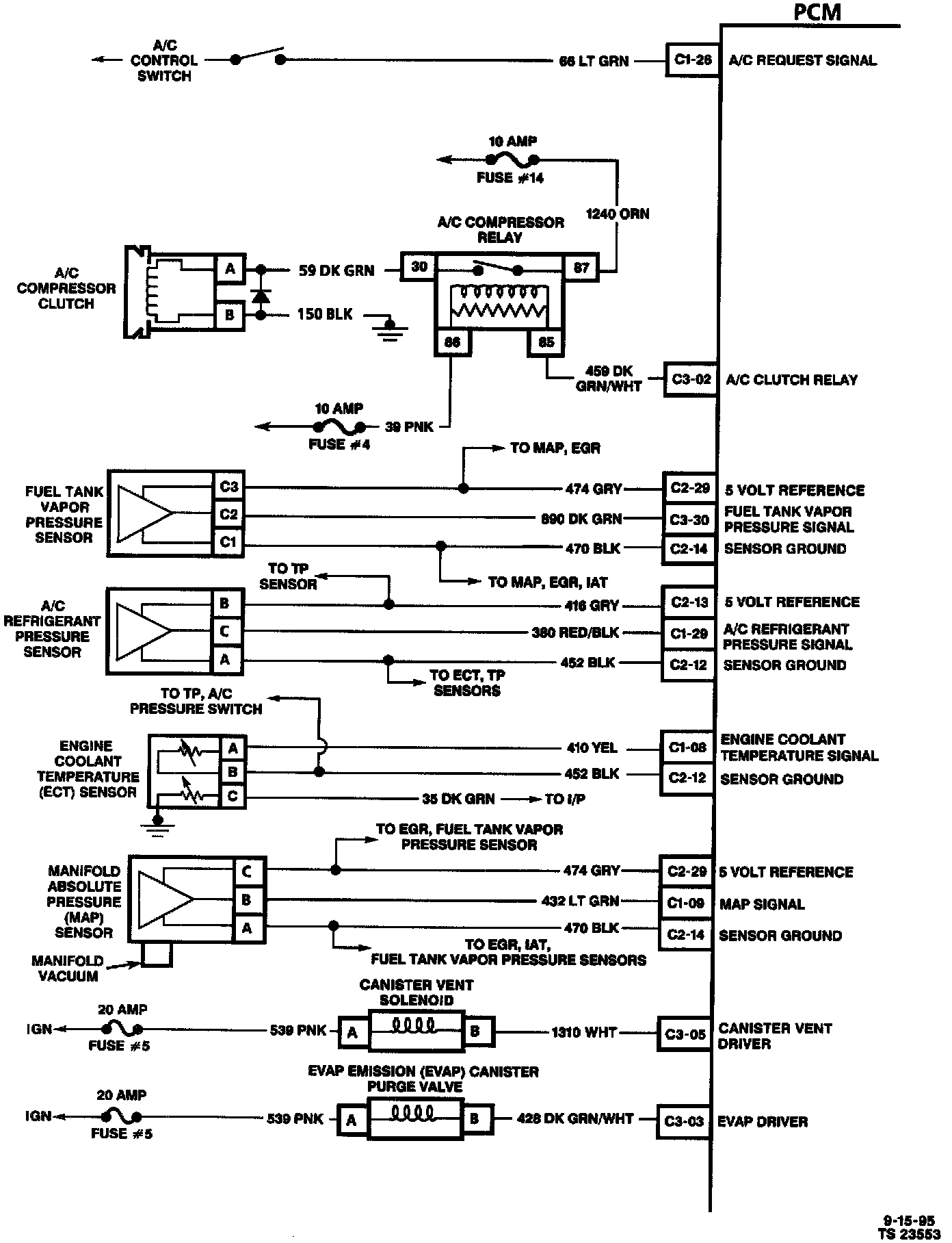
PCM Circuits (3 Of 5):
Part 3 of 5
PCM Circuits (4 Of 5):
Part 4 of 5
PCM Circuits (5 Of 5):
Part 5 of 5