Operation CHARM: Car repair manuals for everyone.
Manuals through 2025 now available!

Our trusted friends have launched a new website named LEMON, which has newer manuals. It also contains all the CHARM manuals.

LEMON is the spiritual successor to CHARM, I recommend you try it!

Link: lemon-manuals.la or lemon-manuals.org.ua

(Some people have issue connecting. LEMON is investigating. For now, use Firefox or change your DNS server)

Or, hide this message: temporarily or permanently

Lower Manifold Assembly

Identification Label Location:




A label containing the last four digits of the lower manifold assembly identification number appears on the pressure regulator. (The bar code also contains the component number for manifolds, and the four digits of the identifying number.) Refer to this number if servicing or part replacement is required.

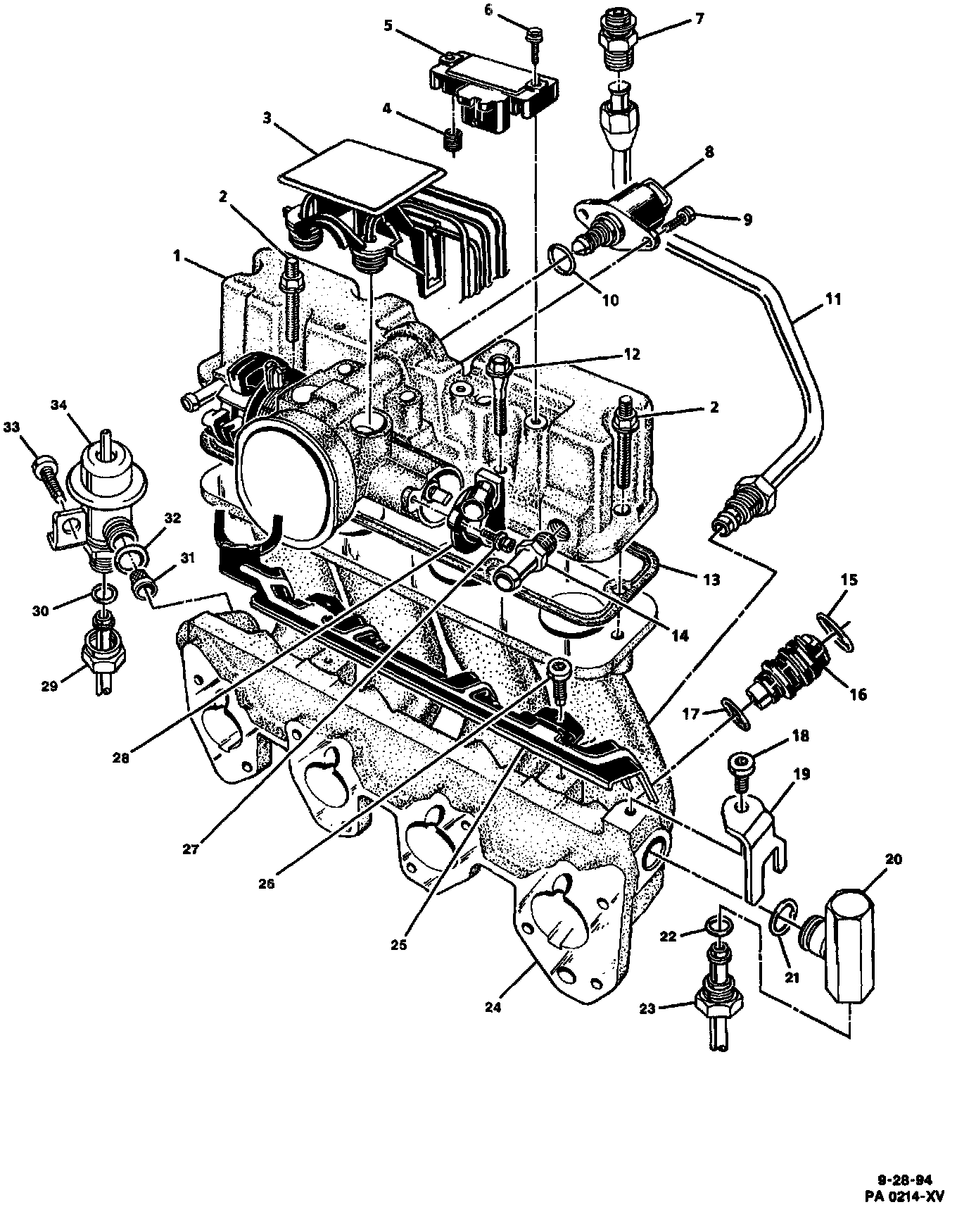
Figure 4C-8 Upper And Lower Intake Components:




Legend:
1. Manifold Assembly - Upper
2. Stud - Upper Inlet Manifold
3. Harness Assembly - EGR Valve and Fuel Pressure Regulator Vacuum
4. Seal - MAP sensor
5. Sensor- Manifold Absolute Pressure (MAP)
6. Bolt - MAP Sensor Attaching
7. Fitting and Washer Assembly - EGR Transfer Tube
8. Valve Assembly - Idle Air Control (IAC)
9. Screw - AC Valve Attaching
10. 0-Ring - IAC Valve
11. Tube Assembly - EGR transport
12. Bolt - Upper Inlet Manifold
13. Gasket - Upper Inlet Manifold
14. Fitting - Power Brake
15. 0-Ring - Fuel Inject or Upper
16. Injector Assembly - (Bottom Feed) SFI Fuel injectors
17. 0-Ring - Fuel Injector Lower
18. Screw - Fuel Pressure Connection Fitting
19. Bracket - Fuel Pressure Connection Fitting
20. Fitting - Fuel Feed
21. 0-Ring - Fuel Feed Pipe Fitting
22. 0-Ring - Fuel Feed Pipe Fitting
23. Pipe Assembly - Fuel Feed
24. Manifold Assembly - Lower
25. Retainer - Injectors
26. Screw - Injectors Retainer Attaching
27. Screw - TP Sensor Attaching
28. Sensor - Throttle Position (TP)
29. Pipe Assembly - Fuel Return
30. 0-Ring - Fuel Return Pipe Fitting
31. Screen - Filter (if so equipped)
32. 0-Ring - Fuel Pressure Regulator
33. Screw - Fuel Pressure Regulator Attaching
34. Regulator Assembly - Fuel Pressure

REMOVE OR DISCONNECT
1. Relieve fuel system pressure.
2. Negative battery cable.
3. Upper manifold assembly.
4. Fuel fittings at engine compartment fuel feed and return lines.

CAUTION: Safety glasses must be worn when using compressed air, as flying dirt particles may cause eye injury.

5. Plug fuel feed and return lines as required.
6. Engine fuel inlet pipe retainer nuts and retainers.
7. Fuel inlet pipe and seal.
8. Lower manifold attaching nuts.
9. Lower manifold.
10. Discard gasket.

NOTE: Use care in cleaning old gasket material from machined aluminum surfaces as sharp tools may damage sealing surfaces.

CLEAN
- When necessary, remove rust or burrs from the male tube end of the fuel feed/return pipes quick-connect fittings, use emery cloth in a circular motion with the tube end to prevent damage to 0-ring sealing surface.
- Gasket cleaning surfaces.
- Using a clean shop towel, wipe off male tube end of the fuel feed/return pipes quick-connect fittings. Replace pipes if damaged.

NOTE: The lower manifold assembly contains four bottom feed SFI fuel injectors and a pressure regulator assembly. Do Not place these parts in a strong solvent or cleaner bath. After removal of the fuel injector retaining bracket, regulator and injectors, the lower manifold assembly may be cleaned in a cold immersion cleaner.

INSPECT
- Replacement lower manifold for items that are to be transferred from unit removed from engine.

DISASSEMBLE
- EGR transfer pipe.
- Lower manifold and other remaining parts to be transferred following component repair procedures.

ASSEMBLE
- Replacement lower manifold with transferred parts following component repair procedures.
- Apply pipe sealant to threaded ends of EGR transfer pipe. Install EGR transfer pipe.

Tighten EGR transfer pipe nuts to 27.0 Nm (20 ft. lbs.).

INSTALL OR CONNECT
1. New lower manifold gasket.
2. Position lower manifold on studs.
3. Lower manifold attaching nuts.

Intake Manifold Tightening Sequence:




Tighten Lower manifold attaching nuts 30.0 Nm (22 ft. lbs.), using tightening sequence shown in Figure.

4. New fuel inlet pipe 0-ring seal.
5. Fuel inlet pipe nut.
- Finger tighten only.
6. Support nut on bottom of lower manifold (Finger tighten only).

Tighten:
- Fuel inlet pipe retaining nut to 30 Nm (22 ft. lbs.).
- Fuel pipe support nut to 10 Nm (89 in. lbs.).


7. Unplug fuel feed and return lines.
8. Fuel feed and return line fittings.
9. Upper manifold assembly.
10. Tighten fuel filler cap.
11. Negative battery cable.

INSPECT
- Turn ignition switch to the "ON" position for two seconds, then turn to the "OFF" position for ten seconds. Again turn to the "ON" position and check for fuel leaks.

IMPORTANT: The hardware used to attach the upper manifold Throttle Position (TP) sensor, Idle Air Control (IAC) valve, MAP sensor, power brake fitting, and the lower manifold pressure regulator and injector bracket attaching hardware are coated with thread-locking adhesive. If any these parts are removed for service, inspect the attaching screw threads. There should be enough thread-locking material (adhesive or compound) on the threads to ensure proper relocking. If not, clean the threads and apply a thread locking adhesive to the threads before reassembly. Replacement screws are included in the service screw assortment package. New attaching hardware is included in the service packages.