Operation CHARM: Car repair manuals for everyone.
Manuals through 2025 now available!

Our trusted friends have launched a new website named LEMON, which has newer manuals. It also contains all the CHARM manuals.

LEMON is the spiritual successor to CHARM, I recommend you try it!

Link: lemon-manuals.la or lemon-manuals.org.ua

(Some people have issue connecting. LEMON is investigating. For now, use Firefox or change your DNS server)

Or, hide this message: temporarily or permanently

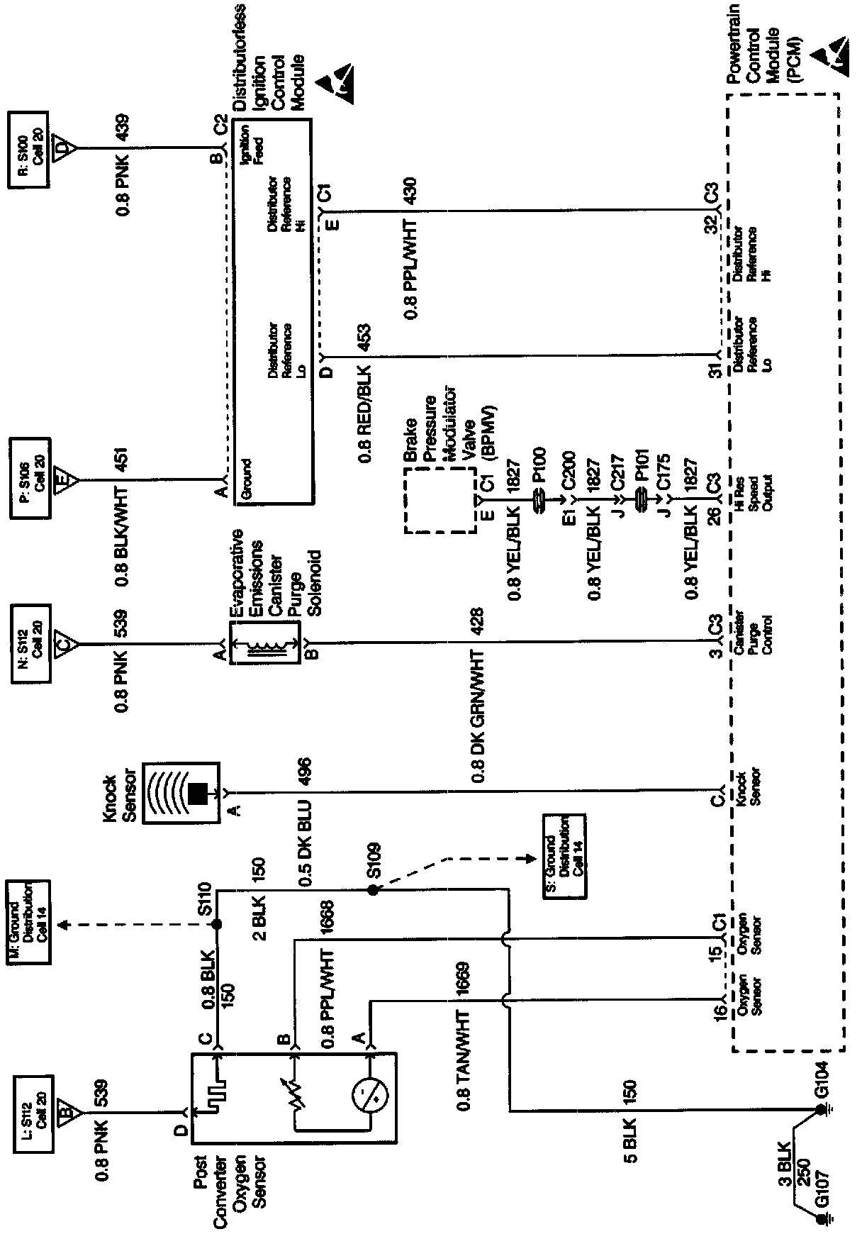
PCM Related Circuits

Power And Ground - Powertrain Control Circuits:




Power And Ground

Ignition - Powertrain Control Circuits:




Ignition

Fuel Controls - Powertrain Control Circuits:




Fuel Controls

Sensors - Powertrain Control Circuits (1 Of 3):




Sensors - Powertrain Control Circuits (2 Of 3):




Sensors - Powertrain Control Circuits (3 Of 3):




Sensors

Circuit Reference Chart:




Circuit Reference Chart