Operation CHARM: Car repair manuals for everyone.
Manuals through 2025 now available!

Our trusted friends have launched a new website named LEMON, which has newer manuals. It also contains all the CHARM manuals.

LEMON is the spiritual successor to CHARM, I recommend you try it!

Link: lemon-manuals.la or lemon-manuals.org.ua

(Some people have issue connecting. LEMON is investigating. For now, use Firefox or change your DNS server)

Or, hide this message: temporarily or permanently

Catalytic Converter: Service and Repair

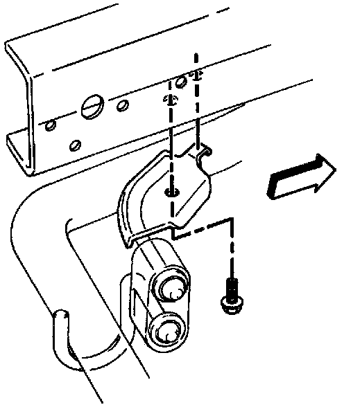
Figure 1-Exhaust Pipe to Manifold:




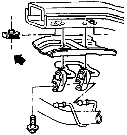
Figure 2-Exhaust Pipe to Converter:




Figure 3-Rear of Converter to Hanger:







REMOVE OR DISCONNECT (FIGURES 2 THROUGH 4)
- Raise the vehicle on a hoist.
1. Oxygen sensor.
2. Nuts at the front and rear of the three-way catalytic converter.
3. Converter from the muffler.
4. Converter from the front exhaust pipe.

Figure 5-Rear Muffler Hanger:




Figure 6-Tail Pipe Hanger:




INSTALL OR CONNECT (FIGURES 2 THROUGH 4)
1. New three-way catalytic converter into the exhaust pipe.
2. Muffler to converter.
3. Nuts to front and rear of converter.
4. Check for clearance and alignment.
5. Tighten All clamps, fasteners, etc. to specifications.
6. Lower the vehicle.
7. Oxygen sensor(s).