Operation CHARM: Car repair manuals for everyone.
Manuals through 2025 now available!

Our trusted friends have launched a new website named LEMON, which has newer manuals. It also contains all the CHARM manuals.

LEMON is the spiritual successor to CHARM, I recommend you try it!

Link: lemon-manuals.la or lemon-manuals.org.ua

(Some people have issue connecting. LEMON is investigating. For now, use Firefox or change your DNS server)

Or, hide this message: temporarily or permanently

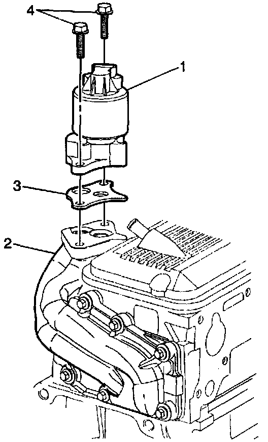
EGR Valve: Service and Repair

Figure 1-12 - Linear EGR Valve:




Legend
1. Linear EGR Valve
2. Linear EGR Valve Adapter
3. Gasket
4. Mounting Bolts

REMOVE
1. Electrical connector.
2. Valve to flange attaching bolts.
3. Linear EGR valve and gasket.

INSTALL
1. EGR valve and new gasket.
2. Valve to flange attaching bolts.

Tighten: Bolts to 2.4 Nm (17 lb.ft.).

3. Electrical connectors.