Operation CHARM: Car repair manuals for everyone.
Manuals through 2025 now available!

Our trusted friends have launched a new website named LEMON, which has newer manuals. It also contains all the CHARM manuals.

LEMON is the spiritual successor to CHARM, I recommend you try it!

Link: lemon-manuals.la or lemon-manuals.org.ua

(Some people have issue connecting. LEMON is investigating. For now, use Firefox or change your DNS server)

Or, hide this message: temporarily or permanently

Component Tests and General Diagnostics

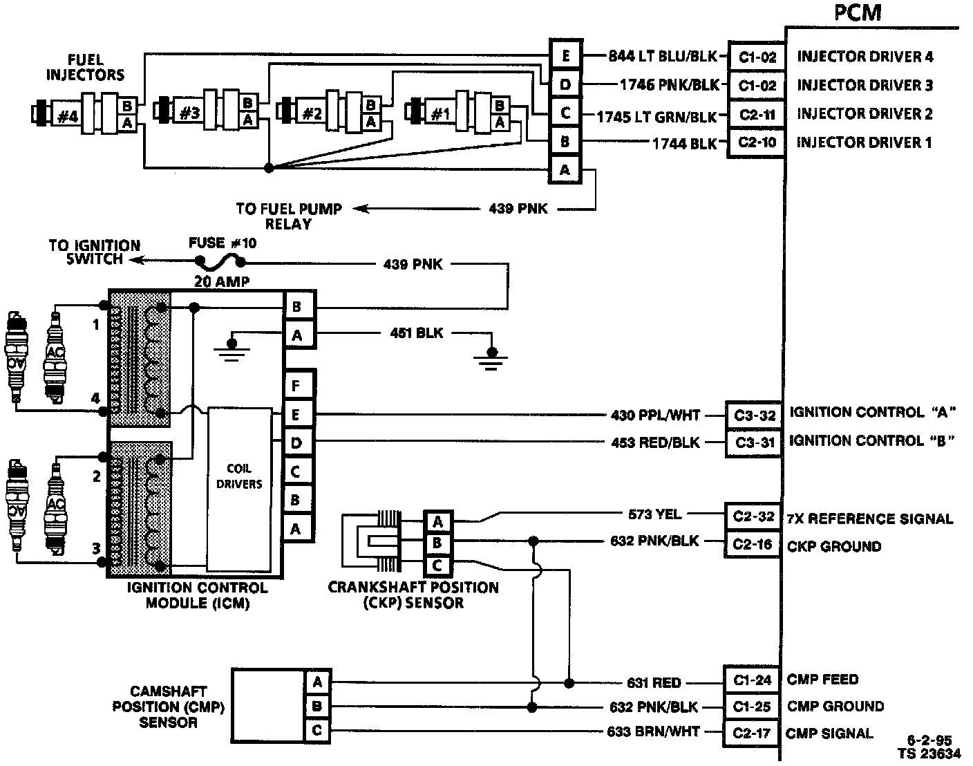
Electronic Ignition (EI) Circuit:




Circuit Description
This engine is equipped with a distributorless ignition system called the Electronic Ignition (EI) system. The primary circuit of the EI system consists of two separate ignition coils, an electronic Ignition Control Module and a Crankshaft Position (CKP) sensor as well as the related connecting wires and the Ignition Control (IC) portion of the Powertrain Control Module (PCM). Each secondary circuit consists of the secondary winding of the coil, two connecting metal strips molded into the coil housing, the spark plug boot connector, spark plug wires and spark plugs.

NOTE: The Camshaft Position (CMP) sensor is only used for misfire detection and is not part of the ignition system.

Diagnostic Aids
Check for:
- Throttle Position (TP) sensor binding or sticking in wide open throttle position or shorted or open.
- Water or foreign material in fuel.
- Low compression (timing chain failure).

Table A-3 - Engine Cranks But Will Not Run (1 Of 3):




Table A-3 - Engine Cranks But Will Not Run (2 Of 3):




Table A-3 - Engine Cranks But Will Not Run (3 Of 3):




Test Description
Numbers below refer to the step numbers on the Diagnostic Table.
1. The On Board Diagnostics (OBD) System Check prompts the Technician to complete some basic checks and store the Freeze Frame Data and the Failure records on the scan tool if applicable. This creates an electronic copy of the data taken when the failure occurred. This information on the scan tool can be referred to later.
7. This verifies that the fuel injectors are receiving proper voltage.
8. The fuel pump should be turned "ON" by the PCM for 2-3 seconds after ignition is first turned "ON". Turn the ignition "OFF" for at least 10 seconds to assure that the PCM powers down. The PCM will then switch the fuel pump back "ON". Whenever the fuel pump does not operate, Table A-5 should be used to diagnose the cause.
11. Battery voltage should be available at terminal "C" of the CKP sensor harness, and terminal "B" should be a good ground.
12. By grounding the test light to terminal "B" and B+, ensures the integrity of the ground circuit.
13. The 7x reference circuit should go to 256 counts, before starting back at 0. At this point it is important that the 7x reference circuit is incrementing.
14. This verifies a frequency output from the PCM.
18. If ignition control "A" and ignition control "B" are shorted together, there will not be a frequency signal. This step determines if ignition control "A" and ignition control "B" are shorted together.
23. Thoroughly examine the CKP sensor connector. It should be free of corrosion and contaminants, and pins should be making proper contact.
26. This will verify if the open circuit is in the ICM or the circuit.