Operation CHARM: Car repair manuals for everyone.
Manuals through 2025 now available!

Our trusted friends have launched a new website named LEMON, which has newer manuals. It also contains all the CHARM manuals.

LEMON is the spiritual successor to CHARM, I recommend you try it!

Link: lemon-manuals.la or lemon-manuals.org.ua

(Some people have issue connecting. LEMON is investigating. For now, use Firefox or change your DNS server)

Or, hide this message: temporarily or permanently

Assembly Part Two


part two






c. Install the screws that retain the anti-rotation brackets.
^ Tighten the anti-rotation bracket screws to 11 Nm (97 inch lbs.).
13. Cylinder Head Installation:
Tools Required : J 36660 Torque Angle Meter, or equivalent.





a. Install the cylinder head gasket to the block.

NOTE: Install the cylinder head gasket with the words "THIS SIDE UP" showing.

b. Use a socket to push the cylinder head gasket over the rear dowel pin.




d. Install the cylinder head bolts by hand.








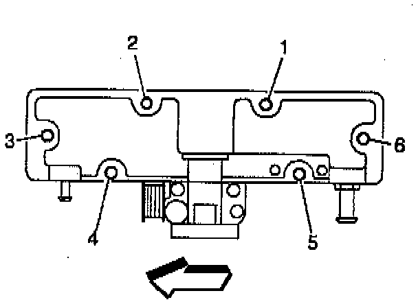
e. Tighten the cylinder head bolts using the following sequence in order to tighten the cylinder head bolts:
1. Tighten bolt 1 to 63 Nm (46 ft. lbs.).
2. Tighten bolt 2 to 58 Nm (43 ft. lbs.).
3. Tighten bolt 3 to 58 Nm (43 ft. lbs.).
4. Tighten bolt 4 to 63 Nm (46 ft. lbs.).
5. Tighten bolt 5 to 63 Nm (46 ft. lbs.).
7. Tighten bolt 7 to 58 Nm (43 ft. lbs.).
8. Tighten bolt 8 to 63 Nm (46 ft. lbs.).
9. Tighten bolt 9 to 63 Nm (46 ft. lbs.).
10. Tighten bolt 10 (stud bolt) to 58 Nm (43 ft. lbs.).
11. Use J36660 to tighten all the cylinder head bolts an additional 90 degrees in sequence





f. Install the engine lift bracket onto the rear of the engine.
14. Valve Rocker Arm, Push Rod, and Stud Installation:





a. Install the pushrods.
b. Make sure that the pushrods seat in the lifters.






c. Install the rocker arms.
d. Install the rocker arm balls.
e. The valve lifter should be on the base circle of the camshaft.

NOTE: Do not over tighten the rocker arm nuts.

f. Install the rocker arm nuts.
^ Tighten the rocker arm nuts to 30 Nm (22 ft. lbs.).
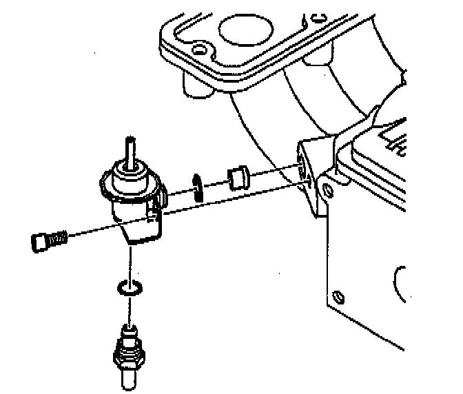
15. EGR Valve Adapter Installation:
a. Install EGR valve adapter and gasket.
b. Install EGR valve adapter bolts.
^ Tighten the EGR valve adapter bolts to 11 Nm (97 inch lbs.).
16. EGR Valve Installation:
a. Install EGR valve and gasket.
b. Install EGR valve bolts.
^ Tighten the EGR valve bolts to 26 Nm (19 ft. lbs.).





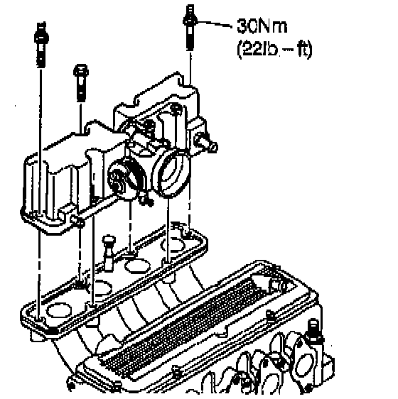
17. Valve Rocker Arm Cover Installation:
a. Clean the sealing surfaces where the cylinder head and the rocker arm cover meet. Use a suitable cleaning solvent.





b. Inspect the sealing flanges of the rocker arm cover for distortion.






c. Install the new rocker arm cover gasket in the groove around the rocker arm cover.





d. Install the rocker arm cover to the cylinder head.
e. Install the rocker arm cover bolts.
^ Tighten the rocker arm cover bolts to 10 Nm (89 inch lbs.).





f. Install the Crankcase Vent Valve (PCV) and pipe assembly.





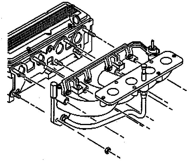
18. Intake Manifold Installation:
a. Clean the sealing surface of the cylinder head.
b. Clean the sealing surfaces of the upper and lower manifold halves.




c. Clean any excess carbon deposits from the EGR injector.
d. Inspect the upper and lower manifolds for the following conditions:
^ Cracks in the manifold
^ Broken flanges
^ Gasket surface damage





e. Install the lower intake manifold gasket.





f. Install the lower intake manifold.
g. Install the lower intake manifold nuts.





^ Tighten the lower intake manifold nuts to 33 Nm (24 ft. lbs.) in sequence.








h. Connect the fuel pressure connection fitting.





i. Install the fuel injectors.





j. Connect the fuel pressure regulator to the lower intake manifold.





k. Install the fuel injector retainer bracket.





l. Install the upper intake manifold gasket.





m. Install the EGR injector.





n. Install the upper intake manifold
o. Install the upper intake manifold bolts.




^ Tighten the upper intake manifold bolts to 30 Nm (22 ft. lbs.).





p. Connect the vacuum harness to the upper intake manifold.





q. Install the MAP sensor.





r. Install the throttle cable support bracket.
19. Crankshaft Balancer Hub Installation:
Tools Required: J 29113 Crankshaft Pulley Hub Installer, or equivalent.




a. Coat the front cover seal contact area with engine oil.





b. Apply RTV sealer or equivalent to the keyway in the crankshaft.
c. Install the key into the keyway on the crankshaft.





d. Install the pulley hub into position over the key on the crankshaft.




e. Install the J29113 through the hub and into the crankshaft so that at least 6 mm (0.24 inch) of thread are engaged.
f. Pull the crankshaft pulley hub into position against the J29113.
g. Remove the J29113 from the crankshaft.
h. Make sure that the hub is seated against the crankshaft.
20. Crankshaft Balancer Installation:
a. Position the crankshaft pulley over the crankshaft pulley hub.






b. Install the crankshaft pulley bolts.
^ Tighten the crankshaft pulley bolts to 50 Nm (37 ft. lbs.).





c. Install the crankshaft pulley to hub bolt.
^ Tighten the crankshaft pulley to hub bolt to 105 Nm (77 ft. lbs.).
21. Water Pump Installation:





a. Install the coolant pump gasket to the engine.





b. Install the coolant pump to the engine.
c. Apply sealant to the bolt threads before installation.
d. Install the coolant pump attaching bolts.





^ Tighten the coolant pump attaching bolts to 25 Nm (18 ft. lbs.).





22. Exhaust Manifold Installation:
a. Install the exhaust manifold gasket and exhaust manifold.
b. Install the exhaust manifold nuts.
^ Tighten the exhaust manifold nuts to 13 Nm (115 inch lbs.).





c. Install the oxygen sensor.
^ Tighten the oxygen sensor to 42 Nm (31 ft. lbs.).






23. Oil Level Indicator and Tube Installation:
a. Install the oil fill tube seal.
b. Install the oil fill tube.
c. Install the oil fill tube nut.
^ Tighten the oil fill tube nut to 12 Nm (106 inch lbs.).
d. Install the oil level indicator.
24. Engine Flywheel Installation:
a. Install the flywheel.
b. Install the flywheel spacer if a flywheel spacer is used.

NOTE: You must thoroughly remove the old thread adhesive from the flywheel bolts and bolt holes. Use a round nylon bristle brush in order to remove the old adhesive. Apply Loctite 271 or equivalent to all flywheel bolts. Carefully follow the instructions that are included with the thread locking compound in order to ensure that the bolts are retained properly.

c. Install the flywheel bolts.
^ Tighten the flywheel bolts to 75 Nm (55 ft. lbs.).
25. Perform Engine Set-up and Testing. Engine Set Up & Testing