Operation CHARM: Car repair manuals for everyone.
Manuals through 2025 now available!

Our trusted friends have launched a new website named LEMON, which has newer manuals. It also contains all the CHARM manuals.

LEMON is the spiritual successor to CHARM, I recommend you try it!

Link: lemon-manuals.la or lemon-manuals.org.ua

(Some people have issue connecting. LEMON is investigating. For now, use Firefox or change your DNS server)

Or, hide this message: temporarily or permanently

Engine Controls Schematics





Engine Controls Schematics (Power, Grounding, Generator, And MIL)





Engine Controls Schematics (Data Link Connector)





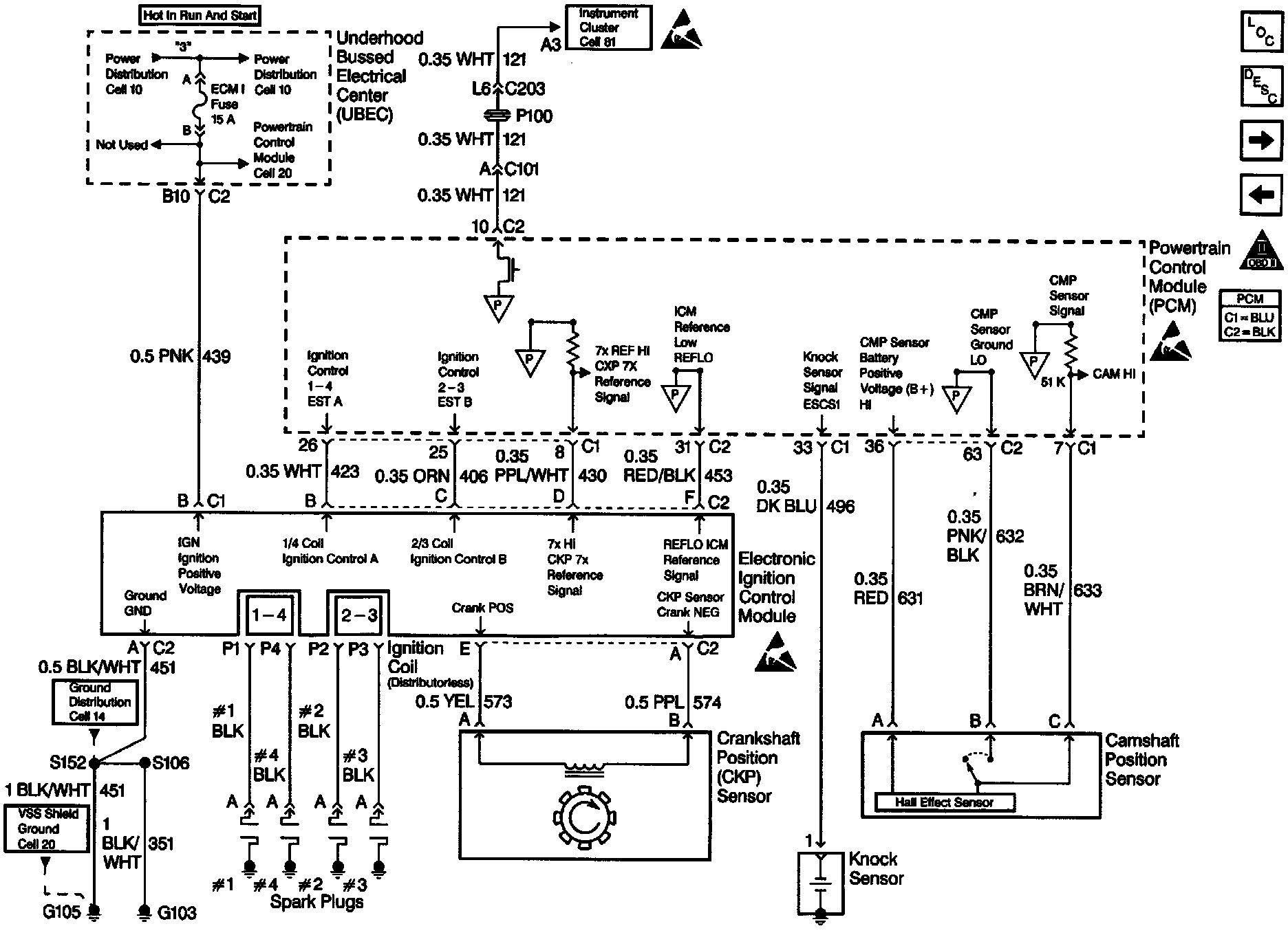
Engine Controls Schematics (Ignition Controls)





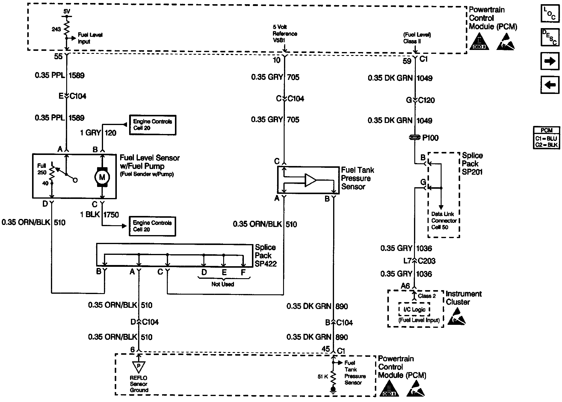
Engine Controls Schematics (Fuel Level And Fuel Tank Pressure Sensors)





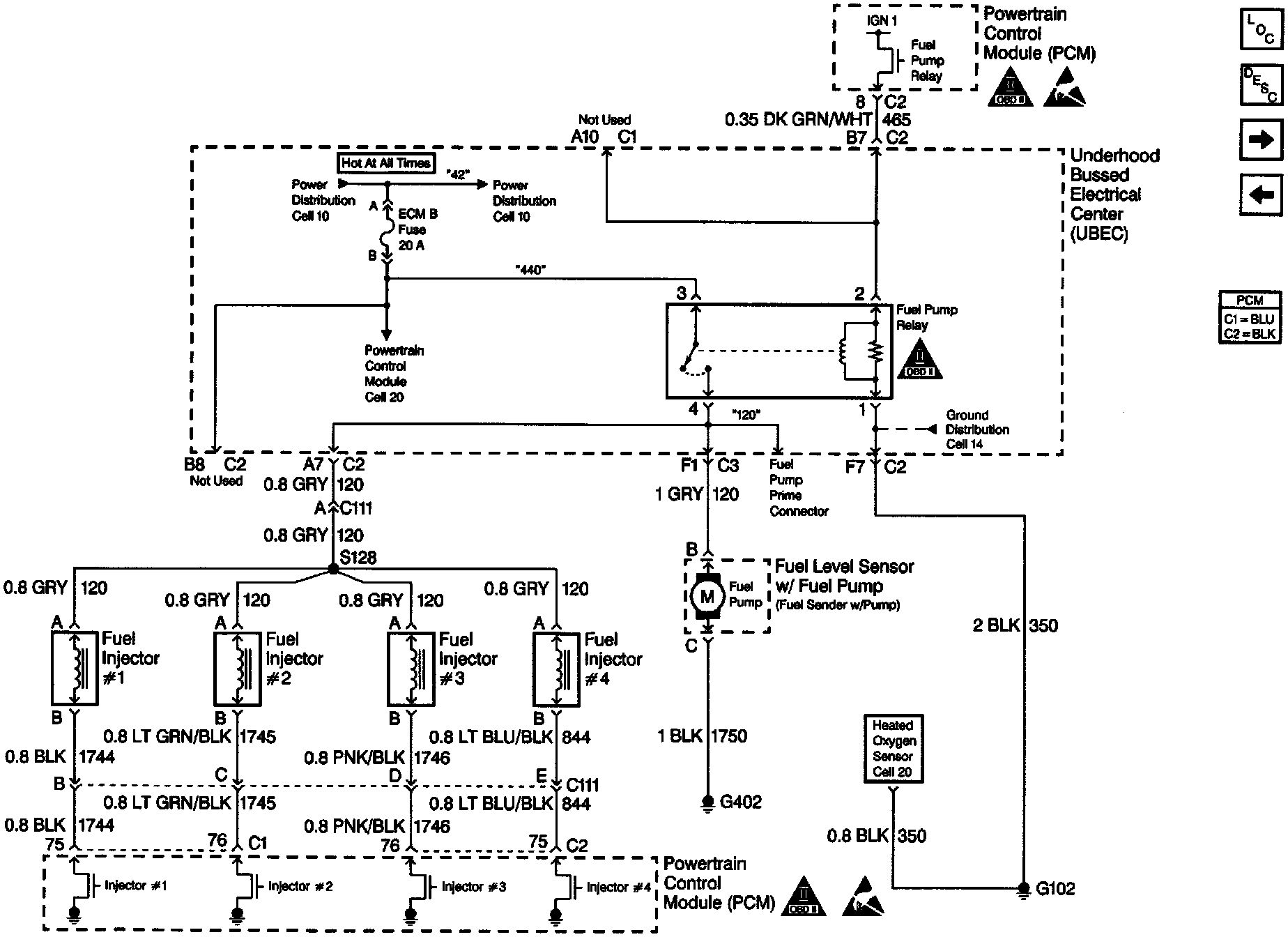
Engine Controls Schematics (Fuel Injectors And Fuel Pump)





Engine Controls Schematics (MAP, IAT; TPS, And ECT Sensors)





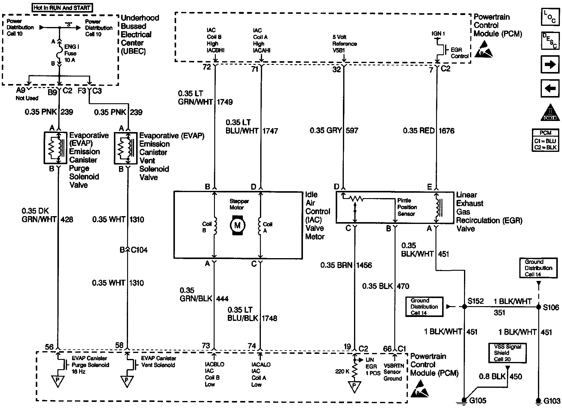
Engine Controls Schematics (IAC, EVAP, And EGR Valve Controls)





Engine Controls Schematics (Oxygen Sensors)





Engine Controls Schematics (Brake Switch Input W/ M/T, W/0 Cruise)




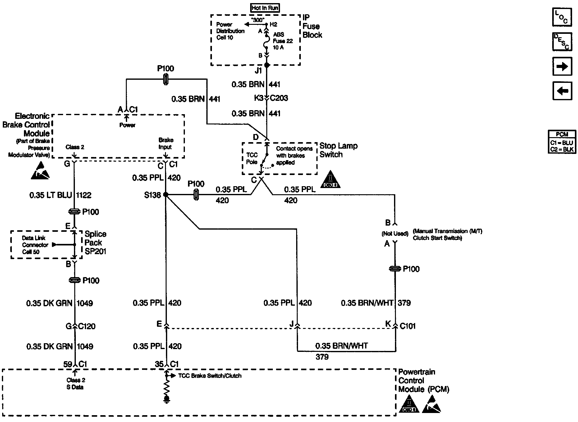
Engine Controls Schematics (Brake Switch Input W/ A/T; W/0 Cruise)




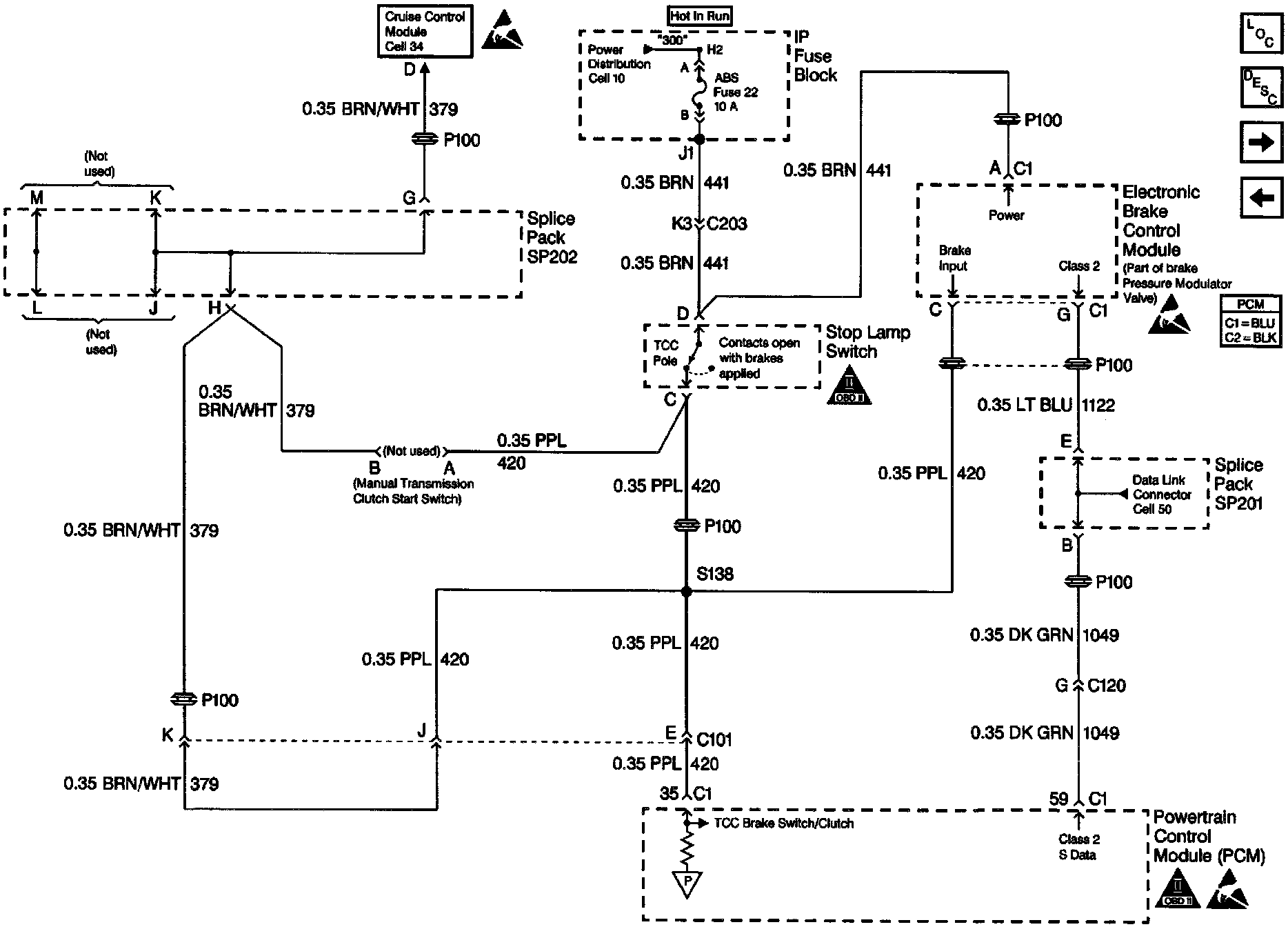
Engine Controls Schematics (Brake Switch Input W/ M/T W/ Cruise)





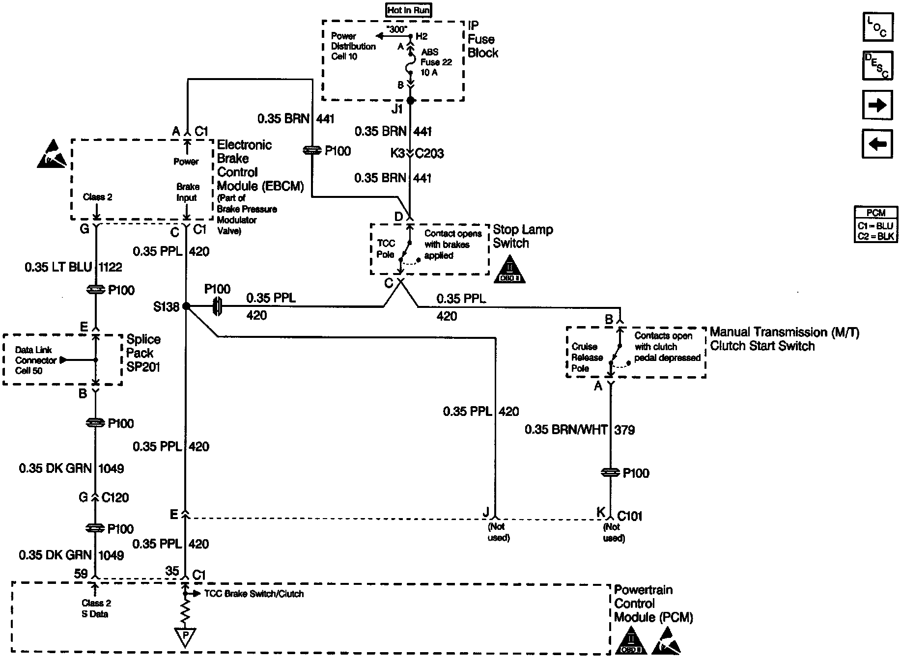
Engine Controls Schematics (Brake Switch Input W/ A/T; W/ Cruise)





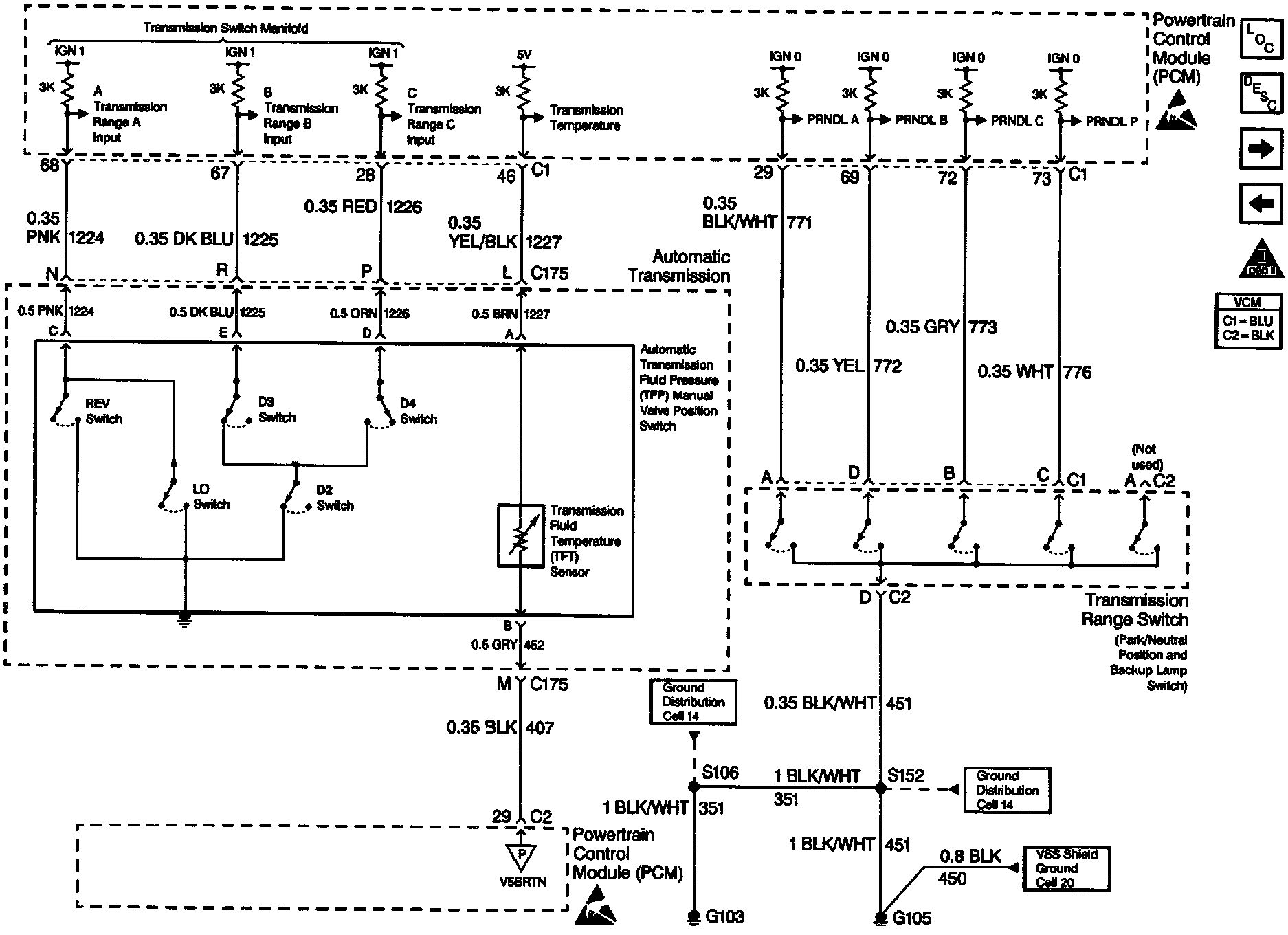
Engine Controls Schematics (Automatic Transmission Valve Controls)




Engine Controls Schematics (Automatic Transmission Switch Inputs)





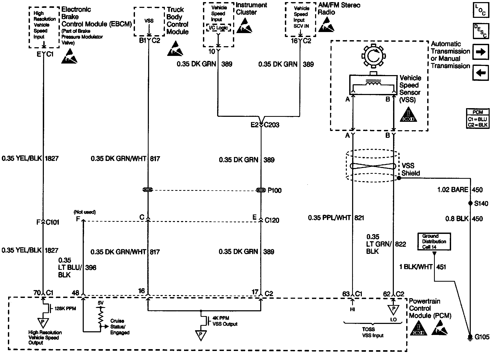
Engine Controls Schematics (Vehicle Speed Sensor W/0 Cruise Control)





Engine Controls Schematics (Vehicle Speed Sensor W/ Cruise Control)





Engine Controls Schematics (A/C Compressor Controls)