Operation CHARM: Car repair manuals for everyone.
Manuals through 2025 now available!

Our trusted friends have launched a new website named LEMON, which has newer manuals. It also contains all the CHARM manuals.

LEMON is the spiritual successor to CHARM, I recommend you try it!

Link: lemon-manuals.la or lemon-manuals.org.ua

(Some people have issue connecting. LEMON is investigating. For now, use Firefox or change your DNS server)

Or, hide this message: temporarily or permanently

Engine Controls Component Views





A/C Compressor





A/C Refrigerant Pressure Sensor





CKP Sensor, CMP Sensor, and Knock Sensor





ICM and Fuel Injectors





LH Upper Engine





EVAP Solenoid Valve





HO2S 2





EVAP Vent Valve





Modular Fuel Sender





IAT Sensor





O2S 1





PCM Connectors





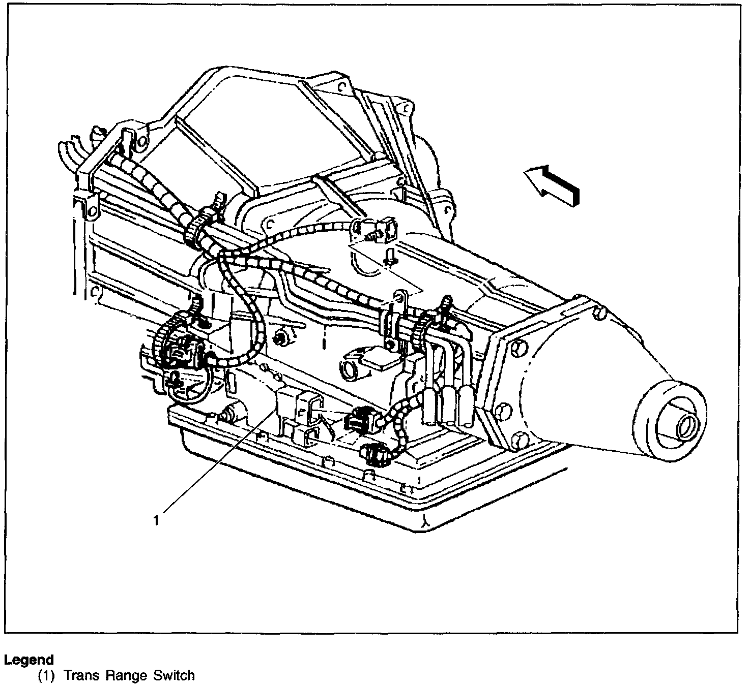
Trans Range Switch