Operation CHARM: Car repair manuals for everyone.
Manuals through 2025 now available!

Our trusted friends have launched a new website named LEMON, which has newer manuals. It also contains all the CHARM manuals.

LEMON is the spiritual successor to CHARM, I recommend you try it!

Link: lemon-manuals.la or lemon-manuals.org.ua

(Some people have issue connecting. LEMON is investigating. For now, use Firefox or change your DNS server)

Or, hide this message: temporarily or permanently

Installation

1. Install the engine to the vehicle.





2. Install the right side engine mount through-bolt.
Refer to Engine Mount Replacement.





3. Install the left side engine mount through-bolt.
Refer to Engine Mount Replacement.





4. Remove the engine lifting device from the engine lift brackets.





5. Connect the fuel pipes.
Refer to Fuel Hose/Pipes Assembly Replacement.

NOTICE: Refer to Fastener Notice in Service Precautions. Vehicle Damage Warnings





6. Connect the generator output wire to the generator.

Tighten
Tighten the nut to 20 Nm (15 ft. lbs.)
.

7. Connect the generator electrical connector.
8. Connect the engine block heater, if equipped.
9. Connect the following electrical connectors to the left side of the engine:
- Oxygen (O2) sensor Camshaft Position (CMP) sensor
- Ignition Control Module (ICM)
- Purge canister solenoid
- Crankshaft Position (CKP) sensor
- Knock (KS) sensor
10. Connect the following electrical connectors to the top of the engine:
- Fuel injector harness
- Engine Coolant Temperature (ECT) sensor
- Idle Air Control (IAC) motor
- Manifold Absolute Pressure (MAP) sensor
- Throttle Position (TP) sensor
11. Install the bolt for the rear wiring harness bracket to the intake manifold.
12. Connect the 12 volt supply to the mega fuse.
13. Connect the battery positive cable to the battery.





14. Install the EGR valve.
Refer to EGR Valve Replacement.





15. Install the EGR pipe to the engine.
16. Install the two EGR pipe to the EGR adapter bolts.

Tighten
Tighten the bolts to 27 Nm (20 inch lbs.)
.

17. Install the EGR pipe to the intake manifold bolts.

Tighten
Tighten the bolts to 11 Nm (97 inch lbs.)
.

18. Connect the accelerator cable and the cruise control cable, if equipped.
Refer to Accelerator Controls Cable Replacement.
19. Connect the vacuum hoses.
20. Install both heater hoses to the heater core.
Refer to Heater Hose Replacement in HVAC.





21. Install the power steering pump.
Refer to Power Steering Pump Replacement in Steering.





22. Install the air conditioning compressor, if equipped.
Refer to Compressor Replacement in HVAC.
23. Install the radiator.
Refer to Radiator Replacement.





24. Install the air intake duct.
Refer to Air Cleaner Intake Duct Replacement.





25. Install the drive belt.
Refer to Drive Belt Replacement.
26. Install the ground straps to the engine block.
Refer to Ground Strap Replacement.





27. Install the generator brace using the following procedure.
27.1. Install the brace to the engine.
27.2. Install the two nuts holding the brace to the engine.
27.3. Install the bolt to the rear of the generator.

Tighten
Tighten the bolts to 30 Nm (22 ft. lbs.)
.





28. Connect the oxygen sensor electrical connector.





29. Install the transmission.
Refer to Transmission Replacement in Transmission/Transaxle.





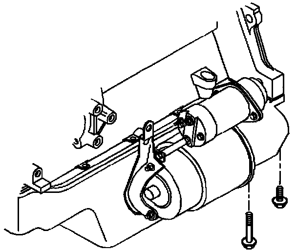
30. Install the starter motor.
Refer to Starter Motor Replacement.





31. Install the brace rods to the transmission and the engine, manual transmission only.





32. Connect the catalytic converter to the exhaust pipe.
Refer to Catalytic Converter Replacement.





33. Connect the exhaust pipe to the exhaust manifold.
Refer to General Exhaust System Replacement.





34. Install the manual transmission shift lever, if removed.
Refer to Shift Lever Replacement in Transmission/Transaxle.
35. Install the hood.
Refer to Hood Replacement.





36. Connect the battery negative cable.