Operation CHARM: Car repair manuals for everyone.
Manuals through 2025 now available!

Our trusted friends have launched a new website named LEMON, which has newer manuals. It also contains all the CHARM manuals.

LEMON is the spiritual successor to CHARM, I recommend you try it!

Link: lemon-manuals.la or lemon-manuals.org.ua

(Some people have issue connecting. LEMON is investigating. For now, use Firefox or change your DNS server)

Or, hide this message: temporarily or permanently

Engine

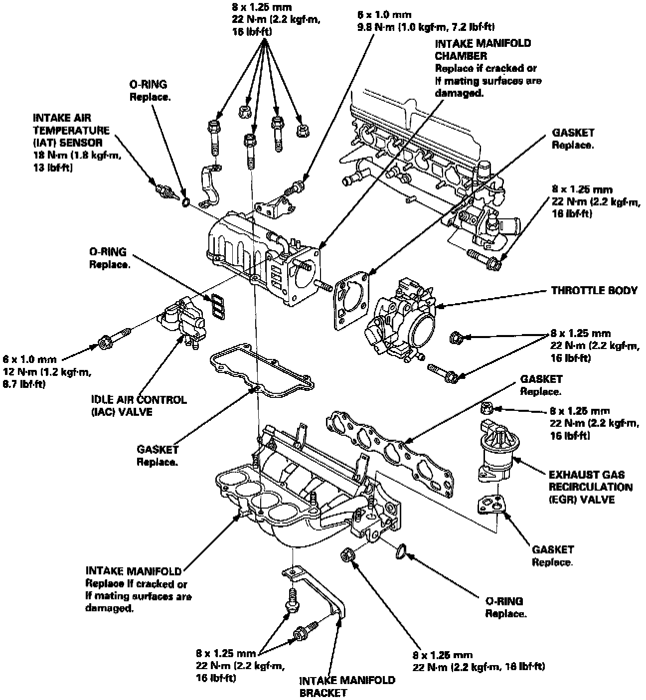
Intake System:






Cylinder Head:






Camshaft And Rocker Arm:






Timing Components:






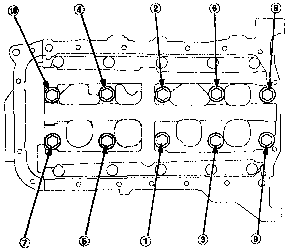
Torque Sequence:






Tighten the cylinder head bolts is sequence to 29 Nm (3.0 kgf.m, 22 ft. lbs.)

NOTE:
- We recommend using a beam-type torque wrench. When using a preset-type torque wrench, be sure to tighten slowly and not to overtighten.
- If a bolt makes any noise while you are torquing it, loosen the bolt, and retighten it from the 1st step.






Mark the bolt head and the cylinder head as shown.
Tighten the cylinder head bolts until the mark on the bolt head align to the mark on the cylinder head (turn the bolt 90°) twice.
If using a new cylinder head bolt, tighten the bolt 90° further.



Lower Block:






Lower Block:






Connecting Rods:












Tighten the 11 mm bolts in two steps. In the first step, tighten all bolts in sequence to about 29 Nm (3.0 kgs m, 22 ft. lbs.): in the final step, tighten in same sequence to 78 Nm (8.0 kgs m, 58 ft. lbs.).



Balance Shafts: