Operation CHARM: Car repair manuals for everyone.
Manuals through 2025 now available!

Our trusted friends have launched a new website named LEMON, which has newer manuals. It also contains all the CHARM manuals.

LEMON is the spiritual successor to CHARM, I recommend you try it!

Link: lemon-manuals.la or lemon-manuals.org.ua

(Some people have issue connecting. LEMON is investigating. For now, use Firefox or change your DNS server)

Or, hide this message: temporarily or permanently

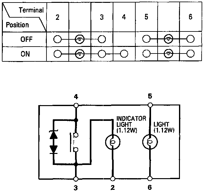
Main Switch Test/Replacement

NOTE: Be careful not to damage the dashboard and switch(es).

1. Carefully pry the switch(es) out of the dashboard.




2. Disconnect the connector(s) from the switch(es).

Cruise Control-Main Switch Test/Replacement:









3. Check for continuity between the terminals in each switch position according to the table.

If there is no continuity, replace the switch.