Operation CHARM: Car repair manuals for everyone.
Manuals through 2025 now available!

Our trusted friends have launched a new website named LEMON, which has newer manuals. It also contains all the CHARM manuals.

LEMON is the spiritual successor to CHARM, I recommend you try it!

Link: lemon-manuals.la or lemon-manuals.org.ua

(Some people have issue connecting. LEMON is investigating. For now, use Firefox or change your DNS server)

Or, hide this message: temporarily or permanently

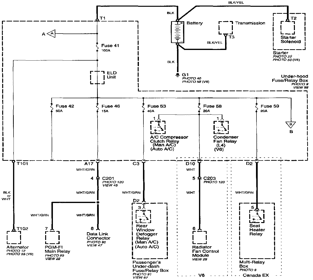
Power Distribution Schematics

Power Distribution Schematics (Part 1 Of 2):




Power Distribution schematics show how power is supplied from the positive battery terminal to various circuits in the car. Refer to the Power Distribution section to get a more detailed picture of how power is supplied to the circuit you're working on.

From Battery to Ignition Switch, fuses and Relays
Individual circuit schematics begin with a fuse. The first half of Power Distribution, however, shows the wiring "upstream" between the battery and the fuses.


Power Distribution Schematics (Part 2 Of 2):




From Fuses to relays and Components
The second half of power distribution shows the wiring "From Fuses to Relays and Components." This can speed your troubleshooting by showing which circuits share fuses. If power distribution shows that an inoperative circuit and another circuit share a fuse, check a component in the other circuit. If it works, you know the fuse is good and power is available to the inoperative circuit.