Operation CHARM: Car repair manuals for everyone.
Manuals through 2025 now available!

Our trusted friends have launched a new website named LEMON, which has newer manuals. It also contains all the CHARM manuals.

LEMON is the spiritual successor to CHARM, I recommend you try it!

Link: lemon-manuals.la or lemon-manuals.org.ua

(Some people have issue connecting. LEMON is investigating. For now, use Firefox or change your DNS server)

Or, hide this message: temporarily or permanently

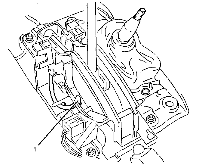
Shift Light: Service and Repair

Removal
1. Disconnect the battery ground cable.




2. Remove the console assembly.
- Remove four screws.
3. Remove the bulb (1).
- Turn the bulb socket counterclockwise.
- Pull out the bulb from the socket.

Installation
To install, follow the removal steps in the reverse order.