Operation CHARM: Car repair manuals for everyone.
Manuals through 2025 now available!

Our trusted friends have launched a new website named LEMON, which has newer manuals. It also contains all the CHARM manuals.

LEMON is the spiritual successor to CHARM, I recommend you try it!

Link: lemon-manuals.la or lemon-manuals.org.ua

(Some people have issue connecting. LEMON is investigating. For now, use Firefox or change your DNS server)

Or, hide this message: temporarily or permanently

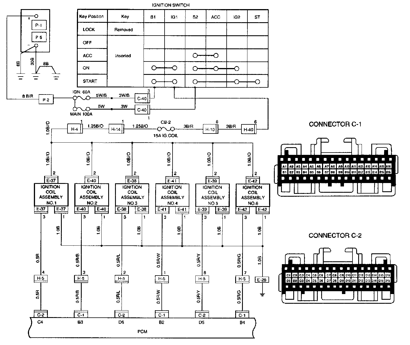
Electronic Ignition





Ignition is done by the electronic ignition (El) that directly fires the spark plugs from ignition coils through spark plug wires without using a distributor. A pair of ignition coils for the cylinders having different phases by 360° (No.1 and No.4,No.2 and No.5,No.3 and No.6) are fired simultaneously.

Since the cylinder on exhaust stroke requires less energy to fire its ignition plug, energy from the ignition coils can be utilized to fire the mating cylinder on compression stroke. After additional 360° rotation, respective cylinder strokes are reversed.

The EI consists of six ignition coils,ignition control module, crank angle sensor, powertrain control module (PCM) and other components.

The ignition coils are connected with the PCM by means of a 32 pin connector.
The ignition control module turns on/off the primary circuit of ignition coils, and also it controls the ignition timing at the engine speed below 538 rpm.
A notch in the timing disc on the crankshaft activates the crank angle sensor which then sends information such as tiring order and starting timing of each ignition coil to the PCM.
Further, the El employs ignition control (IC) to control similar to a distributor system.
By receiving signals such as crank position,engine speed, water temperature and Manifold Absolute Pressure (MAP), the PCM controls the ignition timing.