Operation CHARM: Car repair manuals for everyone.
Manuals through 2025 now available!

Our trusted friends have launched a new website named LEMON, which has newer manuals. It also contains all the CHARM manuals.

LEMON is the spiritual successor to CHARM, I recommend you try it!

Link: lemon-manuals.la or lemon-manuals.org.ua

(Some people have issue connecting. LEMON is investigating. For now, use Firefox or change your DNS server)

Or, hide this message: temporarily or permanently

Body Control Module

Body Control Module Schematics - Power And Grounding, TBC, Park LP, Gauges And CRUISE Fuses:




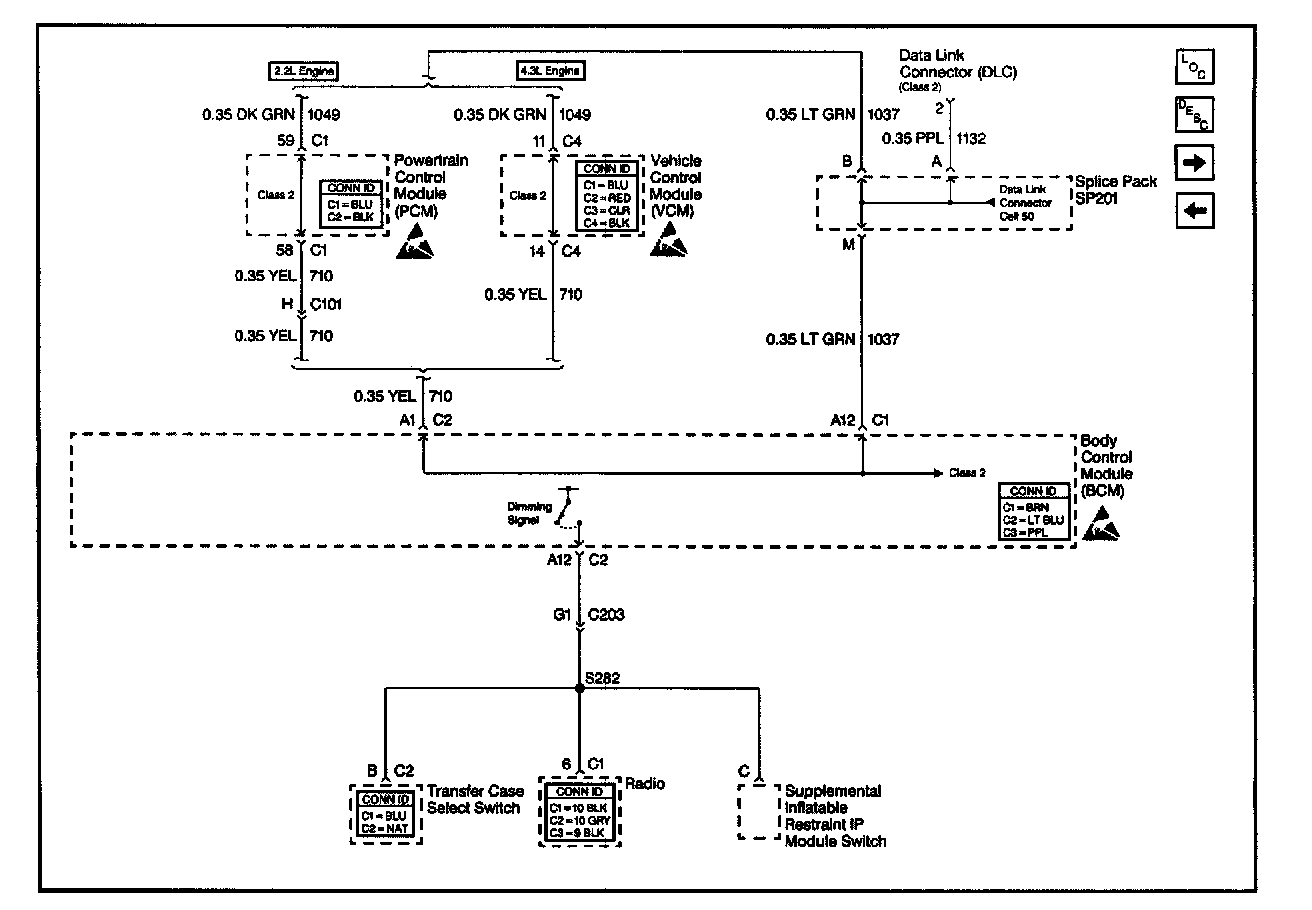
Body Control Module Schematics - VCM, PCM, And Data Link Connector:




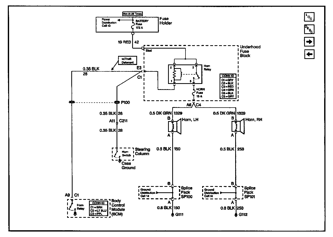
Body Control Module Schematics - Horn Relay:




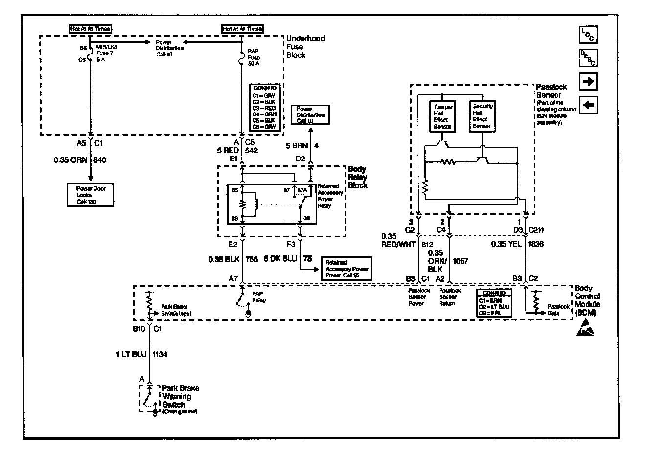
Body Control Module Schematics - MIR/LRKS And RAP Fuses,RAP Relay And Passlock SEnsor:




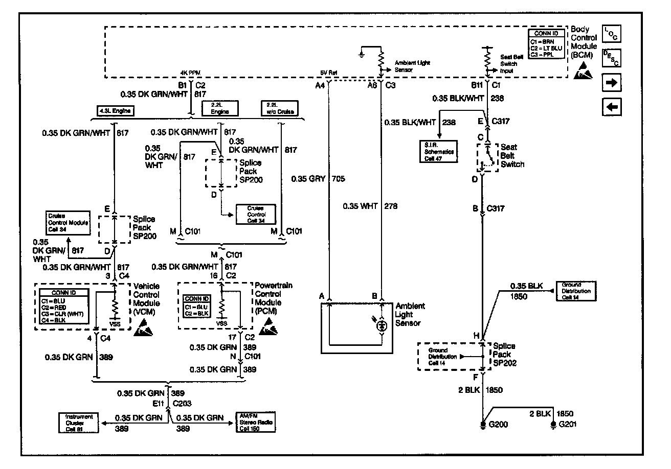
Body Control Module Schematics - VCM Or PCM Speed Signal And Ambient Light Sensor:




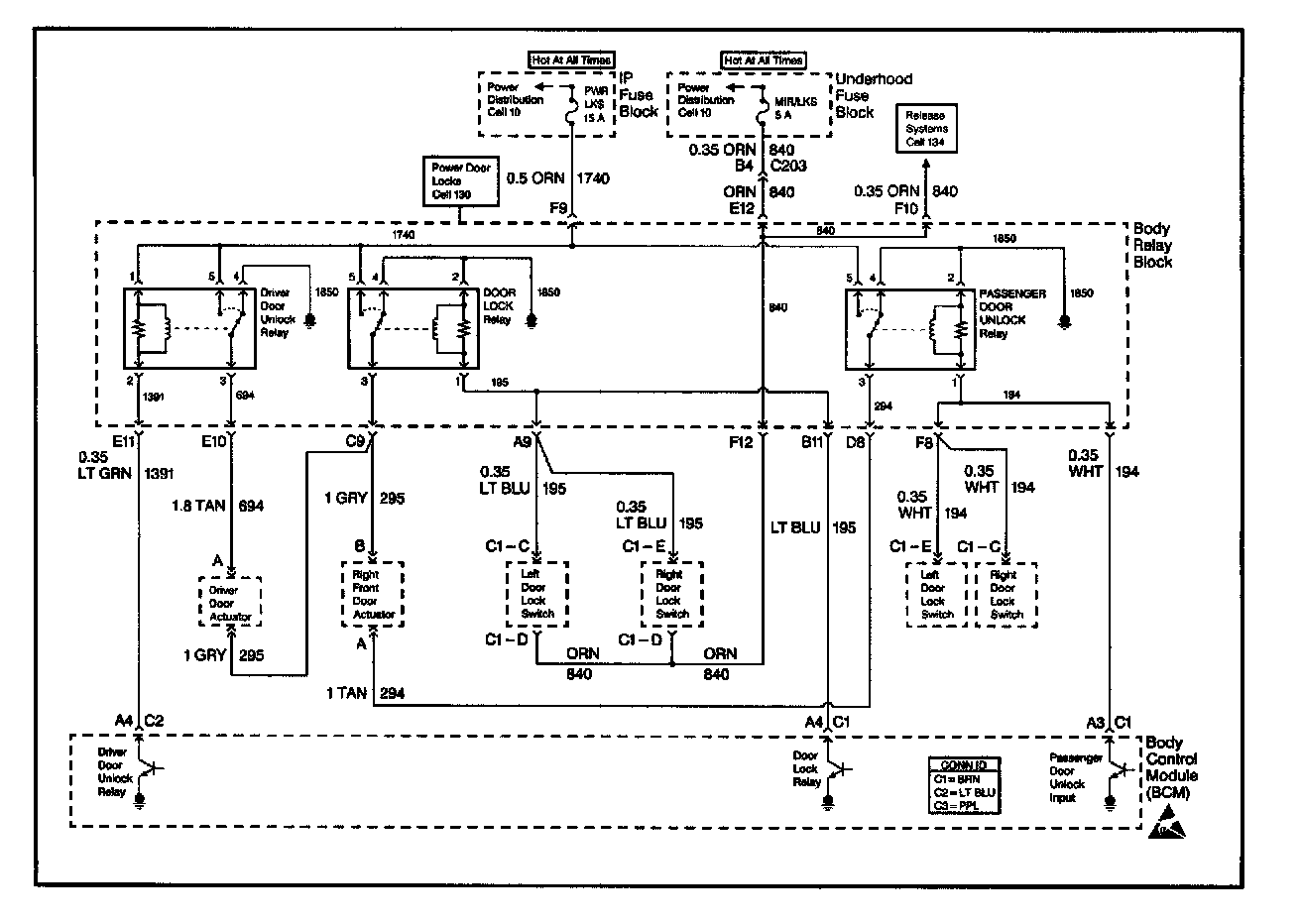
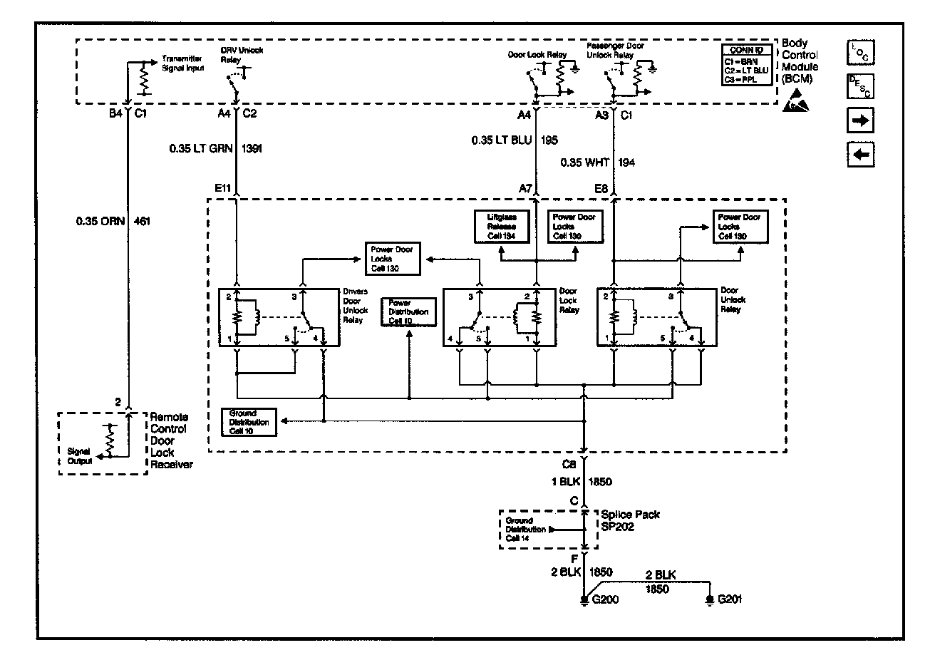
Body Control Module Schematics - Door Lock Or Unlock Relays:




Body Control Module Schematics - Automatic Transmission Prefence Switch And Ignitioin Key Alarm:




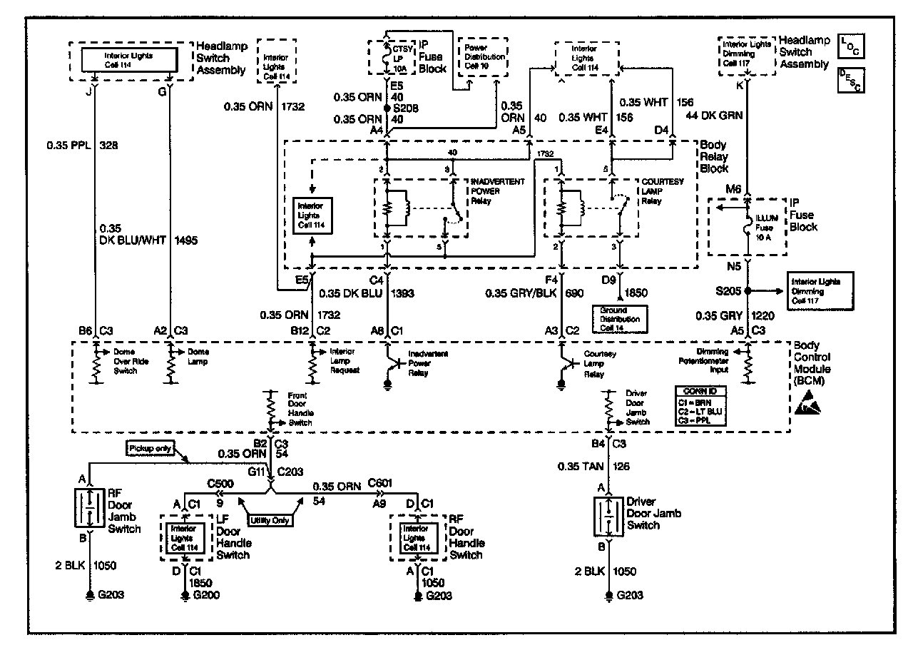
Body Control Module Schematics - Door Handle Switches And Door Jamb Switches:




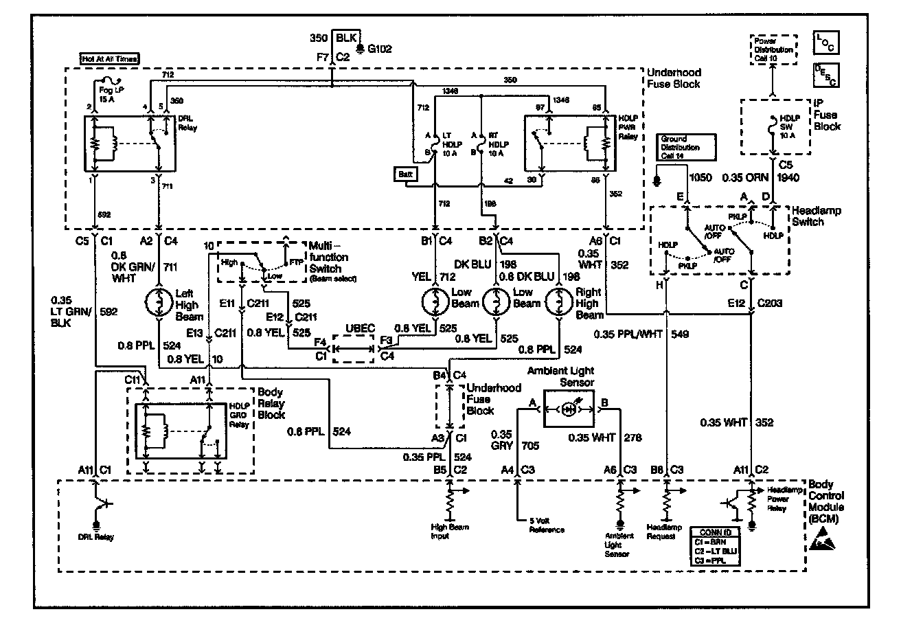
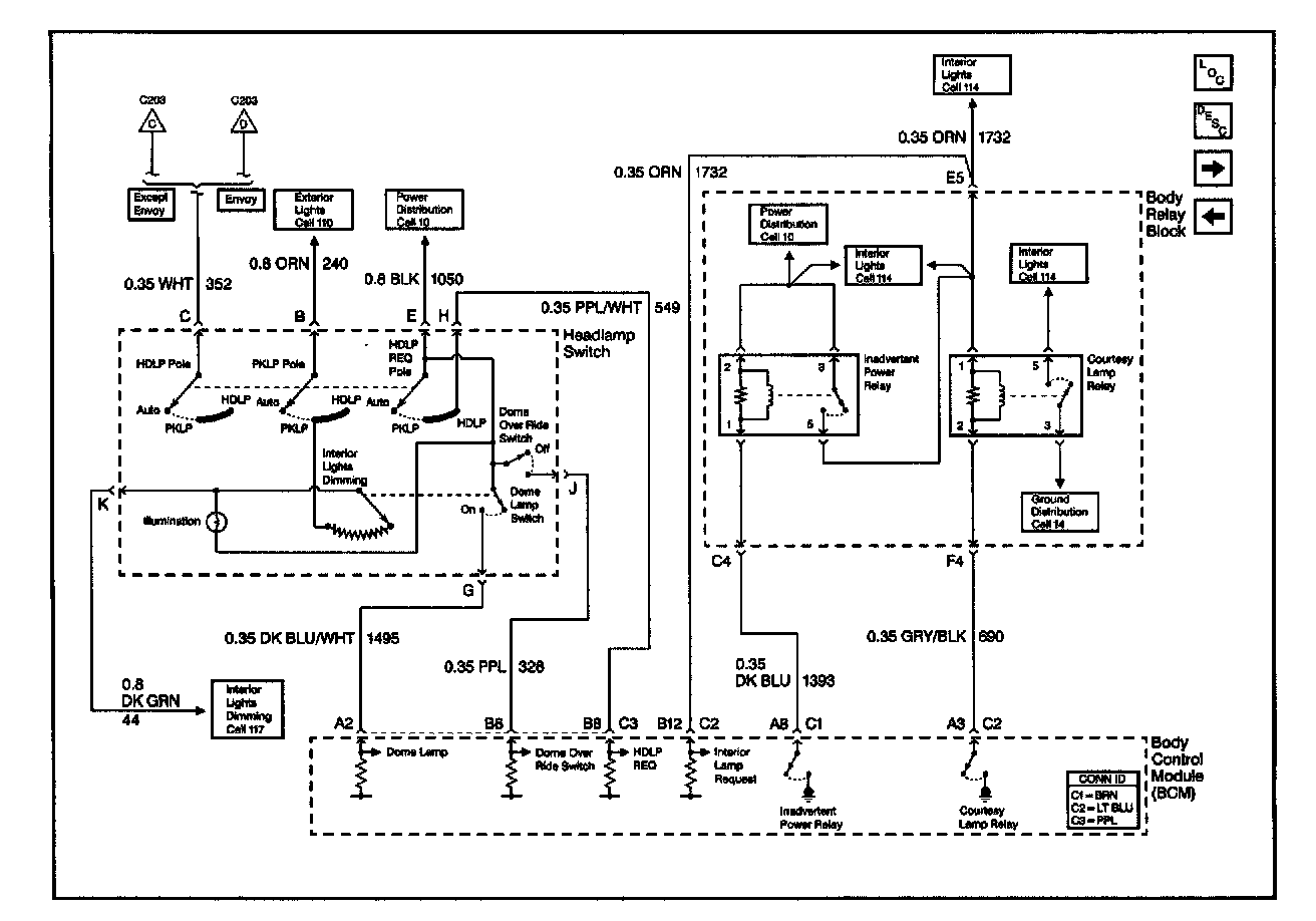
Body Control Module Schematics - Headlamp Switch,Inadverent Power Relay And Courtesy Lamp Relay:




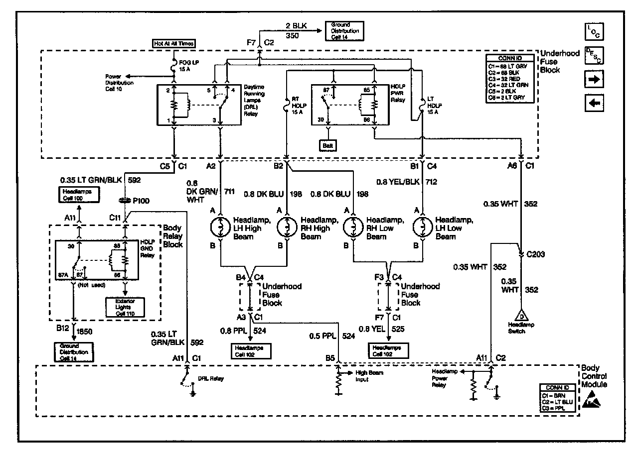
Body Control Module Schematics - DRL,HDLP PWR And HDLP GND Relays:




Body Control Module Schematics - LT TURN, RT TURN Fuses And Instrument Cluster:




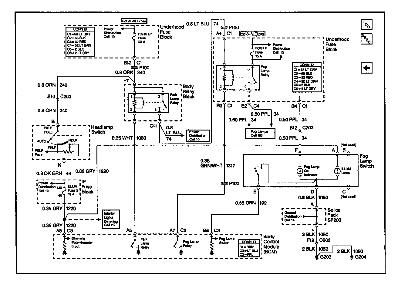
Body Control Module Schematics - PARK LP, FOG LP Fuses, Fog Lamp Switch And Park Lamp,Fog Lamp RElays:




Body Control Module Schematics - DTC B2600 - DRL Circuit Malfunction:




DTC B2617 And B2618 - Courtesy Lamp Circuit:




Body Control Module Schematics - DTC B3137, B3138, B3147,and B3148 - Power Door Locks:





Body Control Module