Operation CHARM: Car repair manuals for everyone.
Manuals through 2025 now available!

Our trusted friends have launched a new website named LEMON, which has newer manuals. It also contains all the CHARM manuals.

LEMON is the spiritual successor to CHARM, I recommend you try it!

Link: lemon-manuals.la or lemon-manuals.org.ua

(Some people have issue connecting. LEMON is investigating. For now, use Firefox or change your DNS server)

Or, hide this message: temporarily or permanently

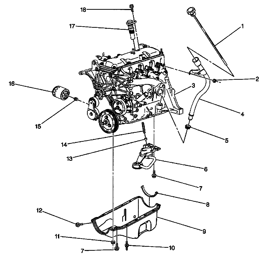
Engine Lubrication




Oil Pump and Oil Pan Components

Legend
1) Engine Oil Level Indicator
2) Nut, Engine Oil Level Indicator Tube
3) Engine Block
4) Oil Level Indicator Tube
5) Oil Level Indicator Tube Seal
6) Oil Pump
7) Bolt, Oil Pump
8) Oil Pan Rear Seal
9) Oil Pan
10) Stud, Oil Pan
11) Nut, Oil Pan
12) Bolt, Oil Pan
13) Retainer, Oil Pump Drive
14) Oil Pump Drive shaft
15) Oil Filter Adapter
16) Oil Filter
17) Oil Pump Drive
18) Bolt, Oil Pump Drive